区县_________学校__________姓名__________
一、填空:(每空2分,共30分)
1.色环电阻器的识别,要求用数字表示。
色环是蓝、灰、黑表示电阻值是_________,误差是___________;
色环是黄、紫、红、金,表示电阻值是_______________,误差是______________;
色环是棕、绿、金、银,表示电阻值是______________,误差是________________;
色环是橙、白、银、金,表示电阻值是______________,误差是_________________。
2.写出下列电容器上的标志所表示的容量和误差:
104K__________________、_____________;333N________________、_______________。
3.电容器上的标示为“4n7”,这只电容器的容量是_________________pF。
4.我国调频广播的波段为_____________至_______________MHz。
二、一只发光二极管串接一只电阻器接在100V直流电源上,发光二极管的工作电流约为10mA,应选用什么规格的电阻器?(10分)@
三、三只30μF的电容器通过串、并联后可以组成哪些新的电容值?( 18分)@
四、这是一个电压负反馈电路(见图1),请叙述电路是如何稳定静态工作点的。( 10分)@
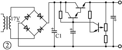
五、图2是一个不完整有错误的串联稳压电路图。(20分)
1.图2中应有一只6V的稳压二极管,请画在图中。
2.改正图2中的错误。
3.图2中电容器C1的耐压最少约为多少。
4.图2电路的输出电压最低可以调到多少?
六、使用万用电表时,指针如图3所示。请写出它所表示的数值及单位。(共12分)
1.开关置于电阻×100挡,所测的电阻是_______________。
2.开关置于直流电流50mA挡,所测的直流电流是_______________。
3.开关置于直流电压250V挡,所测的直流电压是_________________。


