具有音量控制功能低压D类音频功率放大器TPA2008D2
TPA2008D2是TI (德州仪器,网址http://www.ti.com/)公司推出的一款具有音量控制功能的5 V无滤波器D类音频功率放大器。TPA2008D2适合应用在液晶显示器、液晶电视机、液晶投影机和多媒体有源音箱等产品中。
TPA2008D2效率大于80%,不但不需要外接散热片,而且还能减少系统所产生的热量,降低电源供应的电流需求。TPA2008D2的供电电压范围为4.5~5.5V。在供电电压为5V、负载为3Ω时,TPA2008D2的每声道可以输出3W的功率。TPA2008D2不但发热量很小,而且音质很好,输出功率为1.5W时,1 kHz频率的总谐波失真与噪声值 (THD+N) 只有0.045%,-80 dBV噪声基准 (noise floor)。由于TPA2008D2的总谐波失真与噪声值以及噪声基准都很低,故可以使扬声器能发出清晰纯净的声音。
TPA2008D2采用24只引脚标准PowerPADTM表面安装型TSSOP封装。TPA2008D2的音频信号输出增益是由音量 (VOLUME) 端的直流电压进行控制,电压越高,TPA2008D2的增益越高,输出功率越大。该脚电压在2.45V时,增益为0dB。
TPA2008D2的应用电路如图1所示。图1电路中,R3为音量调节电位器。TPA2008D2的③脚为静噪控制端,当该脚电位为低电平时,TPA2008D2内部电路静噪,输出电路停止输出,当③脚为高电平或者悬空时,TPA2008D2开始正常输出。

高速/低噪声CMOS运算放大器OPA725
OPA725是TI (http://www.ti.com/)公司推出的高速/低噪声12V CMOS运算放大器。该芯片可直接驱动高性能16位数据转换器,同时也非常适用于有源滤波器、放大器、光纤网络以及高保真便携式音频产品。
OPA725通过使用专有输出级设计,可实现20MHz带宽,从而使该系列产品成为业界目前速度最快的12V CMOS 运算放大器。
OPA725性能很优越:带宽为20MHz,转换率为30V/μs ,噪声为6nV/ ,谐波失真为0.0003%。此外,它还具有快速的16位设置时间(600ns)、极低的偏置电流(不足200pA)。因此,该器件适用于缓冲高性能的16位ADS电路。
OPA725的输入共模范围非常广,可在单电源下工作。输出摆幅动态范围在150mV之内。关断状态下,静态电流小于6μA。
OPA725在4V~12V的电压下可稳定地工作。OPA725有SOT23及SO-8 两种封装形式,引脚排列如图2所示。

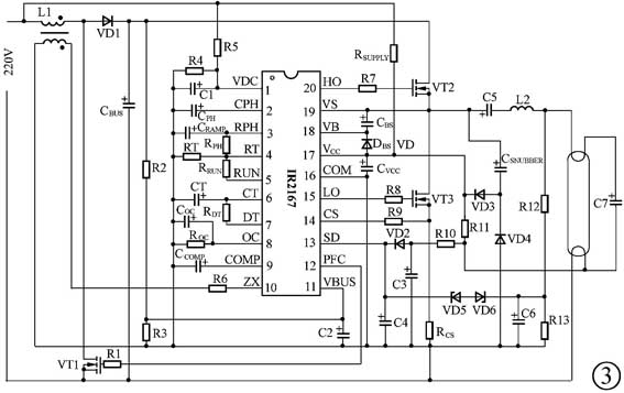
新型单片荧光灯镇流控制器IR2167
IR2167是国际整流器公司(International Rectifier,简称IR公司,网址http:// www.irf.com/) 推出的单片荧光灯镇流电路,它采用有源、临界传导模式的升压型功率因数校正(PFC)电路,可显著提高电力设备的效率。采用IR2167组成的镇流器可以预热、点燃和驱动荧光灯,并可有效地防止灯管断丝、黑头。由IR2167构成的镇流器可以应用在高端室内照明、街道、加油站照明灯和其它高强度气体电灯中。
IR2167的附加接通时间调制功能可减少用户线电流交叉失真,有效地减少总谐波失真。IR2167镇流控制部分融入了一个可编程的振荡器,能满足所有镇流器工作频率和MOSFET驱动器输出死区时间控制要求。一旦检测到灯管有故障,照明保护电路便会立即关闭输出电压。
IR2167为简化PFC镇流电路、提高效率、实现最长灯管寿命设计,镇流器的功率因数高达0.99,总谐波失真低于10%,并且符合IEC 6100-3-2 标准。IR2167的典型应用电路如图3所示。

IR2167软启动功能使得集成电路可以在非常高的频率下工作,以防灯管启动时闪烁和高电压对灯管的破坏。寿命终结保护功能通过传感电压变化来探测灯丝的耗损,并可在超过预定临界时关闭电灯,这样便消除了过压时灯丝烧毁的危险,防止烧坏灯管并引起火灾或意外。
(编者注:以上器件的详细资料见本刊网站www.radio.com.cn或下期配刊光盘)