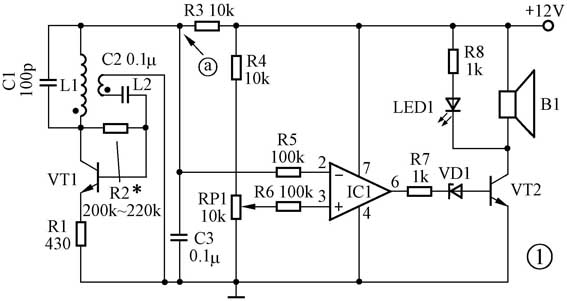
常用液位报警器大多数采用接触式,即把报警器用的传感器直接放入液体中。然而这种金属传感器一般不适用于强酸或强碱溶液的液位报警。笔者在研制化学法二氧化氯消毒剂发生器过程中,为了解决盐酸溶液的液位报警问题,研制成功图1所示的非接触式液位报警器。该报警器分为液位传感器和信号处理器两部分。R1~R3、C1~C3、VT及L1、L2构成了液位传感器电路,其余部分为信号处理器。

液位传感器实际上是一个振荡频率约1MHz的电感反馈高频振荡器。主振线圈L1及反馈线圈L2均通过支架套在溶液管子外边,溶液表面放置一个含有一段铁丝的浮子。当管中液位较低时,浮子远离线圈L1、L2,高频振荡器处于正常振荡状态, 点电位较高。如果管中液位升高至浮子进入线圈L1、L2内时,由于浮子中铁丝加大了线圈中的损耗迫使高频振荡器停振,VT1由振荡器状态变为放大状态,于是 点电位明显下降。 电位的变化将使得比较器IC1输出由低电平变高电平。该电平经过电阻R7及稳压二极管VD1使三极管VT2由截止变为饱和导通,于是发光二极管LED和蜂鸣器B1发出声光报警信号。
主要元件规格及参数:
C1为高频瓷片电容器,C2、C3为独石电容器。三极管VT1、VT2均为8050型硅管,其β应在100~150之间。VD1为6.2V/0.5W硅稳压二极管,B1为工作电压6~12V的断续声、压电陶瓷蜂鸣器,比较器IC1采用TL061。
传感器制作时,将R1、R2、C1~C3及VT1用立式焊在一个如图2所示的环形印制板上。线圈L1用0.1mm漆包线在内径为10mm的圆柱形变压器骨架上密绕30匝,其外用同样漆包线绕1匝作为L2。然后将焊好的印制板用胶粘在骨架的一端,焊接面朝外。再把L1及L2端部焊在印制板相应位置上。为了减少传感器和信号处理器之间的连线,作为传感器部分的电阻器R3安装在信号处理器的印制板上。

浮子的制作方法是:截取6mm长、直径1.5mm的普通铁丝,将其置于8mm长、直径4mm的聚乙烯软管内,然后用电烙铁将聚乙烯管两端密封。
电路调试分两步进行。首先调试传感器电路。方法是改变R2电阻值使得L1线圈骨架中空载时 点电位为7V左右,而将1.5mm的铁丝插入L1线圈骨架中时 点电位低于3V。然后调节电位器RP1,将比较器IC1同相输入端电位调至5V。
调试完毕,用环氧树脂将传感器上的元件部分全部包封起来即可投入使用。
(张万益)