门铃有时会成为盗贼窥视的目标,为此不少家庭卸去门铃,而在门上开洞安装了“猫眼”;CMOS固体摄像头的降价,使我们完全可用该摄像头配以电视监视器,组成一款实用的“电子猫眼”监视器。
本文介绍的猫眼式门庭监视器,主要包括敲门检测控制电路、CMOS摄像头及其配接电路、监视器及其改制配接电路和电源供给电路等部分,其中CMOS单板摄像头与监视器均可购得成品,它们只须经过有机的配接即可,重点制作的部分是敲门检测控制电路和电源供给电路。
图1为敲门检测控制电路。压电陶瓷片HTD将敲门声信号转换成电信号,然后经与非门IC1-1、IC1-2及其外围元件构成的线性放大器放大,触发由IC1-3、IC1-4组成的单稳态延时电路,再由VT2推动继电器K开启摄像头和监视器工作开关。其中R9、LED为敲门检测电路的工作指示,RP1为敲门触发灵敏度调节电位器,R4、C4决定了打开摄像头与监视器后的工作延迟时间,电路中的R1、R2为与非门直流负反馈电阻,通过C1滤除交流成份而获得了该级的稳定偏置;另为免除开关门时的振动使敲门检测电路误动作,利用常开开关SB1、C5、VT1等构成闭锁电路,开门时,SB1闭合,C5上的电压使VT1导通,与非门IC1-4输入端被低电平封锁,反之关门时C5上的电压仍能维持VT1的导通,使这时的任何声振动不会影响后续电路的状态;另一方面为使门关着时家人也能控制摄像机与监视器工作,增加了开关SB2。

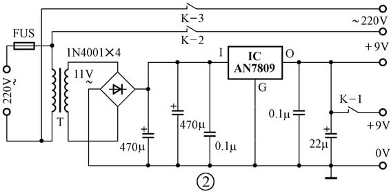
图2为电源控制电路,市电经变压器T降压、二极管桥式整流、电容滤波和三端稳压器IC输出+9V的直流电,其输出直接供图1电路正常工作,另外由继电器K的触点K-1与摄像机及其配接电路联动供电,同时继电器的控制触点K-2、K-3向监视器提供交流电。

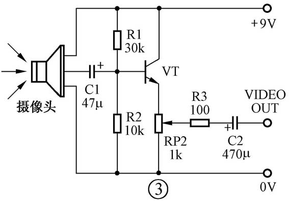
图3是摄像头的配接电路图。大多数不带音频输出的CMOS摄像头组件都有三根引出线,即由红黑线引出的电源正负极和由黄线引出的视频输出端。视频端一般输出峰峰值电压为1.0V,输出阻抗75Ω,为隔离摄像头输出电路与监视器的S端输入,增加了由射极跟随器组成的阻抗隔离与变换电路是必要的,其输出由带插头的同轴电缆线连至监视器。

元件选择:CMOS摄像头一般为带镜头的一体化器件,也可选用型号为MTV-858-1/3的针孔型CCD摄像头,其解像度均达380线以上,该镜头都具有自动快门,焦距F3.6mm,摄取角度92°,其低照度为0.2LUX,若配合红外射灯还可进行夜视摄像,工作供电为+12V(±3V),其供电电流为130~180mA。监视器可选用5.5英寸的显示器,也可采用5.5英寸的小黑白电视机改制,只须按图4所示电路的方法改制小黑白电视机,并加装一转换插座即可。

T选取功耗3W、次级为11~13V的小型电源变压器;IC1由一片CD4011担任;压电片HTD应选直径27mm以上的,并为之加装助声腔集声;K可选用带三组常开控制触点的JRX13-F(9V)型继电器,若摄像头及其配接电路能够直接由监视器供电,则可省去继电器的一组控制触点K-1,但其工作电压应满足摄像头的要求;图1电路VT1、VT2的漏电电流要小,VT2最好选用中功率管;其他元件无特殊要求,可照图选择。
调试制作:装配与接线无误后,可通电调节敲门检测电路中的RP1,使敲门触发灵敏度较高即可。然后调节摄像头与监视器匹配电路中的RP2,使输出电平适合监视器正常显示即可。安装时可将摄像头置于门庭的1.2m高处位置,若有原“猫眼”洞,最好安装在原来位置,为便于探测的安全,其前部仍沿用原“猫眼”的防护玻璃镜片,另敲门检测的压电陶瓷片可安置于客人敲门较为频繁的位置。
(王焕章)