本文介绍的应急灯,采用6V蓄电池作电源,点亮双U节能灯管,功率只有5W,制作简单、耗电省。可作为停电时家庭应急使用。
工作原理
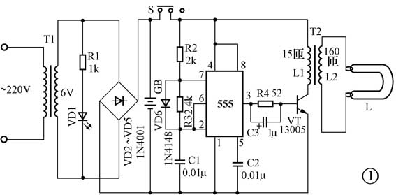
图1是电路原理图。220V市电经变压器T1降压后,次级输出6V的交流电。经过二极管VD2~VD5桥式整流后,向蓄电池充电,充电电流约200mA。随着充电的进行,蓄电池的电压不断上升,充电电流将随之减小,直到充满为止。当打开开关S之后,蓄电池的电压加到集成电路IC等元件上,IC是时基电路,它和外围元件构成矩形波振荡电路,产生约25kHz的矩形波信号,由IC的③脚输出。经电阻R4限流后加到三极管VT的基极上,使三极管交替导通和截止。这样,通过升压变压器T2上的线圈L1中的电流时通时断,并在线圈L2上感应出高压去点燃节能灯管。

电容C3用于加快灯管的点燃。
元件选择
变压器T1选用3W、单6V的小型变压器。集成电路IC用NE555。三极管VT用MJE13005、β=30。升压变压器T2用EE25的铁氧化磁芯,初级用0.64mm的漆包线在骨架上绕15匝,次级用0.21mm漆包线绕160匝制成。灯管L用5W双U节能灯管。开关S用2×2的小型拨动开关。蓄电池GB用6V4AH的。VD1用Φ3的红色发光管。
制作和调试
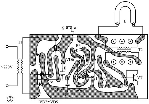
按图2制成线路板,并为三极管制作一个铝散热片。检查焊接元件无误后将变压器T1、线路板和灯管用导线连接起来。先关闭开关S,接上220V的电源,发光管VD1应能发光,用万用表测充电电流应在200mA左右。打开开关S,灯管应能正常发光。如不发光,应检查振荡电路工作是否正常,变压器T2上的线圈接头是否焊接良好。如能发光,但光线暗,应测T2中线圈L1的电流是否在700mA左右,如出入太大,可调整电阻R3。同时,还可以检查灯管是否良好,三极管β值选择是否正确,直到正常发光,并且三极管散热片不烫手。

最后,将变压器、线路板和蓄电池装入塑料外壳中,把灯管装在塑料壳的上方。
该应急节能灯能在5.2~6.3V内正常工作。
(俞虹)