电子钟有指针式、液晶式、LED式,前两种在光线较暗时就看不清楚,后一种一般采用数码管显示,体积较大,多用于公共场所,不太适合家用。为此,笔者设计制作了一款LED流动显示电子钟,体积小巧,字形美观,且每天有4次闹铃,每次定时时间一到,蜂鸣器响20秒钟,非常实用。
本制作采用64只LED排列成8×8点阵,采用流动循环显示方式。图1所示即是18:28时间的显示效果。

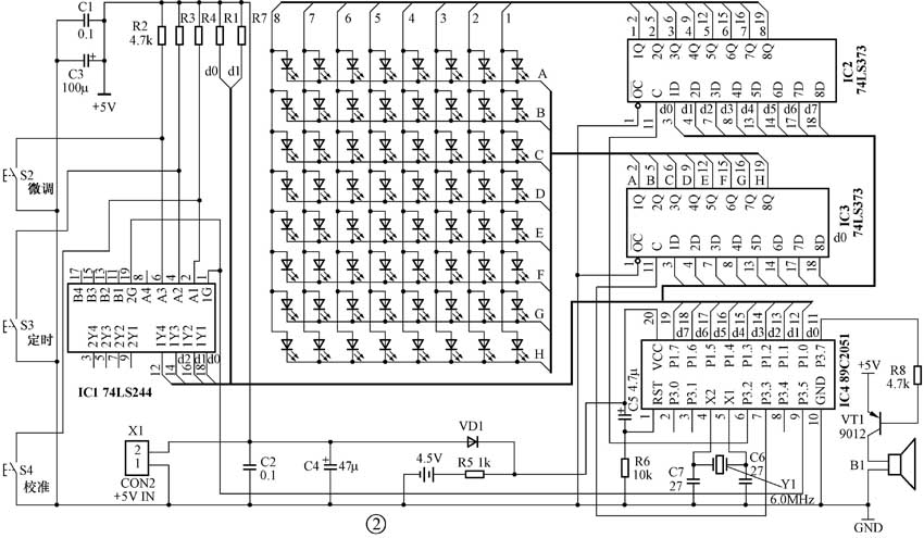
工作原理:
本制作的硬件电路如图2所示,主控电路为非常便宜的89C2051单片机,C5、R6组成它的上电复位电路,Y1、C6、C7组成它的时钟电路。P1口作数据总线用,LED点阵的列数据(1~8)由IC2锁存,单片机的P3.2端口输出锁存正脉冲。LED的行扫描信号(A~H)由IC3锁存,单片机的P3.3端口输出正脉冲锁存信号,按键状态由IC1读取,单片机的P3.5端口输出负向读取脉冲。外接5V电源(可用一般的市售稳压电源)由X1输入,掉电时由内置的4.5V电池维持IC4的继续工作,以防计时中断。

本制作的软件部分相对复杂,限于篇幅此处仅介绍显示方法(其余请参考源程序部分)。以显示“2”为例。首先IC2输出“00001110”,IC3输出“01111111”使A行为低电平,其余行都是高电平,略延时后,IC2再输出“00010001”,IC3输出“10111111”使B行为低电平,其他行都是高电平,依此类推,IC2轮流输出“00010001、00000010、00000100、00001000、00010001、00011111”,IC3轮流使C、D、E、F、G、H端为低电平。在显示下一行前,IC3输出一次短暂的“11111111”信号关断显示(相当于消隐),以防上一行的残影叠加在下一行中。如此循环即可显示一个静止的“2”。
调整方法:
本钟表设有“微调”、“定时”、“校准”三个按键。“微调”用于消除因元器件参数差异带来的计时误差。按此键后,流动显示停止,变为显示单一数字(此数为上次“微调”的结果)。再按一次“微调”此数加1,连续按动,此数可在-9~+9间循环变化,此数越大计时越快(每天可在最大±1.5秒的误差范围内调整),当调到一个合适的数值时按“校准”即可返回正常流动显示状态。
“校准”按键用于校准当前时间。连续按此键可在“小时的十位→小时的个位→分钟的十位→分钟的个位”4位间进行选择,并分别用显示屏的8A、8B、8C、8D这四只LED来表示。当选好要调的位时,按“微调”即可改变其数值,当第五次按“校准”按键时即可退出“校准”状态。
“定时”用于设置响铃时刻。连续按此键可选择“第一次定时小时的十位→第一次定时小时的个位→……→第四次定时的分钟的个位”,共16位,并用8E、8F、8G、8H指出当前正在设置的定时次数,8A、8B、8C、8D指出次数的位。选好位后,再按“微调”按键可调整当前位的数值。如不想设置定时,可把各位调成无效时间,上电默认定时时间为26:26,因实际无此时刻故全天不响铃。按“校准”键或第17次按“定时”键即可退出定时设置。
制作本钟表时,把源程序写入一块AT89C2051,其他元件按图示参数即可,把它们直接焊在一块实验板上即能工作。
(编者注:本制作的源程序见本刊网站或下期配刊光盘。)
(姚世元)