本文介绍的DC电压表输入阻抗高达11MΩ,精确度优于15%,配上RF探头,可以测量高频电压,频率高达30MHz。这个电路最早是乔治·考林斯(KC1V)在QST杂志上介绍的。
电路原理
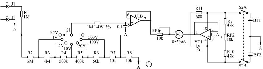
集成电路电压表的电路图如图1所示。这个电压表的输入阻抗是由电压挡分压电阻的总电阻(R1~R8)决定的,各挡分压电阻加在一起共11MΩ。有的分压电阻阻值不是5%误差系列电阻的标准值,可用2个5%误差的电阻串联后达到要求值。

电路采用了结型场效应管输入端的运放作为表头驱动。LF353N(U1)是含有两个这种输入端的运放,U1B用作表头驱动,U1A用作可调电压参考电路。两个运放都接上电压跟随器。这种跟随器能够输出几毫安的电流,而输入端输入阻抗高,吸取的电流很小。
R10是调零电位器,可以补偿电池电压下降以及室温变化的影响。因为两个运放是在同一个封装里,所以能减少室温变化引起的漂移。R10应该固定在前脸,便于需要时调整。R9是校准电位器,可以调节表头灵敏度。R9不需要频繁调整,所以把它装在壳内。
这个电路需要两个电池,3~9V的电池都能工作,无须改动电路。可以采用4节7号电池,也可采用2个9V电池。
制 作 方 法
该外壳可根据自己的表头情况选取,可用塑料外壳。如果外壳的面板是金属的,不要让负极插口J2与面板接触,防止测量负电压时机壳带电。
分压电阻直接焊在挡位开关的焊片上。其他元件可以装在一小块印制电路板或万用板上。
读者应该注意,运放引脚间如有极小的漏电,也会影响这个仪表正常工作。如果采用电路板,焊完后一定要用无水酒精把引脚周围的助焊剂擦洗干净。此外,电路板也不要放置在任何支撑材料上。甚至不导电的泡沫材料也会产生难以预料的问题。
采用图1所示的阻值,这个电压表的最大量程为500V。如果需要这个量程,输入插头J1、J2,还有用作挡位开关的波段开关(S1)应能承受500V以上的电压。如果不需要500V量程,R7、R8可以直接串联或换成一个50kΩ的电阻。
校准R9后,电压表就可以使用了。可用两节新的炭锌电池串联,作为已知电压源。每节新电池的电压一般为1.54V。先把电压表的电源接通,挡位开关置于5V挡。把两个表笔短接。调节调零电位器R10,使表针指到零。把表笔接到串联的两节电池上,调节R9,使读数为3.1V,电压表就调好了。
RF探头
图2是一个简单的RF探头,其电路图如图3所示,得出的读数为RMS(均方根值)。测量音频电压时C1要采用0.05μF的电容。测量高频电压时,C1的值要小得多。探头的元件可装在一小条印制板上,再装在一个电子管的管座上。把一根粗铜丝焊在管座的中心焊片孔上作为探针,C1与中心焊片焊在一起,然后套上电子管的屏蔽罩,探头内部见图4。探头的输出要用屏蔽线与电压表的输入端相连。屏蔽线的金属网要和屏蔽罩相连。探头的地线一端接在屏蔽罩上,另一端接一个鳄鱼夹子。


制 作 总 结
译者利用一个闲置的分贝表的外壳、表头(表头灵敏度为100μA)、开关,也自制了这样一个电压表,经使用并利用示波器核实,虽然电路简单,但稳定性非常好。有了这个简单的仪器,调整振荡器、RF放大器就方便多了。只要利用电池校准过R9,即使没有条件一一校准刻度,把读数作为参考值,足以满足调试自制设备。
这个电压表的核心器件LF353N在国内很容易买到,只需几元钱。RF探头的二极管1N34A没有买到,译者采用1N60代用。如果没有电子管管座、电子管屏蔽罩,也可采用一段铜管。把两端塞上软木塞,一端插入探针,另一端用屏蔽线引出。制作此电压表所用元器件及其参数见附表。
附表

(赵辉 编译)