松下E3机芯背彩电的代表性机型有TC-43P18G、TC-43P280G和TC-51P280G,其中280G拥有8倍精密显像功能,而TC-43P18G是普及型背投彩电。这三款机型电源电路结构完全相同,本文介绍这种电源电路原理和常见故障维修。
电源系统的结构组成
E3机芯电源系统由主开关电源、副开关电源、行输出供电和保护功能电路4部分组成。主开关电源采用SANKEN(三肯)公司的新型他激式电源厚膜块STR-M6833BF04/C5HABZZ00028,副开关电源采用MOTOROLA(摩托罗拉)的“微型开关”MIP2810001TV。
1.C5HABZZ00028芯片简介
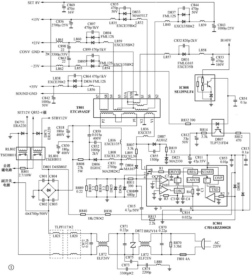
C5HABZZ00028电源厚膜块采用7脚单列式塑封结构、内部功能有:START(启动)、REG(稳压)、OSC(振荡器)、DRIVE(驱动)、OCP(过流保护)、OVP(过压保护)、TSD(过热保护)、LATCH(锁存器)以及MOSFET场效应开关管等,内部方框电路和典型应用电路如图1所示。

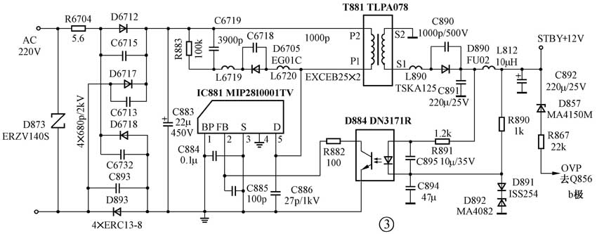
2.MIP2810001TV芯片简介
MIP2810001TV为单片离线式脉宽调制电源,有PIP-8和SMD-8(后为贴片式)两种封装,有8只引脚,其中:①脚为BP旁路;②脚为FB脉频调制;③脚S为MOSFET管源极;⑤脚D为MOSFET管漏极;④脚接地;⑥脚、⑦脚、⑧脚为空脚。
MIP2810001TV内部功能有:OSC(振荡器)、5.8V稳压器,逻辑控制,开关控制、电流/占空比调整、复位、过流和过热以及欠压保护等。方框原理电路如图2所示,典型应用电路如图3所示。

电源电路工作原理
1.主开关电源工作原理
(1) 电源启动与振荡形成过程
接通电源开关,副开关电源启振工作供电,控制系统的主控微处理器IC1213得到电源,复位信号和主时钟支持执行开机,继电路RL801吸合;交流市电经共模滤波和D801、C818、C830整流滤波,产生约300V直流悬浮电压,此电压经开关变压器T801主绕组P1-P2、L816+L805加到厚膜块IC801①脚内MOSEFT管漏极;同时滤波的交流电源由D808半波整流,经R840+R838给IC801⑤脚电容C811充电。当C811正端电压上升到18.6V时,IC801⑤脚内STRAT电路启动,REG稳压提供+5.0V电压,OSC电路电流源给内置电容C3充电。当C3上充电电压上升到5.1V,OSC输出正极性方波,经DRIVE电路推动放大,激励末级MOSFET管导通。
MOSFET管导通后,内置电路C4由稳压器经R4缓缓充电。当电压从0V上升到0.75V时,OSC内的双稳电路翻转,输出负极性方波脉冲由DRIVE电路推动放大强制MOSFET管截止。
MOSFET截止后,电容C3上的5.1V电压通过R3放电,而C4上电压通过OSC内部电路迅速放电。当C3上充电电压下降到3V、C4上充电电压下降到0V时,OSC内双稳电路重新翻转输出正极性方波,由DRIVE推动放大激励MOSFET管再次导通,这样通过C3和C4反复充放电,OSC输出频率约44kHz的方波,激励MOSFET工作在导通与截止的开关状态。
(2) 电源稳压控制
电源稳压控制电路由图1中的误差检测放大IC808、光电耦合器D807和IC801⑥脚内接口组成。主电源启振后,开关变压器T801的V1-V2绕组感应脉冲由D887、C812整流滤波产生22.1V直流电压经D807副边光敏管集—射结给IC801⑥脚内的电容C4充电,因此改变D807内光敏管集—射结内阻,就可以控制C4充电电流大小,从而控制MOSFET管导通时间TON,调整开关脉冲的占空比TON/TOFF实现输出电压稳定。
如果某种原因使+B140直流电压升高,这一正的变化增量△V由IC808①脚电路检测分压加到误差放大管基极,与发射极的VREF基准电压(由齐纳二极管锁定在6.8V)进行比较放大后,使流过D807原边发光二极管的电流增大→D807副边光敏三极管集—射结内阻减小→IC801⑥脚的充电电流增大→其内C4充电上升到0.75V的时间加快→MOSFET管导通时间缩短→开关脉冲占空比减小→T801主绕组P1-P2中储存的能量减小→+B140V电压恢复到设定值。
+B140V直流电压下降时,稳压控制环发生与上述变化完全相反的物理过程:D807发光二极管中流过电流减小→副边光敏三极管集—射结内阻增大→IC801内C4充电速率变慢→MOSFET管导通时间延长→T801主绕组P1-P2储存能量增加→+B140V维持不变。
(3) 主电源供电
主开关电源振荡工作后,共提供6组直流电压:
其中开关变压器T801的V1-V2绕组感应脉冲经D887、C811和C812整流滤波,产生+22.1V直流电压加到IC801⑤脚,作为内部小信号电路的工作电源;+22.1V电压同时为光电耦合器D807副边充电电路供电。
T801的S1-S3A上感应脉冲经D831、C833整流滤波,产生+B140V直流电压,为行推动级、行输出级、VM强力速调输出级和动态聚焦输出级供电。
T801的S2-S3B绕组感应脉冲经D837、C843整流滤波,产生SET8V电压,再由四端精密稳压器EC806、五端精密稳压器IC807、三端稳压器IC804调整稳压,得到+5V、+3.3V和+5V三组直流电压,为机芯所有的数字电路供电;SET8V还为保护电路供电。
T801的S4—S3B—S5平衡双绕组感应脉冲经D894、C898和D895、C863整流滤波,产生±23V直流电压,作为数字会聚功放厚膜电路IC7001和IC7002的专用电源。
T801的S6-S3A绕组感应脉冲经D833、C836整流滤波,产生+15V直流电压,由三端稳压器IC803、五端精密稳压器IC805调整稳压,得到+12V和+9V直流电压,为机芯所有小信号电路供电;+12V电压还为浪涌电流抑制电路中的继电器RL802供电。
T801的S7-S8绕组感应脉冲经D836、C842整流滤波,产生+35V直流电压为音频功放IC2301供电。
2.副开关电源工作原理
(1) 副电源振荡形成
开机交流电源经共模滤波和D6712、D6717、D893、D6718、C883整流滤波,得到约280V脉动电压并通过开关变压器T881的P2-P1主绕组加到微型电源IC881⑤脚内的MOSFET管漏极。该电压由内部稳压源进行调整,产生5.8V直流电压给振荡和控制电路供电。
OSC电路获得5.8V电源振荡工作,产生CLOCK时钟和最大占空比为Dmax的方波脉冲:其中CLOCK时钟经与门1送到RS触发器的S触发端,作为每个重复周期的启动信号;方波脉冲经或门送到RS触发器的R触发端,在时钟信号将触发器S端置于高位“1”时,或门或与门2输出方波脉冲驱动末级MOSFET管导通。在调制PFM信号将触发器S端置于低位“0”时,或门和与门2关断,使MOSFET管失去方波脉冲截止。
MIP2810001TV输出功率为4W,因此MOSFET管前级没有设置DRIVE电路,直接由OSC振荡方波驱动,电路振荡工作频率典型值46kHz。
IC881⑤脚的+200V直流电压(副电源工作供电)即是MOSFET管漏极工作电源,又作为REG稳压输入电源;在MOSFET管截止时,稳压后的5.8V电源同时给IC881①脚的外接电容C884(CBP=0.1μF)充电;当MOSFET管导通后,C884上储存电荷给调制稳压电路泄能供电。C884选用介质损耗极小的高频瓷介电容,它的容量很小,不得向外部电路供电,否则会停振。
IC881振荡工作,T881的S1-S2绕组感应脉冲经D890、C891整流滤波,产生STBY+12直流电压:一路直接为光电耦合器D884提供取样;另一路由三端稳压芯片IC1212稳压得到STBY+5V电压,为中央控制系统供电。
(2) 脉冲频率调制稳压
与我们常见他激式开关电源的脉宽调制PWM方式不同,MIP2810001TV采用脉冲频率调制PFM方式,其优点是PFM调制响应速度比PWM方式更快,而且调制输出直流电压的纹波系数更小。
PFM电路由光电耦合器D884、稳压二极管D892、IC881②脚接口组成。D884原边发光二极管负端电位由正向导通的D891和反向击穿的D892锁定在8.2V,STBY+12V电压变化时,流过D884原边发光二极管中的光电流也会随着变化,结果D884副边光敏管集—射结内阻相应变化。
结合图2和图3电路可知,R882和D884副边光敏管集—射结内阻接在IC881②脚PFM电路中场效应管的源极回路。由于场效应管的栅极电压固定在1.5V,因此D884副边光敏管集—射结内阻变化时,场效应管漏—源极的分流作用随着变化,通过逻辑控制电路的作用,使调制方波脉冲的频率相应变化。
如果STBY+12V直流输出电压上升→光电耦合器D884原边发光二极管因正端电位升高使流过的光电流增大→副边光敏三极管集—射结内阻减小→场效应管漏极电流增大→OSC输出方波脉冲频率升高→开关脉冲的占空比D减小→ST-BY+12V电压回到标准值;STBY+12V电压下降→D884原边发光二极管中光电流减小→副边光敏管集—射结内阻增大→IC881②脚场效应管漏极电流减小→OSC方波脉冲频率降低→开关脉冲占空比D增大→STBY+12V电压稳定不变。
(2) 电源ON/OFF转换控制
电源ON/OFF方式转换控制电路由Q857、Q856、Q852、继电器RL801和主控微处理器IC1213内的接口组成,原理电路如图4所示。
接通电源,副开关电源振荡工作提供STBY+12V直流电压,由IC1212调整稳压为主控微处理器IC1213和EEPROM存储器IC1211提供STBY+5V电源;IC1212在得到复位芯片IC1214的低电平RESET信号后,对系统进行清零复位,待IC1213紝{6}脚、紞{6}脚8MHz时钟稳定后,IC1214给出4.9V高电平废除电压,CPU立即调出上一次关机前的程序数据,从IC1213的输出POWER高电平→Q852导通→RL801吸合、常开触点闭合→主开关电源得到+300V整流滤波电压而振荡工作,电视屏幕上显示上一次关机前的频道节目。
按下遥控器上的“POWER”键,IC1213转为低电平→Q852截止→RL801释放、闭合触点打开→切断主电源的交流输入回路;IC1213同时从输出LED低电平→Q1003截止→双色二极管D1004中的G管熄灭、R管点亮,指示主电源进入OFF待命方式。
(李其佳 赵新明)