D类音频功率放大器(Class D Audio Amplifier)也称数字功放、开关功放、PWM功放。这种功放与模拟功放的主要差别在于功放管的工作状态。传统模拟放大器(音频)有甲类(A类)、乙类(B类)和甲乙类(AB类)等。A类放大器通常需要偏置电压才能工作,放大输出的电压幅度不能超出偏置范围,所以能量转换效率很低,理论效率最高也不会超过50%。B类放大器虽然不需要偏置,靠信号本身来导通放大管,理想效率高达78.5%。实际上这样的放大电路,小信号时失真严重,在电路中都要略加一点偏置,形成AB类功放,这么一来效率也就随之下降。这几种模拟放大电路的共同特点是晶体管都工作在线性放大区域中,它按照输入音频信号的大小控制输出信号的大小,就像串在电源与输出电路间的一只可变电阻,控制着输出信号,但开关管(功放管)同时自身也在消耗电能。
无论A类、B类还是AB类音频功率放大器,当它们的输出功率小于额定输出功率时,效率就会明显降低,故在播放动态信号时平均工作效率只有30%左右。音频功率放大器的效率低就意味着工作时有相当多的电能转化成热能,也就是说,这些类型的音频功率放大器要有足够大的散热器。例如:一台额定输出功率1000W的A类音频功率放大器需要2000W的散热器,一台额定输出功率1000W的B类音频功率放大器需要400W的散热器,因此A类、B类、AB类音频功率放大器(即模拟音频功率放大器)效率低、体积大,不符合当前节能环保的要求。
D类音频功率放大器与模拟功放不同,它的输出器件不作为线性元件,而是作为开关,因此也称“开关放大器”。在D类放大器中,晶体管(场效应管)等输出器件工作于饱和(通)和截止(断)两种极端工作状态,不工作在中间的线性状态(即放大工作状态),因此输出器件(功率管)的线性性能对输出信号没有任何影响。驱动电路按输入的数字信号控制各输出器件的通、断。数字功放的输出功率管通常是使用MOS-FET管,该管通常作为切换开关,而不是当放大之用。
D类音频功率放大器的功放管工作在开关状态,理论状态下晶体管导通时内阻为零,两端没有电压,当然没有功率消耗;而截止时,内阻无穷大,电流又为零,也不消耗功率。因此功耗极小、效率极高,效率通常高于96%。所以D类音频功率放大器是高效、节能、数字化音频功率放大器。D类音频功率放大器通常由PWM调制器、PCM-PWM转换器、脉冲推动器/功率放大器、低通滤波器这几部分组成,如图1所示。

当输入模拟音频信号时,模拟音频信号经PWM调制电路后变成与其幅度相对应脉宽的高频率PWM脉冲信号(即音频PWM编码),然后经脉冲推动器驱动脉冲功率放大器,最后经功率低通滤波器带动扬声器。当输入的音频信号为PCM数字信号时,该数字信号经PCM-PWM转换器成为PWM脉冲信号,经脉冲推动器驱动脉冲功率放大器,然后经功率低通滤波器带动扬声器。
音频PWM编码可以从两种途径获得,一是对模拟音频信号进行模数变换直接生成PWM数字音频;二是对其他编码的数字音频,如CD的PCM编码,通过数字信号处理技术变换成PWM音频编码。
CD和DVD碟片上输出的音频信号是数字化的,若采用普通的模拟功放机进行放大,则播放机进行解码后再经过数模变换,变成模拟音频后再送到功放电路中。而采用数字功放(D类音频功放)后,就可把解码后的PCM数字音频信号直接进入数字信号处理电路处理成PWM码进行放大,省去了播放机中的数模变换和数字功放中的模数变换二个较贵重部分,这样不但音质受损少,成本也可降低。
PWM调制器也称为脉冲宽度调制器。该电路的作用是把加在它的输入端的模拟信号变成宽度或者占空比与输入信号成正比的脉冲。它由三角波产生器(有的公司生产的D类功率放大器中使用锯齿波发生器)电压比较器和驱动功率场效应晶体管的栅极驱动电路组成。三角波产生器是利用恒定电流对一个电容器的充电和放电而形成三角波。三角波的频率就是D类音频功放的振荡器频率,它是固定的。输入模拟信号和三角波送到电压比较器进行比较,在电压比较器的输出端便得到脉冲,它的占空比和输入模拟电压的幅度成正比,如图2所示。栅极驱动电路利用电压比较器输出的脉冲宽度调制信号形成功率输出电路中各个场效应晶体管的栅极驱动信号,加在功率输出电路中。

功率输出电路通常由两只功率MOSFET管组成,并采用双电源供电,如图3所示。脉冲宽度调制器所输出的两路脉冲信号决定这两只功率MOS-FET管的状态,一路脉冲信号加在MOSFET管VT1的栅极,控制它的状态,另一路脉冲信号加在MOSFET管VT2的栅极,控制它的状态。由于两路脉冲信号的极性是相反的,当VT1导通时,VT2截止,电流经过低通滤波器进入负载(扬声器),从接地端流出来;当VT1截止时,VT2导通,进入负载的电流方向相反。注意,此时负载的一端是接地的。

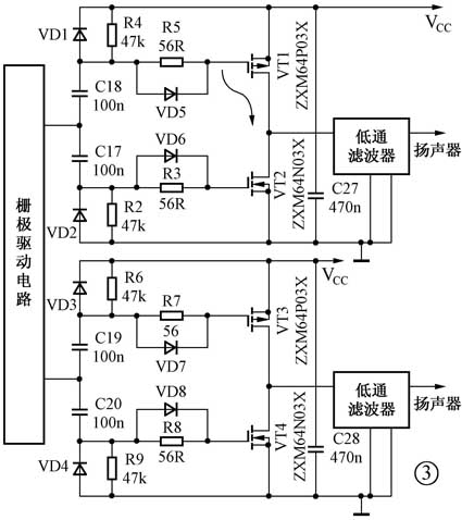
为了提高输出功率和除去单电源供电时输出信号的直流成分,一些厂家的D类放大器以BTL方式连接(如图4所示),使扬声器两端的直流电压为0V。在图4中,脉冲宽度调制器输出的两路脉冲信号决定这四只功率MOSFET管的状态,一路脉冲信号(在驱动电路内部分为两路)加在功率MOSFET管VT1和VT2的栅极上,控制VT1和VT2的状态;另一脉冲信号加在功率MOSFET管VT3和VT4的栅极上,控制VT3和VT4的状态。由于两路脉冲信号的极性是相反的,当VT1和VT3导通时,VT2和VT4截止,电流经过低通滤波器进入负载;当VT1和VT3截止时,VT2和VT4导通,电流进入负载。注意,在BTL方式连接电路中,负载是不接地的。

脉冲宽度调制器和功率输出电路的增益定义为输出电压的平均值与输入模拟电压之间的比值,它等于:GPWM=2VDD/Vpp。式中,VDD是功率输出的供电电压(如果是双电源供电,则是正电源电压和负电源电压的总差值),Vpp是三角波产生器(或者锯齿波产生器)输出的三角波的峰—峰值。
功率输出电路送到负载的信号是一串脉冲,脉冲的占空比和加在脉冲宽度调制器输入端的模拟信号幅度成正比,但是脉冲包含的基频和谐波是有害的,必须通过低通滤波器(Low pass filter)把基频和谐波(超高频)信号滤除,仅留调制音频信号(模拟信号)的部分(如图5所示),用以驱动扬声器。
低通滤波器的截止频率决定功放频率响应的高频上限。此高频上限随着输出负载不同而改变,可选30~40kHz。
低通滤波器的电感器中流过的电流很大,电感线圈的电阻和电容器的等效串联电阻都会消耗功率,也就是说,输出低通滤波器会降低D类功率放大器的效率,必须使用等效串联电阻小的电感器和等效串联电阻小的电容器。用二阶低通滤波器时需要的元件数量少,成本低,对高频的衰减作用要差一些。用四阶低通滤波器需要的元件数量多,成本增高,对高频的滤波效果要好过二阶低通滤波器。提高开关频率可以降低电感器和电容器的数值,从而可以使用体积比较小的电感器和电容器,便于布置印制电路板,也可以帮助降低MOSFET管的开关损耗,同样无源元件的高频损耗也会引起效率下降。在设计时应当在这些互相矛盾的因素之间进行折衷,通常该电路采用功率损耗较小的二阶低通LC滤波器,具体电路见图6。在图6中,二阶低通LC滤波器就是用电感器L1和电容器C23、C24(一个声道)组成的巴特沃斯滤波器。
低通LC滤波器的形式除了巴特沃斯滤波器外,也可以使用切比雪夫滤波器、椭圆滤波器。虽然贝塞尔滤波器的相位特性、线性度在上面提到的几种滤波特性中是最好的,但是其幅频响应的衰减特性的陡峭程度不如其他几种滤波电路,所以在D类功率放大器中不宜使用贝塞尔滤波器。
需要注意的是组成低通滤波器的元件(L1、C23、C24)参数不能随意改变,其取值应该根据扬声器的阻抗RL、最高通过的频率fc以及电路的Q值要求来确定的。其中fc通常在30~40kHz(fc=1/2π√LC ),Q值在0.7~0.53之间效果最佳(Q=RLC/L),若Q值小,则高频响应高端下降得较早,不过下降斜率较小,因而电路较稳定;Q值等于0.7时,响应最平坦,截止频率点前后变化最均匀;如果Q值高于0.7的话,则会使频率响应在fc处出现较大幅度的上冲,导致频率变化剧烈,因此不宜采用。除了用二阶低通滤波器,也可以使用由电感器和电容器等无源元件构成的四阶低通滤波器。
为了稳定D类音频功率放大器的增益并优化频率特性,D类音频功率放大器通常设计有反馈放大器(如图7所示)。反馈放大器是一个差动放大电路,它把脉冲宽度调制器的两路相位相反的脉冲宽度调制信号V+和V-转换成单端电压信号VF。利用数字功放技术生产整机时,音量调节方法通常会成为机种档次的分界线。简单的方法通常像传统模拟功放那样用电位器衰减模拟信号的输入幅度,实现音量衰减。这种方式数字信号的量化比特率得不到充分利用,小音量时信噪比下降,动态范围变小,而且也不能用于数字音频直接输入的系统。较好的方法是采用调节电源电压的方式来衰减音量,以改变加到低通滤波器上的脉冲电压幅度来改变输出功率,这样量化比特率可充分利用。由于电压下降,量化噪声也随之下降,所以音量减小了,但信噪比和动态范围仍能保持不变。由于功放电源的功率较大,改变电源电压不能用电阻衰减或分压方式来实现,必须从电源整流稳压部分开始。有些公司采用的方法是在数字稳压电源的DC-DC逆变过程中,改变占空比来改变最终输出电压。这类方案目前还只应用在分立元件做功率输出部分的整机中采用,集成化数字功放通常仍用衰减模拟输入信号的方法来调节音量。
由于D类音频功率放大器的效率高,甚至可以不用散热器(或者用一个尺寸很小的散热器就足以把热量散发到四周的空间)就可以工作。若采用集成的D类功率放大器时,设计更简单,但是由于在D类音频功率放大器中开关管的开关频率高达250kHz~1MHz,因此布置印制电路板时务必注意以下几点,否则可能使音质劣化,甚至干扰其他用电器的正常工作。
(1) 印制电路板上地线的面积必须足够大;(2) 供电电源的旁路电容器应当靠近D类功率放大器集成电路,连接线短粗为宜;(3) D类功率放大器集成电路和其他元件之间的所有引线都应很短,尤其是它和低通滤波器之间的连线,否则就会产生不希望出现的射频干扰;(4) 组成低通滤波器的元件(电感器和电容器)相互之间也应当尽量地靠近,元件之间的连接线也应短粗为宜;(5) 低通滤波器中的电感器应当采用屏蔽电感器或者环形电感器,以减少滤波器元件所发射的电磁干扰。以上措施,在设计电路和布置印制电路板时务必注意,切不可掉以轻心,否则会产生很强的电磁干扰,从而使产品不能达到电磁兼容性的要求。
(科林)