抢答器电路许多报刊杂志多有介绍,但多数电路设计过于复杂不适宜初学者制作。本文介绍一款简单易做的八路数显抢答器,该电路只使用一块常用数字集成电路,成本低廉且工作可靠。
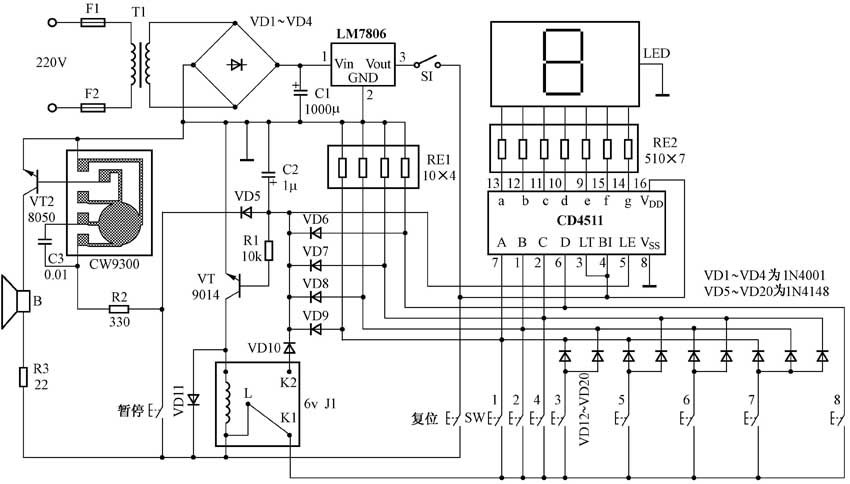
抢答器原理图如图1所示,其核心部件为四/七段BCD锁存译码驱动器CD4511。该集成电路的⑦、①、②、⑥脚为BCD码的编码输入端,③脚LT为试灯脚,④脚BI为消隐脚,⑤脚LE为锁存控制端,⑨~用来驱动数码管显示字符。其中LT、BI接高电平有效,LE脚接低电平选通、高电平锁存。当给ABCD输入端输入不同的BCD编码时,CD4511经过内部电路译码并通过输出端显示对应的字符。本电路即是利用该原理来实现抢答显示的,电源接通时即给电路一个复位信号使得LED显示为“0”。当抢答者按下任一抢答键后便形成相应的BCD编码,高电平同时到IC的第⑤脚使集成电路锁存,同时通过VD6~VD9和R1向VT1的基极加电,使得VT1导通,从而继电器吸合由常闭状态K1向状态K2跳转。在跳转过程中的极短时间内,VT1的基极将失去电压而不导通,导致继电器由K1跳至K2途中落回,而无法实现抢答。为使抢答器实现抢答功能也就是使触点由常闭点K1能顺利跳转至K2,在VT1基极加一电容C2,利用C2的充、放电使得三极管VT1有足够的时间保证触点由常闭点K1跳至K2,从而实现抢答功能,并彻底杜绝了误操作。在触点由常闭点K1跳至K2过程中将产生自感电动势,为防止VT1自身击穿在电路中加了一反向二极管VD11,从而使抢答器工作稳定。

当任一人抢答成功时,高电平除送至VT1基极外,同时经VD5送至音乐片KD9300的电源端和触发端,使得音乐片通过VT2推动扬声器发出叮当响声,表示有人抢答成功。这时主持人可以通过复位键使电路复位,进行下一轮的抢答。当有声音通过扬声器时,为防止大电流将其击穿,这里用电阻R3为其分压。暂停键用于紧急停止或防止提前抢答,当主持人手按暂停键时由于LE端为高电平,当前状态被锁存无法进行抢答,只有将暂停键断开电路才可以正常工作。
器件选择:电源部分采用变压器降压、C1滤波、LM7806稳压提供6V直流电源,S1为线路总开关。集成电路使用CD4511,数码管采用共阴型,变压器使用9V或者是6V小功率变压器均可,二极管型号图中已标出,继电器采用6V普通继电器。电阻采用1/8W碳膜电阻。本电路只要焊接无误即可正常工作,为防静电集成电路焊接时最好使用管座。如果读者朋友想再另加一倒计时装置的话可参见本刊2002年第2期第60页《倒计时定时器》一文。
编者注:CD4511的详细资料见本期配刊光盘的“本期元器件资料”文件夹。
(吴庆州)