用CD4060、CD4040、CD4073和CD4001再加几个元件即可组成一个多功能信号发生器。可输出1Hz~250kHz的19级方波,还可输出行、场同步脉冲信号和简易的反相复合同步信号。可用于各种家电维修、调试以及教学等场合。

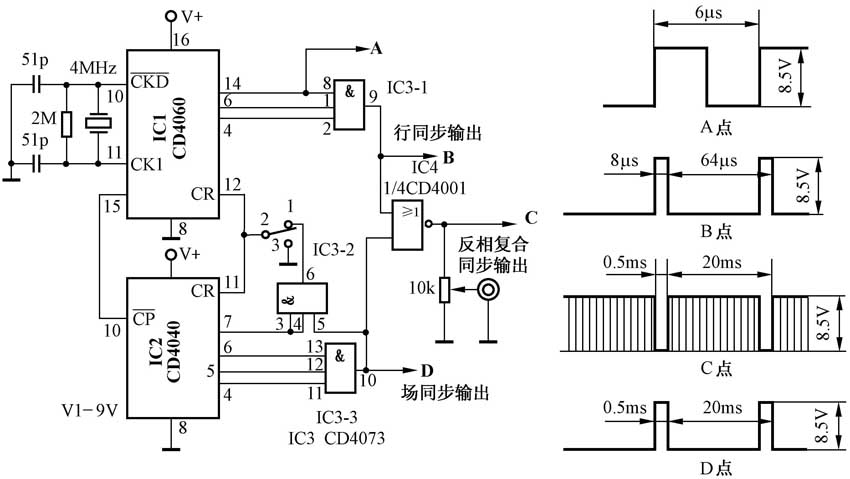
CD4060是一种带有振荡器的14级分频集成电路。本电路应用4MHz石英晶体组成振荡电路,转换开关S的2点接3点时,从⑦脚(见表1)到依次输出7级分频方波,然后通过CD4040的12级分频共构成19级方波输出。当S的1点接2点时,根据我国电视标准规定(见表2)并考虑电路的简捷、实用,其数据选取如下:通过IC3-1行同步周期为T\(_{H}\)=64μs,行同步脉冲宽度取8μs(兼顾行消隐)。通过IC3-1、IC3-2有:场同步脉冲周期T\(_{V}\)=1/2(T4+T5+T6+T7)≈19.968ms,场同步脉冲宽度取T7的1/2为512μs。


以此数据试机后在C点输出简易同步头向下的复合同步脉冲信号。A点输出行同步脉冲,D点输出场同步脉冲。
本电路不用调试,只要电路组装正确即可工作。
(蔡德平)