我们在组建局域网时,需要使用网线测试仪对每一条网线的连通性及线序进行测试;在局域网日常维护工作中,网络出现故障,也常常需要利用网线测试仪测试网线的连通情况。网线测试仪有助于我们方便、快捷地解决这些问题。
在此笔者将自己设计的实用网线测试仪电路介绍给大家,电路如附图所示。本设计电路中元器件全部选用普通元器件,采用巧妙的设计思路来实现对网线测试的功能,本电路具有极高的实用性和性价比,易于制作和调试。
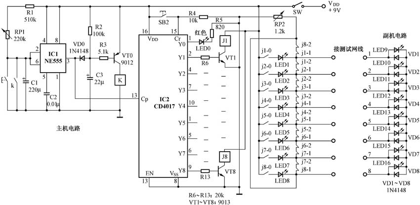
大多数局域网使用非屏蔽双绞线UTP作为布线的传输介质来组网。网线由一定长度的双绞线与两个RJ45水晶头组成。双绞线由8根不同颜色的线分成4对绞合在一起。为测试出每一根线的通断情况及其线序,由附图可见,本电路整体上分为主机电路和副机电路两部分。主机电路中的1~8接线端和副机电路中的1~8接线端分别对应连接到被测网线的两个RJ45头。采用发光二极管LED1和LED9、LED2和LED10、……、LED8和LED16的亮熄状态组合来反映每根连线的通断情况及其线序是否正确,从而得出测试结果。

时基电路NE555及其外围元件RP1、R1和C1组成RC延时电路,以确定对每根线的测试时间。调节RP1的阻值可以改变测试时间的长短。同时,选用八进制计数/时序分配器CD4017来实现有序、循环的选线功能,以确定是测试那一根线。由R6~R13 、VT1~VT8以及继电器J1~J8组成八个功能完全相同的驱动电路,进而组成不同的测试回路,由发光二极管的亮熄情况来表示不同的测试结果。
副机电路仅有8个发光二极管LED9~LED16和8个普通二极管VD1~VD8。主要是配合主机电路工作。
接通电源后,按下SB2按钮,CD4017的Cr端得电,使CD4017清零。Y0输出高电平,点亮LED0(红色),表示将要开始测试工作。同时,SB1闭合对C1放电,NE555的②、⑥脚为低电平,③脚输出为高电平使VD0未反偏,VT0截止,继电器K不吸合。松开SB2按钮后,电容C1开始充电,NE555进入延时状态。当②、⑥脚电位达到2/3VDD时,③脚跳变为低电平,VD0正偏,VT0饱和导通。此时继电器K得电吸合,接点k闭合对电容C1放电,②、⑥脚的低电平再次触发NE555电路,开始进行下一次延时。与此同时,③脚跳变为高电平,其上升沿触发CD4017的CP端,Y0端变为低电平,LED0熄灭,而Y1变为高电平,VT1饱和导通,J1得电吸合,其接点j1-0闭合、j1-1和j1-2断开,构成如下的回路:电源正极(9V)→发光管LED1→被测网线第1根线→副机电路中发光管LED9→VD1~VD8(并联)→可变电阻RP2→电源负极。这样,如果主机电路中的LED1被点亮,副机中的LED9也被点亮,则表示被测网线第1根线为“通”;如果LED1亮、LED9不亮(此时LED10~LED16中有一个亮),则表示线序有误;如果LED1和LED9均不亮,则表示该线为“断”。另外,测试熟练后,还可根据发光二极管的发光强弱判断出该网线的质量好坏。
这样就完成了对网线的第1根线的通断性和线序测试。依次类推,由NE555组成的延时电路周期性输出触发脉冲,触发CD4017的CP端,使VT2~VT8轮流饱和导通,依次驱动继电器J2~J8, 其接点分别组成相应的测试回路,再分别由发光二极管的亮熄规律来得到其他的测试结果。当然,若保持开机状态,网线测试仪将会不断地对网线进行自动重复测试。
本电路中IC1选用NE555, IC2选用CD4017(也可用CD4022代替)。VT0选用9012,β≥90;VT1~VT8选用9013,β≥90即可。LED0使用Ф5mm红色发光管,LED1~LED16使用Ф5mm绿色发光管。K可使用4100系列9V小型继电器,继电器J1~J8则应选择具有两组转换接点的,也可用两个4100系列6V继电器串联来代替,效果也不错。电源采用9V层叠电池。其它元器件无特殊要求。另外,为方便连接测试网线,还应准备两个RJ45插座盒。
电路调试通过后,再分别在主机机壳的RJ45插座盒的前面板上,按发光二极管的直径钻9个洞。在副机机壳的RJ45插座盒的前面板上,按发光二极管的直径钻8个洞。先将发光二极管卡在洞里,再按电路图用连线将各个元件正式焊好。最后,按照EIA/TIA的布线标准中规定的两种双绞线的线序568A与568B(568A标准:橙白1,橙2,绿白3,蓝4,蓝白5,绿6,棕白7,棕8; 568B标准:绿白1,绿2,橙白3,蓝4,蓝白5,橙6,棕白7,棕8),选择其中的一种标准,将RJ45插座上的8个引脚按序号对应焊接到主机、副机的1~8接线端。这序号在测网线线序时非常重要,不能搞错。由于双绞线的最大传输距离一般为100m。因此,在联机调试时,可以用一条100m左右的网线测试,调节RP2使主机、副机的发光管发光亮度合适为宜。同时,调节RP1使延时的时间间隔满意为止(一般间隔3s即可)。
这样,一台实用的网线测试仪就制作完成了。对本电路稍加改进,还可以增加测量BNC同轴电缆有无短路等多种功能。
(孙社文)