AT89C2051是美国ATMEL公司生产的与MCS-51系列完全兼容的8位单片机芯片。它只有20个引脚(DIP20封装),却有15个可供用户编程使用的端口,它内部还集成了2K字节可擦写1000次的可编程闪速程序存储器(Flash Menory),具有很高的性能价格比。笔者用AT89C2051设计制作了电视信号中断记录仪,电路简单、材料低廉,具有精确地实时记录中断具体时刻、中断时间长短的功能。
一、电路结构
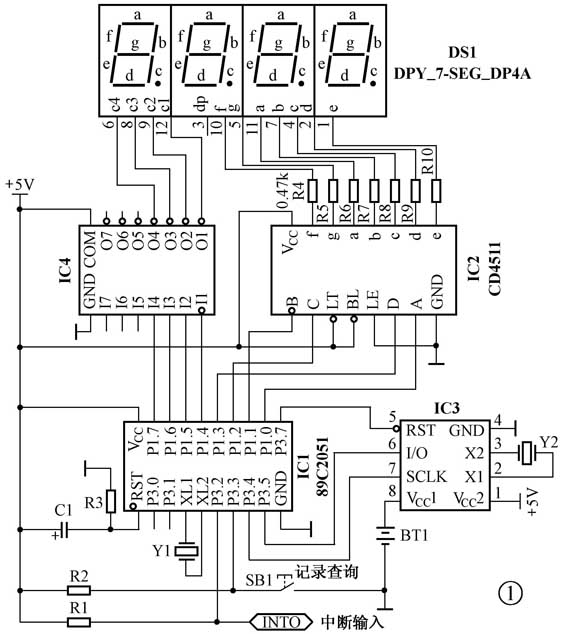
电路如图1所示。IC1(AT89C2051)是整个中断记录仪的核心,它的各个端口的用途分别为:

P1.0~P1.3:连接到IC2(CD4511,七段LED译码器)作为LED显示的段驱动;P1.4~P1.7:连接到IC4(ULN2003,七位达林顿缓冲,现用4位)作为LED显示的位驱动;P3.0(RXD)、P3.1(TXD):留作与PC机通信用;P3.2:接中断源输入(低电平有效);P3.3:中断记录内容查询(低电平有效);P3.4、P3.5、P3.7:分别与IC3(DS1302日历时钟芯片)的RST、SDA、SCL相连,从IC3获得实时的日历时钟数据,作为显示实时钟日历和中断记录的根据。DS1302是美国DALLSA半导体公司(现已并入MAXIM公司)生产的实时钟日历芯片,它记录有1980~2079年的时钟、日历,闰年自动调整,内部还有31字节的RAM供用户使用,可编程对后备电池涓流充电,耗电极省,仅0.3mA,供电2~6V。用户使用时只需对其初始化当前的日历时钟,就可随时读出实时的年、月、日、星期、时、分、秒。
二、记录原理
本记录仪的运行受控于已写入IC1中的监控程序。有视频信号时,电平变换电路输出+5V高电平,送到图1的INT0(中断输入)接口,P3.2高电平,查询按钮SB1未按下,P3.3高电平,中断未发生,记录仪显示正常的时钟(时、分),每隔一分钟显示年、月、日、星期。
当视频信号中断时(同步头消失),电平变换电路输出0V低电平,P3.2变为低电平,中断发生,监控程序立即记录当时的时刻,并启动计秒程序(精确到0.1s),4位LED显示中断的时间长度;中断结束(同步头重新出现),电平变换电路又输出+5V高电平,监控程序立即退出计秒程序,并记录这个时刻和此时计秒程序终止秒数(精确到0.1s),重新显示正常时钟。
当按一下SB1时,P3.3得到一个低电平脉冲,监控程序立即调用查询记录程序,将最近发生的中断记录(包括中断发生的时刻、中断的时间长度)在4位LED数码管上显示出来,如果此时又再按一下SB1,又会显示前一条记录,如此类推。如没按,则退出查询记录程序,重新显示正常时钟。
记录仪的汇编源程序见本期配刊光盘的“本期程序”文件夹。
(阮坚平)

