故障现象:
卡座放音时磁带不走,其他功能正常。
分析与检修:
开机测电机两端电压为0V,测BA6208驱动集成块,其直流工作电压正常,检查其相关电路元件正常,由此判断集成块BA6208已损坏。更换集成块BA6208后试机,故障排除。
2.机型:山水DA—E50组合音响
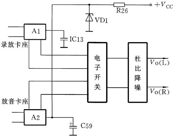
故障现象:
两卡座不能放音,但磁带走动正常。
分析与检修:
该机电子开关转换电路见附图。该机两卡座放音前置放大器的输出信号经过电子开关转换后加到杜比降噪电路上,检查电路中相关元器件R26、IC13、C59和VD1,发现VD1短路损坏。更换同型号稳压二极管VD1后,故障排除。
3.机型:山水DA—T750组合音响
故障现象:
开机电源指示灯亮,但操作键均失效,收音不响,磁带录音座不工作,显示器不亮。
分析与检修:
从现象分析,故障可能发生在电源部分。从电源部分原理可知,(A/1)输出电压应为13.5V,(B/1)输出电压为5.6V,这两组电压是主要供电电压。故首先对这两组电源进行检查,发现用万用表直流挡测(B/1)电压为5.6V,正常,而(A/1)输出电压为0V。(A/1)电压是由晶体管mQ5提供的,mQ5还供给晶体管mQ2(13V稳压器)、晶体管mQ3(12.5V稳压器)的偏置电压。由于mQ5无电压输出,故造成上述各组电源均无输出,使机器不能工作。检查晶体管mQ5正常,再进一步检查mQ5偏置电路,发现电容mC16(220μF/25V)击穿,造成mQ5基极为零电位,使其截止,从而无电压输出,并造成mQ2(13V稳压器)、mQ3(12.5V稳压器)均无电压,使机器操作失灵。更换mC16(220μF/25V)后试机,故障排除。
4.机型:山水T—E770组合音响
故障现象:
整机不工作,显示屏也不亮。
分析与检修:
首先检查显示电路供电情况,发现显示屏及显示驱动IC4均无-30V(V\(^{KK}\)负压),再查-VKK稳压器mQ1无V\(^{B}\)电压,R2一端也无电压。经查为mQ1(A933)断路,DZ1(30V稳压二极管)击穿。更换损坏件后,测-30V正常,但整机仍不工作。沿着-30V电压查到操作电路板时,-30V电压分为两路,一路供给显示屏②脚,另一路供给IC4的①脚。将该管脚断开后,显示屏亮,说明显示屏正常,故怀疑IC4内部损坏。经检查发现刚更换的mQ1及R2均很热且烫手,说明-30V供电负载电流很大。由于IC4既是数码显示屏的显示驱动,也是操作控制IC的,一旦损坏,就会造成整机不工作。仔细检查IC4周边电路、5V供电及X02晶体等均无异常,由此判断IC4损坏。更换IC4(TMP47C870N)后,故障排除。
5.机型:山水T—1000组合音响
故障现象:
该机收音头为立体声,调频段接收时,左声道正常,右声道无声,其他部分正常。
分析与检修:
从现象分析,故障可能发生在立体声解码器至输出电路之间。打开机盖,检查输出插座及立体声解码器均无异常现象。由于该机在无信号或选台时具有自动静噪功能,怀疑可能是右声道静噪电路误动作或电路工作异常引起的,断电后检查其静噪电路,发现Q11(RC3327)静噪管电压不对,焊下Q11,查其e、c极击穿短路,由此断定是右声道信号对地短路引起故障发生的。更换同型号Q11后,故障排除。如购不到原型号晶体管,可用2SC1815直接代换。
6.机型:山水CD—X950组合音响
故障现象:
CD激光唱机放入唱片,放唱几秒钟后,显示屏显示“NO DISC”。
分析与检修:
打开机壳,在放唱片时,闭合托盘,观察激光头透镜,有上、下移动过程,且透镜内有红光射出,说明激光头基本正常,但放入唱片后转一会儿则不转了。经仔细检查发现激光头在停止状态时,仍处在滑动导轨的中央略外的位置,正常情况时应处在中央位置,因而导致激光头无法读取CD盘初始区信号数据,造成唱盘不播放的故障。当用手去转动加载电机齿轮时,感到阻力很大。将机芯分解后,检查发现加载电机齿轮的齿间有许多脏物,使两齿之间被卡住。进行清理并调整齿轮高度,重新组装好机芯后试机,故障彻底排除。
7.机型:山水SA—P990台式组合音响
故障现象:
A卡磁带放音时,声音时有时无,并有噪声,B卡录放音正常。
分析与检修:
从现象分析,怀疑机内存在接触不良的现象。其主要原因有:
(1) 录放转换开关接触不良;
(2) 磁头音频输出线插头与电路板插座接触不良;
(3) 磁头引脚或引线接触不良;
(4) 磁头均衡放大器有故障。
经仔细检查发现故障在磁头输出线到放大器电路之间的插座上。由于插头内的簧片与磁头引线的连接不是焊接而是挤压连接的;磁头引线均为多股音频线,每根线都很细软,在簧片中不易夹紧;磁头工作时滑板来回移动,磁头线也随之运动,从而造成引线与簧片之间松动而接触不良。
将簧片从插座中取出,用焊锡将引线与簧片直接焊在一起,再装入插座内,并用绑线将磁头输出线的一端固定,不受磁头滑板上、下移动的影响,故障排除。
(扬帆)
