一般彩电遥控系统的本机键盘,几乎都采用脉冲扫描方式,其本机控制键通常构成键盘矩阵。例如图1中,CPU①~④脚为键盘扫描输出端口,⑤~⑧脚为键盘扫描输入端口。四条输入线与四条输出线共组成4×4的键盘矩阵,即可以设置16个本机控制键,但却要占用CPU的8个引脚,这是很不划算的。为此,目前新型大屏幕彩电均采用分段式模拟电压输入方式,也称电压比较输入方式。现以图2所示电路为例作一说明。


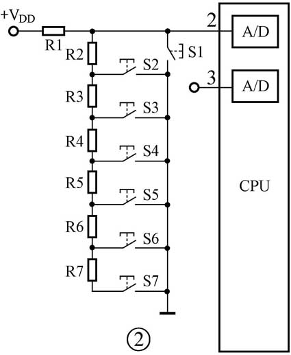
在图2中,CPU的②脚与③脚是本机控制电压输入脚,在CPU芯片内,每个引脚都接有一个3位或4位的模/数转换器,它能将该脚输入的直流电压转换为3位或4位二进制数字量。在CPU本机控制电压输入脚外面接有电阻分压网络,在分压节点到地之间接有控制按钮。当某一个控制按钮按下时,其相应的直流电压便从控制输入脚输入至芯片,经片内模/数转换器变成数字量,CPU根据事先的软件设计,判断这3位或4位数字量之值,从而确定是哪一个按钮被按下,并按照该按钮事先规定的功能,发出相应控制指令,再通过数/模转换器转换成对应的模拟控制电压(或通过I2C总线)去控制相关的执行电路。
由数学知识可知,若CPU的控制输入脚内的模/数转换器是n位(n=3或4)的,其分辨率则为1/(2\(^{n}\)-1),故最多可设置2\(^{n}\)-1个控制键。比如:松下M16M机芯彩电的CPU内的模/数转换器是n=3,故每个输入脚最多可设置2\(^{3}\)-1=7个控制钮,若设置13个本机控制键,只需占用CPU的2个引脚即可。也就是说,CPU的某一输入控制脚的功能是复用的,而不像传统脉冲扫描输入方式是单一的。
下面仍以松下画王M16M机芯彩电为例来说明上述CPU输入控制脚的复用功能设置原理。该机芯CPU②~⑧脚为状态控制输入脚,现以②脚为例来介绍,松下M16M机芯彩电功能设置电路(局部)如图3所示。面板本机键盘输入电路由R1044~R1049 六个电阻组成,在各电阻与地之间设置了S001~S007共七个按钮。按不同的按钮,将使②脚获得不同的直流电压,微处理器将根据输入电压高低来判别按下的是哪个功能键,并发出相应指令。S001~S007按钮基本功能见附表。

在此必须指出,②脚本机键输入控制功能远不止上述表中7种功能。例如:按一下S006键,微处理器确认输入的是自动调谐(AUTO TUNE)信息,将执行该功能;若按两下S006键,微处理器确认输入的是手动调谐(MANUAL TUNE)信息;若按三下S006键,微处理器将确认输入的是伴音制式(SOUNDSYS)切换信息;若按四下S006键,微处理器就确认输入的是彩色制式(COLOUR SYS)切换信息;按五下S006键,微处理器即确认键盘输入的是频道写入(CHWRITE)信息;如按六下S006键,微处理器就判定为输入的是微调谐(FINE TUNE)信息。又如音量升/降键S004/S003,不但可以实现音量大小的控制,而且在S006键的引导下,还可以实现频道的手动搜索和伴音制式、彩色制式的手动切换及微调谐等。比如:按两下S006键后,再按S004键,电视机就进入手动调谐模式,且向正(升)方向搜索,若是按的S003键,则向负(降)方向搜索。再比如:若按六下S006键后,再按S004键,电视机就向正方向进行频率微调,若按的是S003键,机器就向负方向(频率降低方向)进行频率微调。在此,限于篇幅不再赘述。现在的新型、大屏幕彩电的本机控制键,通常一键能执行多种功能。
说到这里,有读者可能会问,对某一按钮而言按一下也好,按两下也罢,由上述可知,输入给CPU某功能设置脚的电压是不变的,按理只能使CPU执行某一项功能,然而为什么按的次数不同,就能执行不同的指令呢?原来,我们每按动一次按钮时,就会给CPU发出一次脉冲,然后CPU就会根据事先的软件设计,按照脉冲次数执行相应的指令。
最后顺便指出,本机键盘的模拟电压输入控制方式,虽可使CPU的功能设置脚减少,使控制键盘电路简化,但同时要求按钮及键盘输入不能有丝毫漏电,分压电阻的精度也要求相当高,否则,将会使CPU功能设置端的输入电压发生变化,并随之产生千奇百怪的故障。若维修者不了解这一点,常会使维修者陷入困境,因此,必须引起维修者的高度重视。
(王绍华)