在本期,笔者介绍一款采用4个扬声器单元制作的三分频音箱。
扬声器选择
扬声器均选用南鲸牌扬声器。在该款音箱中,中低音扬声器单元口径均为5英寸。中低音扬声器选用了音色朴实的涂胶盆低音扬声器,型号为YDZ125-8F;高音选用了音色明朗,抗过载能力强的钛膜球顶高音扬声器,型号为YDQG20-8F;低音扬声器选用了YD200-8XPC。本音箱所用扬声器技术参数如表1所示。

箱体制作
本音箱的宽、高、深(本系列文章图中所标注的宽度均为前面板尺寸,不包括左右板)分别为245mm×1080mm×320mm。本音箱高音扬声器采用镜像排列的方式,左右声道箱体面板分别如图1、图2所示。该款音箱的侧面图如图3所示。由图3可以看出,该款音箱的箱体内部实际上分成两个完全分隔的箱室,上方的箱室实际上就是一个三分频倒相式书架箱,箱体下方则是一个倒相式低音音箱。这样做的好处就是可以充分发挥中等口径扬声器的中频效果好的特性,同时又可以弥补其低频欠佳的缺点,因此具有很高的性价比。



分频器制作
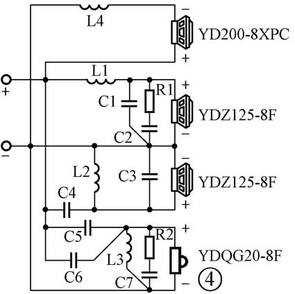
图4是笔者制作这款音箱时实际采用的分频器电路图。本音箱的分频器电感全部采用空芯无氧铜漆包线绕制,如果采用磁芯电感则可能达不到预期的效果。在8英寸低音扬声器中只串联了一个1.6mH的电感作为滤波元件,因此,有部分中频信号也可以通过这个8英寸低音扬声器重放出来,故若觉得中频过浓时,可以稍微减小C4的电容量(10~22μF)来达到平衡。C5、C6为高频耦合电容,此电容对音质影响极大,最好选用优质电容器,由于其容量较小,故笔者在制作时选用了WIMA电容,而且在该电路中采用了两个电容并联的方式,这样可以减少电容高频内阻对高频信号的影响。分频器所用元器件的参数如表2所示。


由于本款音箱的功率较大,因此,功放的输出功率要达到50W以上(晶体管功放)才可以将它推得很好,因此要想充分发挥它的潜能,最好为它配一台大功率、高电流输出的功放。另外,在配接电子管功放时,音箱要接在音频输出的4Ω端子上。
本音箱所用扬声器的销售信息见本期第72页的广告。
(科林)
编后:
在本系列文章刊登期间,我们收到大量读者的来信和电话,希望看到更多的制作实例,因此我社计划将近百例精彩实用的音箱制作文章汇集出版,以满足广大读者的需要。