根据反馈在电路中是加强还是减弱输入信号的作用可分为正反馈和负反馈。负反馈在低频放大中可以改善频率响应以及稳定工作状态,所以负反馈在低频放大电路中有广泛的应用,因此在分析电路时能够快速而准确的判断负反馈类型就显得尤为重要。在此笔者把自己所总结的方法介绍一下,掌握此方法就可以轻松地判断反馈类型了。
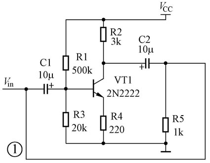
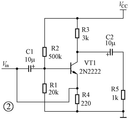
负反馈分为电压串联负反馈、电压并联负反馈、电流串联负反馈、电流并联负反馈。因此判断反馈类型分两步,先判断是电压负反馈,还是电流负反馈。方法如下:将负载短路,如果还有反馈信号的就是电流负反馈,否则就是电压负反馈。举例如下:
如图1所示,把R5短路,则反馈信号为0,所以为电压反馈。

如图2所示,如果把R5 短路,则还会有反馈信号,所以为电流反馈。

然后判断是串联还是并联反馈,方法如下:如果反馈信号和原信号同一端输入则为并联反馈,否则就是串联反馈。图1、图2中反馈信号和原信号在同一端输入,所以都是并联负反馈,读者可以根据此原则分析其他电路。
(林夕)