业余下棋很多人都希望有个裁判器,使得平时下棋也像正规比赛一样规范,并能进一步提高自己的棋艺水平。本文介绍一款简单易做且成本低廉的棋类裁决器,它是采用纯数字电路来实现每步计时限时和走步累计时功能。
在下棋过程利用本裁决器中,棋手每走完一步按一下自己面前的按钮即可实现如下功能:当甲按自己面前的按钮时,甲的累计时时钟暂停计时,乙的累计时时钟则开始计时,同时乙灯亮,每步限时时钟显示为乙走该步用的思考时间;当乙落棋后按下自己面前的按钮,此时甲灯亮,每步限时时钟显示为甲走该步用的思考时间,同时乙的累计时时钟暂停计时,甲的累计时时钟开始计时,如此循环。这里累计时时钟显示的是分钟,但它是精确到秒计时的,可显示0~99分钟,每步限时这里设定为50秒钟报警提醒60秒判负,读者朋友在制作时可利用CD4017的Q端在10~90秒钟之间的整时段任意设置。
电路工作原理

图1是一个简单的秒脉冲产生电路。该电路通过CD4093的一个与非门构成多谐振荡器,产生10Hz的脉冲信号,然后由十进制计数器CD4017的CP端输入,经十分频后得到秒脉冲。电容C1连接与非和地之间,CD4093的输出通过电位器RP1和R1反馈到输入端,电容的充放电取决于CD4093输出端的逻辑电平。当电容C1的电压达到触发电位时,IC1输出触发信号,电路开始工作。调节RP1的阻值可以得到准确的秒脉冲。在制作过程中如果需要秒脉冲十分精确,可用图2所示的电路来产生精确秒脉冲,该电路使用了晶振,故而走时精确。可调电容用来调节脉冲周期,使时间更加准确。

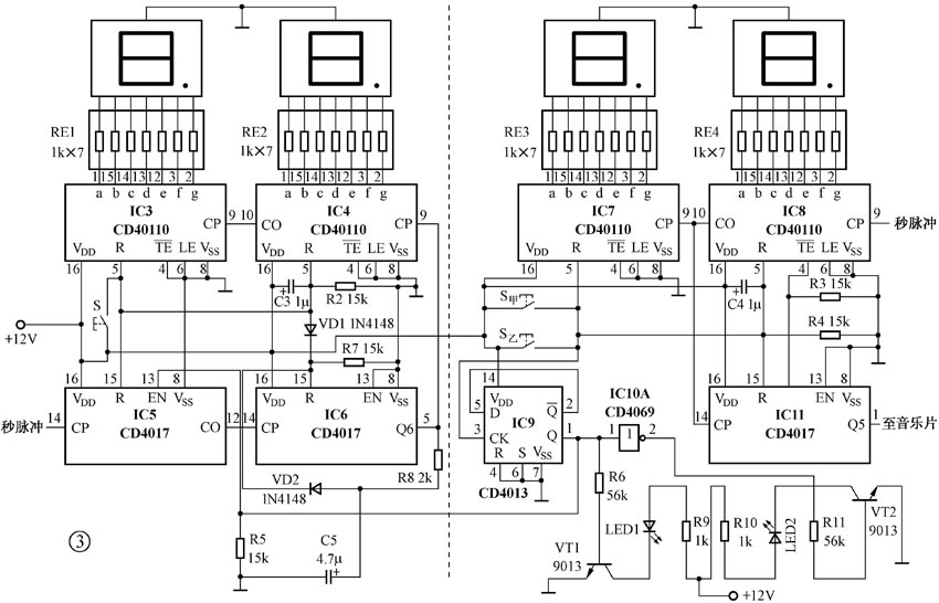
图3电路中虚线左侧为甲乙走步累计时电路中的其中一个,另一电路与此电路完全相同。S1为复位按钮,平时IC3、IC4、IC5、IC6的R端被R2下拉为低电平,当按下S1瞬间R端为高电平,从而实现对走步累计时电路的复位,利用电容C3充放电使得电路具有上电自动复位功能。秒脉冲信号由IC5的CP端输入,经10分频后产生周期为10秒的脉冲信号由CO端输出,IC5在接到前5个秒脉冲时输出为低电平,接到后5个秒脉冲输出为高电平。IC6接到IC5的脉冲信号后开始计数,当计到第6个脉冲信号时即相当于60秒时,Q6输出为高电平,并加到计数器IC4的加法时钟脉冲输入端,使得IC4进行计数并通过数码管显示数值,同时Q6的高电平经R8、C5组成的延时网络加到IC6的R端进行复位使IC6重新开始计数。当IC4计到10时由10脚输出进位脉冲使IC3计数。在计数状态时IC5的13脚EN端为低电平,当给IC5的13脚高电平时计数器IC5停止计数,即整个走步累计时电路暂停计时。

图3中虚线右侧为每步限时电路,其原理与左侧走步累计时电路相似。秒脉冲直接进入IC8进行计时,同时通过数码管显示时间。当甲按下一次S甲后,计时电路复位重新计时。在甲按S甲时,IC9的D触发器获得一个高电平脉冲信号使得Q端输出高电平,IC5不工作,LED1发光表示计时电路为乙计时。同时Q端的高电平经IC10的非门变成低电平LED2不发光,乙的走步累计时电路工作。当乙按一下S乙时电路工作状态则反之。当IC8计到10时,产生进位脉冲同时触发IC11开始计数, IC11计到5即50秒时,Q5输出高电平触发音乐片发出三声报警声来提醒棋手。音乐报警电路可采用KD-9300,其他声报警电路亦可,限于篇幅这里不再叙述。当60秒钟时Q6输出高电平使IC8的计数允许控制端④脚亦为高电平,计数器IC8停止计数,此时表示甲或乙已经被超时判负。
器件选择与调试
各元器件规格及型号电路图中已给出,由于电路使用的都是数字集成电路,在焊接集成块时最好使用管座,以免电烙铁的静电将集成块击穿。在调试过程当中如遇到显示乱码,则需仔细检查何处接错,改正后即可。
(吴庆州 戴新宇)