西门子3618/6618手机是西门子公司推出的商务手机,该机功能强大,内置了348KB动态内存。该机支持GPRS、WAP、红外线传输、英汉字典功能、电子书和几乎所有的商务功能,人们可以利用该机的GPRS功能实现电脑无线上网,也可以将自己喜欢的铃声、图片、电子书、声音文件等信息存储到手机中,甚至可以将手机作为移动存储器来使用。
要充分利用该机的强大功能,一条稳定可靠的西门子手机数据线是必不可少的,另外还需要从互联网上下载一个西门子手机专用软件“手机工作室”。该软件可在http://down-load.pchome.net/home/mobile/general/11331.html下载。“手机工作室”是免费软件,它支持Win98/Me、Win2000/XP操作系统。软件无需安装,解压缩后用鼠标双击程序图标即可运行。图1为“手机工作室”的运行窗口(见本期配刊光盘“本期图片”文件夹)。该软件功能强大,操作简单、方便,每项功能都有帮助或操作提示,即使是电脑初级用户也能很快上手。“手机工作室”软件的主要功能有:查看手机的基本信息;管理/备份和发送手机短消息;管理手机待机图片/屏幕保护;管理手机通讯录/电话簿;管理手机日程;铃声下载和发送到手机;制作、阅读,上传电子书;管理手机文件、格式化。
目前,能够在市场上买到的西门子手机数据线有两种:一种是西门子原厂数据线,此种数据线在市场中很少见。 原厂数据线制作精良,工作较稳定,但是售价较高,约一百多元一条;另一种是几十元一条的兼容数据线,这种线无论是做工还是用料都较差,经常发生找不到手机、信号错误、甚至根本无法正常工作的情况。
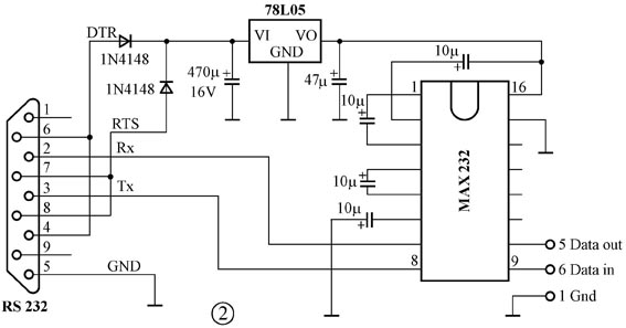
笔者对这两种数据线进行了分析, 发现它们的内部电路基本相同 ,电路如图2所示。电路的核心是一块用于电平转换的专用集成电路MAX232,MAX232的电源由电脑的串行接口经过两个二极管整流、三端稳压器78L05稳压后提供。原厂数据线采用的是国际大厂生产的贴面型MAX232,而兼容数据线生产厂家为了降低成本,往往采用的是国内生产的双列直插型MAX232。双列直插型MAX232的功耗要比贴面型MAX232的功耗大,而电脑串行接口的电流输出能力有限 (串口输出电流的大小与电脑主板采用的串口芯片有关),当电脑串行口输出电流无法满足手机数据线工作需要时,数据线就会工作不稳定甚至无法使用。由于兼容数据线比原厂数据线功耗大,所以兼容数据线不如原厂数据线稳定。

既然供电不足是数据线工作不稳定的主要原因,那么,只要为数据线提供充足的电流,制作出能够稳定工作的数据线就不是什么难事了。电脑上常用的外部接口有USB口、键盘接口、鼠标接口、串口、并口等,这些端口的电流输出能力如表1所示。

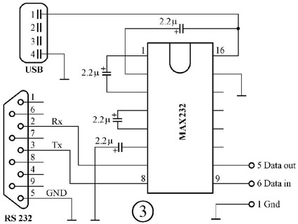
由表1可见,USB口输出电压能够满足数据线的用电要求,输出电流足够大,取电也方便。因此,将电路图2进行修改,变串口取电为USB口取电即可,修改后的电路如图3所示。

制作所需材料为:USB线一条;三芯屏蔽线一米;串口插头一个;西门子手机数据端口插头一个;MAX232一片;2.2μF/16V电解电容四个;2.5cm×3cm 单面PCB板一块。
制作时将USB线剪断后,露出红、绿、黄、黑四种颜色的导线,其中红色线为+5V,黑色线为地线。USB端口如图4所示。

西门子手机数据端口插头很难买到,可以用西门子手机充电器插头或西门子手机耳机插头改制。西门子手机充电器插头原金属触点在1、2、3位置,打开充电器插头,小心抽出金属簧片,将金属簧片改插在1、5、6的位置。改制前后的插头见图5所示。
焊接电路时,为了避免电烙铁漏电损坏集成电路,应断开电源,利用电烙铁的余热焊接。
串口插头和三芯屏蔽线可以用MO-DEM数据线代替。本人就是用一条MO-DEM数据线和一条光驱到声卡的音频线改装制作的,其中25针串口插头的内部空间正好用来放置电路板,见图6。
制作完成的手机数据线如图7所示。将数据线的RS-232插头接电脑的COM 1口,USB插头接电脑的USB口,数据线的另一端接上手机。运行“手机工作室”软件,单击手机信息图标,再单击自动检测选项,电脑很快就发现了手机,并自动设置好了联接参数,联接速率达到了115.2Kb/S。单击手机信息选项,手机的各项基本信息都显示在了窗口中,见图1。
上网后,将6618手机的最新软件版本24版下载回来,运行升级工具软件,用了不到20分钟时间,手机即可由05版变成了最新的24版。随后,把自己喜欢的铃声、图片、电子书传给手机,将手机的电话簿、通讯录传到电脑进行了备份。为了试验数据线的工作稳定性,我还在手机内存中反复建立、删除文件夹,存储、删除文件,进行格式化等操作,数据线工作非常稳定。
实验发现,该数据线还适用于35××系列及668×系列西门子手机。
编者注:“MAX232”的详细资料见本期配刊光盘的“本期元器件资料”文件夹。
“手机工作室”软件见本期配刊光盘的“本期程序”文件夹。
(高永春)