北京 张一敬:一台索尼CD放音板,BA6290FP失效,请告知引脚功能及代换型号。@
BA6290FP是CD放音机功率驱动集成电路,各引脚功能是:①V\(_{CC}\),②、③外接聚焦线圈,④聚焦误差放大负反馈,⑤聚焦误差输入,⑥偏置,⑦静噪,⑧循迹误差输入,⑨循迹误差放大负反馈,⑩、接循迹线圈,地。BA6290FP可用KA9257直接代换。@
河南 闫和义:一台牡丹MT-205收录机,功放块μPC2002损坏,可用什么型号代换?各引脚功能是什么?@
μPC2002可用相同封装的TDA2002、CA2002、TBA2002直接代换。各引脚功能是:①音频信号输入,②负反馈,③接地,④功放输出,⑤电源VCC。@
山西 蒋云川:一台4.5V直流供电的老袖珍收音机,ULN2204失效,可用什么型号直接代换?@
ULN2204是AM调谐、AM/FM中放、音频功放集成于一体的电路,可用易购的TA7613AP、TA7613BP、TDA1083直接代换。@
天津 余文效:一台夏普彩电,怀疑图像中放集成电路IX0464CE有故障,如何判断?有无代换型号?@
IX0464CE是30脚双列直插封装,④脚图像VCC、12V,伴音V\(_{CC}\)、12V, ⑧、⑨脚图像中频信号输入、3.5V。触碰⑧、⑨脚,屏幕应有杂波。此外,芯片正常工作电流50~70mA。若以上不正常,则芯片失效,可用M51353SP直接代换。@
河北 马仲:一台雅马哈录音卡座,TA7629P杜比B型自动降噪电路失效,可用什么型号代换?@
TA7629P可用相同封装的LM1011A、NE645B、μPC1180C直接代换。@
广东 黄森宇:一台夏普直角平面彩电,图像及伴音中放系统集成电路IX0711CEN1可能失效,不知如何判断,有无代换型号?@
IX0711CEN1的⑦脚V\(_{CC}\)电压约9V,此时测中放输入端④、⑤脚应为2.4±0.8V,若偏离大,外围元件正常,则芯片内部失效。若④、⑤脚电压正常,测中放AGC输出端①、第一中放输出②,应为3.4V,中频调谐回路应为4.9V,否则内部失效。若购不到IX0711CEN1,可用M51346P、M51496P直接代换。@
福建 刘海涵:一台松下彩电,不知为什么连烧AN5521,可用什么型号代换?@
AN5521是彩电场扫描输出电路,当烧坏时应检查⑦脚V\(_{CC}\)端的保险电阻是否烧断,若烧断,必须再检查③、⑥脚之间的场脉冲升压电容,此电容变质、容量下降易烧坏场集成块。AN5521可用DBL2050-C、ECG1782、RH-IX0948CEZZ等直接代换。@
广西 林子岚:一台日立GTP-236D彩电,行场扫描集成电路HA11235损坏,可用什么集成电路直接代换?@
HA11235外形18脚双列直插,可用相同封装的HA11235A、ECG1550、RH-IX0065CEZZ等直接代换。@
广东 王伟刚:一台索尼牌CDP-40型CD放音机,托盘驱动三极管C3666及其配套的A1426失效,其主要参数及代换型号是什么?@
C3666即2SC3666,V\(_{CBO}\)=30V,I\(_{CM}\)=1A,P\(_{CM}\)=1W,代换型号有:2SD863、2SD973、2SC3243、2SD1225M。A1426即2SA1426,Q\(_{CBO}\)=35V,I\(_{CM}\)=0.8A,P\(_{CM}\)=1W,代换型号有:2SB544、2SB793、2SA1283、2SB909M。@
河北 唐晓坤:一块监控板,使用了HEF4052B,不知如何判断好坏?可用什么型号代换?@
HEF4052B是双四选一模拟开关,只有当⑥脚低电位时,方可根据⑨、⑩脚高低电位组合,选通相应输入信号。例如⑨、⑩脚同时为低电位,这时,输出脚选通输入信号;同时,输出脚③、选通①脚输入信号。参照真值表(见附表),逐一判断每个开关是否失效。若损坏,可用相同封装的TC4052BP、HD14052BP、BU4052BC、MC14052B等直接代换。

@
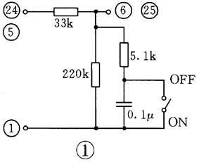
山东 安其波:在维修随身听中,经常碰到LAG668F损坏,不知是否可用易购的LAG665F直接代换?
?9
LAG668F与LAG665F都是立体声单片放音机电路,28脚双列扁平封装,引脚排列及引脚功能相同。从功能方面看,可用LAG665F代换LAG668F。但LAG668F的资料称其内含低音提升功能,只需外接3个电阻和一个电容,如图1所示。实测两集成块,前置级增益相同,而功放级,LAG668F是38dB,LAG665F只有26dB。正因为LAG668F增益高,所以只用阻容元件就简单地实现了重低音提升,而LAG665F需增加三极管才能实现,如图2所示。如果原机没有重低音功能,可用LAG665F直接代换LAG668F。如果原机有重低音功能并需保留,需按图2改造。若不保留重低音功能,可将每一路的三个电阻,一个电容拆下,并将⑤脚和⑥脚短接,和短接即可。


@
山西 吴峪山:一台松下TC-29GF彩电,一只集成电路XRA15218N可能失效,请问各引脚功能及代换型号是什么?@
XRA15218N是双运放,8脚单列封装,各引脚功能是:①输出1,②反相输入1,③正相输入1,④负电源电压,⑤正相输入2,⑥反相输入2,⑦输出2,⑧正电源电压。XRA15218N可用BA15218N直接代换。