让创新的智慧闪光
2003年8月16-20日,在甘肃省兰州市举行了第18届全国青少年科技创新大赛。
该项赛事由中国科协、教育部、科技部、国家自然科学基金委等共同主办,是一项全国性青少年科技创新和科学研究项目的科学比赛。它开始于1982年,目前已成为国内面向在校中小学生规模最大、层次最高、最具示范性和导向性的全国青少年科技教育活动之一,同时也是目前中小学各类科技活动优秀成果集中展示的一种形式,其根本宗旨在于推动青少年科技活动的蓬勃开展,培养青少年的创新精神和实践能力,提高青少年的科技素质,鼓励优秀人才的涌现。
大赛包括竞赛活动和展示活动两个系列。竞赛活动包括发明创造及科技创新作品和科学研究论文竞赛,涉及数学、物理学、化学、生物化学、微生物学、环境科学、工程学、信息技术、动物学、植物学、生命科学、地球与空间科学、社会科学。展示活动有各地青少年开展的优秀科技实践活动展览与交流(251项)、少年儿童科学幻想绘画展览(424幅)和优秀机器人创意设计展示(30项)。
共有来自全国各地包括香港、澳门特别行政区在内的413名中小学生的271项科技创新试验项目和研究成果参加了角逐。
本届比赛在参赛人数、作品数量、奖金总额以及到会采访记者数量均创历届最高,反映出了青少年科技发明活动蓬勃发展的趋势,引起了社会各界广泛的关注和参与。
本刊采访报道组专程赶赴兰州,从参赛作品中精选了8项工程学类的电子小发明进行了详细报道,希望通过摄像机镜头向你展示当代青少年小发明家的风采和精彩作品,也为电子科普工作者们提供一些有价值的参考活动项目。
此次报道我们特别邀请了多年从事科普教育的特级教师、北京市有特殊贡献的专家孙心若老师作为主持人为读者朋友现场讲解电子小发明的原理、功能,事后孙老师特别提示青少年无线电爱好者:其实参展的发明并不难,也不复杂,关键是要利用所掌握的电子知识,解决生活中的实际问题,或对原来的功能、性能进行改进。比如《高灵敏度自动水平尺》、《牲畜产羔告知器》、《红外线遥控语言报时钟》、《钳形直流电流表》等作品,电路非常简单,如果只看电路,稍有一点电子基础知识的爱好者也许会不屑一顾。但他们却都解决了生活中遇到的问题,甚至填补了相关领域的空白,所以学电子关键在于应用、在于实践,目的是要让电子设备服务于生活,给生活带来方便,从中你一定能体会到动手的快乐、成功的快乐!
《无线电》杂志的办刊宗旨是“普及电子技术知识,培养电子科技人才”,其中“科普”是手段,“育人”才是目的。正如本届大赛的主题——“让创新的智慧闪光”所说,只有把电子科普活动当作一种载体,重点培养青少年爱科学、用科学、勤动手、勤动脑的好习惯,才能让创新的智慧源源不断,闪闪发光!
高灵敏度自动水平尺
北京市第十五中学 律 晔
全国一等奖

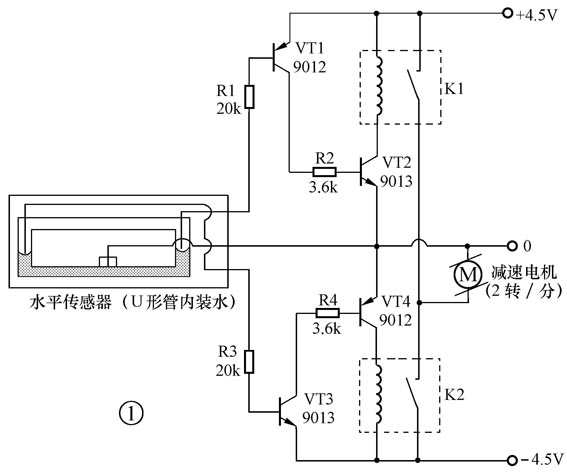
本发明是一种利用连通器传感的自动调节的水平尺。它由连通器水平传感、机械水平调节、激光发射等部分组成(见图1)。本设备能通过U形管中水银液面高低变化来判断尺身是否水平,并通过电机的动作自动调节,水平后,发射出激光水平线。由于它采用了水银连通传感器(见图2),因而具有较高的灵敏度,同时它实现了自动水平调节的功能,打破了水平尺需要手动调水平的概念,让其自己“找”水平。它具有自动调节、灵敏度高、使用方便、造价较低等优点,在工地实测中取得了良好效果,所以本发明具有很高的实用性。

作品的三性:①科学性。它是一种利用自动控制技术自动调节水平状态的水平尺。②先进性。它利用了内装汞的连通器制造的水平状态传感器。由于连通器的长度大,所以在改变它与水平面的夹角时,连通器的两端汞液面的高度差也很大,因此用它制成的传感器有较高的灵敏度。③实用性。它可以自动调节水平状态,省时、省力、省工。
点评:可以发明更加小巧的新型“水平传感器”,制作出更加小巧的自动水平尺或水平平台。可将竖直反射镜放入防风罩中,避免风的影响。可将竖直反射镜的防震阻尼部分改为磁阻尼。
钳形直流电流表
浙江台州市台州初级中学 阮诚龙
全国一等奖
钳形电流表是一种不用把电路断开就能直接测量导线中的电流的设备,常用的钳流表只能测交流电流。该发明利用霍尔元件通过测量直流电流流过导线时产生的磁场来达到间接测量直流电流的目的。电路图中R1、R2构成电桥,用来消除该霍尔元件固有的2.5V输出电压,量程开关用来选择测量电流的范围,G为普通指针式表头。
牲畜产羔告知器
内蒙古包头市第九中学 何颖
全国二等奖

本发明经实际使用后,效果良好,可以很大程度地减轻牧民在牲畜产羔前监护时的辛劳程度。本发明能在牲畜的幼仔出生(落地)的一分钟之内启动发射电路(如附图所示),将情况报告给饲养人员,避免幼仔在冬季由于无人照顾而冻死的情况发生。本产品经试用,工作可靠、无漏报现象,受到本地许多牧民的欢迎,解决了牧业生产上多年来存在的这个问题。
驾驶员防疲劳警示器
辽宁省沈阳市东北育才学校 侯宇
全国二等奖
汽车驾驶员在长时间驾车或高速公路上行驶时,常常因疲倦而出事故,怎样才能在悲剧发生之前及时提醒司机避免事故呢?该发明通过检测驾驶员转动方向盘的时间间隔长短来识别驾驶员是否疲劳。作者设计了该警示器的关键部件——“微球光电传感器”,即在一个弧形弯管中间隔地装入塑料和金属小球,当方向盘转动的时候,弧形弯管会随之运动,但小球因受重力的影响会停留在弯管的底部,从而与弯管发生相对运动。由于塑料球透光、金属球不透光,且二者间隔排列,就产生了间隔的光电信号。利用内部的单片机来分析该光电信号就能检测方向盘是否转动。如果方向盘转动的间隔超过预先设定的最大安全间隔时间,警示器将发出声、光的报警信号。为适应不同使用者的特点,预设的安全间隔时间可通过自学习功能重新设定。

光导式电话
湖南省株洲市第二中学 刘洋 谭樨
全国二等奖
该发明把语音信号转换为光信号发送到另一部电话,通过转换再还原为语音信号。它将声、电、光进行有机的结合与转化,开创了一种新的传导方式。作者还设计制作了光导电话转播器,可增加传播距离,帮助光导式电话翻越障碍。该装置保密性强、传输速度快,可应用于一些特殊领域,如隧道勘探、战时通信等。虽然它离实用化还有一定距离,但作为一种声、电、光的转换演示装置,效果是非常明显的,具有一定的开发价值。
遥控飞机模型飞行姿态自动纠正器
江苏第十中学 周威斌
全国三等奖
本发明是利用飞机倾斜时前后左右侧受光强度不同(如图1所示),传感器将受光强度转换为电信号,然后用该信号控制舵机,使方向舵作出相应纠正动作,使飞机恢复平衡(如图2所示)。
点评:在操纵遥控飞机时若操作不当,很容易使飞机摔下而致其损坏,这种情况是因为飞机在空中机身前后或左右严重倾斜而又不能及时调整所致。本发明能避免和减少遥控飞机初学者在操纵飞机时摔机情况的发生。
红外线遥控语言报时钟
贵州省遵义市第一中学 晋雁 杨光洁
全国三等奖
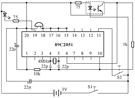
本作品将语言报时表和指针式石英挂钟组合在一起,用一只家用红外遥控接收头制作一块红外触发电路(如附图所示),使用任意一种家用电器的红外线遥控器就可以使其在任意时刻用清晰的语言进行报时。
作品的三性:①科学性。无线红外控制,遥控时钟语言报时,具有人性化。②先进性。使用任意家用遥控器,任意键触发报时。③实用性。适用于盲人、弱视、儿童、老人等人群及光线较弱的场合。
点评:现用的红外线接收头因是家用电器中使用的产品,须外接5V直流电压;语音报时表和指针石英钟现为各自独立,有时差。如能将语音表和指针石英钟及红外触发电路板集成化,减少红外线接收头的功耗,就可用电池驱动,克服现有的缺点,成为一种实用的产品。
聋人信息感知器
湖北省武汉市华中师大一附中 董行
全国三等奖
本发明是把家庭中常用的一些提示信息(门铃、电话铃声、闹钟)以无线电的方式进行传输,然后将这些信息转换成闪光和振动等提示信息。
本发明采用无线电编码遥控模块作为无线电信号发射、接受装置,在开阔地遥控距离大于100m,有万余种不重复的编码方式,可以保证多机之间互不干扰。
点评:本发明适合聋人或者不适合采用声音信号进行提示的场合。
编后:
看了这些发明,是不是很简单呢?你还有没有别的解决办法?如果有,请来信或E-mail参与讨论,我们会把相关的信息反馈给原作者。另外本刊正在筹备第四届“优秀科技园丁”评比大赛,我们真诚地欢迎青少年朋友、科普工作者,特别是参加过前几届“优秀科技园丁”评比活动的读者,踊跃来信提出好的建议,也欢迎生产电子科普软硬件产品的企业与我们携手合作。有关上届“优秀科技园丁”评比活动的信息见《无线电》杂志2000年第1、7期和2001年第7期。

