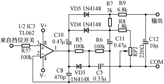
数字万用表的交直流转换电路是通过运算放大器实现的,此电路与普通二极管整流电路相比,具有线性好、死区电压低、可以转换毫伏级信号等优点。图为DT890A型数字表交直流转换电路。图中C10、C11为隔直电容,C12为滤波电容,C8为消振电容,R7、R8、RP2为反馈电阻分压网络,R5、R6为偏置电阻,VD3用于输出过压保护。

电路原理
当运放同相输入端(+)输入交流电压时,C11的(+)端应与输入近似交流等电位,交流负半周经VD4回路,不在R7上产生压降;正半周经R7、VD5回路,在R7上产生上正下负的电压,经R9隔离C12滤波输出至挡位开关。
常见故障检修
DT890、DT890B、DT890C、DT9201等数字万用表的交直流转换电路均与此电路大同小异,运放一般使用1/2TL062。TL062容易被过压击穿,损坏后会造成测量交流无反应、静态电流大等故障。VD3击穿后交流挡显示偏小,VD4、VD5一般不易损坏;滤波电容C12损坏居多,其电解液干涸时交流挡跳动较大,漏电时交流显示偏小,超过RP2调节极限。某表交流挡有较大起始指示值,无信号静态测量C12两端有微小电压,拆下C12充分放电后再测其两端仍有约20mV电压,估计是内部极板变性产生原电池效应,更换后故障排除。
DT890A表有一个通病,即使用一段时间后,测量时显示数值乱跳,此故障存在于交流电压、交流电流以外各挡中,在交流电压、电流挡时反而正常,这个故障很难让人想到是交直流转换电路有故障。起因是由于在非交流挡时,运放的输入端呈开路状态,由于TL062输入端阻抗高,可以感应很高电压,相应输出电压也很高,这样过压保护元件VD3导通工作,给C5充上左正右负的电压,C5相当于反向充电,C5多用微型电解电容器,反向耐压有限,造成C5反向击穿,C5的(+)端接在COM(公共地)端,运放输出的负压经VD3、C5将COM端电位向下拉,COM端电位是由7106块内部稳压的,7106内部稳压电路负载能力有限,所以,COM端电位有时下降很多,从而造成7106无法正常工作,因感应电压时大时小,则故障时轻时重,有时又不出现,给查找带来很多麻烦。即使更换C5后,过不多久又会旧病复发,这不能不说是DT890A的一个设计缺陷。本人的解决办法是把C5的正负极对调后焊回原处,使其正向工作。采取此方法修理本公司几十块具有同样故障的DT890A数字表至今无一返修,建议正常使用的DT890A表也将C5反向调换,以消除隐患。后来出厂的DT890B、DT890C万用表中C5均使用无极性电容,不存在反向充电的问题,也就无此隐患了。
(史海宽)