本文介绍一款简单易制的三选一音频切换开关电路,它能从三路信号源中任选一路作为输出电路如附图所示。

一、工作原理
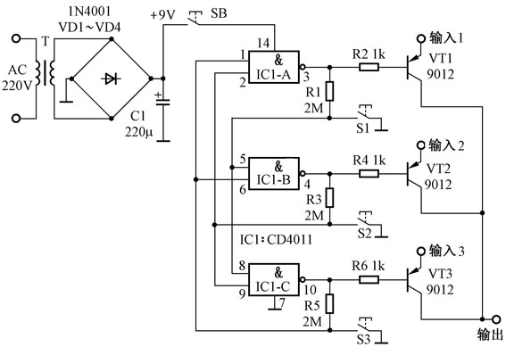
220V交流电经变压器T降压,VD1~VD4整流、C1滤波,获得+9V直流电压。按下开关SB,切换开关电路得电工作。图中IC1-A、IC1-B、IC1-C为四二输入与非门电路CD4011中的三个门,S1、S2、S3为三个选通开关,按下S1,则IC1-B和IC1-C各有一个输入端被置低电平,按与非门电路的逻辑:只要有一个输入端被置低电平,则与非门输出为高电平。所以此时IC1-B和IC1-C输出高电平,此高电平又经R3和R5送到IC1-A的两个输入端上,按与非门电路的逻辑:只有当输入端全为高电平时,输出才为低电平。所以IC1-A输出低电平。此低电平一方面在S1跳开后经R1送到IC1-B和IC1-C的输入端,使电路的输出状态得以锁定;另一方面使三极管VT1导通,第一路音频信号源得以经VT1的E、C两极输出,从而实现了三选一的功能。当要选通第二路音频信号源时,只须按一下S2,于是IC1-A和IC1-C的一个输入端被置低电平,则IC1-A和IC1-C输出高电平,VT1和VT3截止。同时,IC1-A和IC1-C输出的高电平经R1和R5送到IC1-B的两个输入端,使IC1-B输出低电平。此低电平一方面经R3送到IC1-A和IC1-C的输入端,使电路的输出状态得以锁定;另一方面又使三极管VT2正偏导通,使第二路音频信号源得以经VT2的E、C两极输出。同理,按下S3,则电路将选通第三路音频信号源输出。
二、元件选择
VD1~VD4为1N4001,C1为220μF电解电容,R1=R3=R5=2MΩ,R2=R4=R6=1kΩ,VT1~VT3为9012,IC1为CD4011,SB为按键开关,S1~S3为轻触开关。
(李诗海)