在炎热的夏季,将本文介绍的降温头带戴在头上,有利于提神并驱赶睡意,可提高工作效率;亦可代替冷敷毛巾,用于高烧病人降低前额温度。
该降温头带采用半导体致冷器件制作而成,通过改变工作电压来调节制冷量,具有低电压供电、安全可靠、效率高、无噪音和污染等优点,是一种理想的个人防暑降温保健新品。
一、工作原理
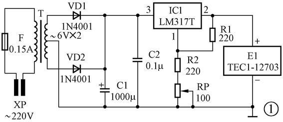
半导体致冷降温头带的电路如图1所示,它由输出电压可调节的交流电源变换电路和半导体致冷器件两大部分构成。

E1为半导体致冷器件,它的致冷原理是建立在珀尔帖效应(具体讲为半导体温差电效应)基础上的,即:当直流电通过两种不同材料的导体(或半导体)所形成的接点时,接点处会产生放热或吸热(致冷)现象。放热或吸热依电流方向不同而改变,放热或吸热量的大小则由电流大小来决定。这里我们采用的半导体致冷器件型号为TEC1-12703,其外形和结构如图2所示。当给它接上合适的直流电源时,冷面导热板(简称冷面,采用陶瓷板)就吸热,而热面导热板(简称热面)就会放热。如果维持电路中电流的通过,并设法将热量散失,就可达到在冷面致冷的目的。冷面吸热量的多少,主要取决于器件温差电元件的性能、电路中电流的大小、温差电偶的数量以及热面散热条件等 。如果将直流电源反接,则致冷面变为放热,利用这种放热可以进行加热。调整电流大小,可以精确的调节致冷、致热温度和速度,使用极为方便。

220V交流市电经电源变压器T降压和隔离、晶体二极管VD1和VD2全波整流、电容器C1滤波后,输出约6V直流电压。该直流电经可调式三端集成稳压器IC1、调压电位器RP、电阻器R1和R2等构成的可调式稳压电路后,输出调压范围2.5~3V、工作电流为0.7~1A的直流电,供安装在图4所示头带上的半导体致冷器件E1工作用电。于是,E1通过半导体温差效应不断地吸取冷面周围的热量,并通过与热面紧密相接的铝散热板有效地将热量辐射到周围空间,从而达到降低使用者前额温度的目的。这里我们将E1工作电压取得比较低,使其功率不超过3W;实践证明,在正常使用条件下,能够将头带致冷面的温度降低并保持在12℃~17℃之间。
二、元器件选择
IC1选用LM317T型可调式三端集成稳压器。在本制作中,不要忘记给它加装上一定尺寸的铝散热板。
E1采用TEC1-12703型半导体致冷器件,亦可用同类产品WCA03-127型直接代替。如果在使用前不能确定其冷、热工作面,可用两节普通干电池串联(3V)后做电源,将器件的红色线接正极、黑色线接负极,通过用手感判定出冷、热工作面。
T用220V/6V×2、10W成品电源变压器。F用带管座的BGXP-0.15A型普通保险管。其他元件如图所示。
三、制作与使用
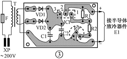
图3为该半导体致冷头带的电源变换部分印制电路板接线图。印制电路板实际尺寸约为45mm×30mm。

焊接好的电路板连同电源变压器T、保险管F等,装入尺寸合适的绝缘密闭小盒内。盒子上、下面适当位置处,应事先为T开出通风散热孔;盒面板开孔伸出RP的调节轴柄,并给轴柄配上合适的调节旋钮(为便于使用,应在盒面板标出调压范围);盒侧面开孔通过长约2m的双股塑料外皮电线引出电源插头XP,通过长约1.2m的双股塑料外皮电线接通装在头带上的半导体致冷器件E1。
半导体致冷头带参见图4自行加工制做。铝散热片可采用功率放大器常用的多槽铝散热器,底面积约80mm×50mm,要求与E1热面导热板良好接触;为了增强致冷效果并扩大致冷面积,E1的冷面导热板上应加装上尺寸约为80mm×50mm的吸热铝皮。无论是多槽铝散热器还是吸热铝皮,都要通过小螺丝钉和螺丝帽紧密地固定在塑料基体(兼隔离冷、热作用)上;并且在安装前都要在E1及其接触面上涂抹上导热硅脂(最好用半导体致冷器件专用的SE-3型导热硅脂),以保持良好的冷热传导效果。
使用时,将降温头带戴在头上,接通220V交流电,通过RP旋钮由小(2.5V)到大(3V)调节E1工作电压,使前额的温度达到冷热适当即可。如果发现冷面发热、散热板面致冷的反常现象,只要对调一下E1接直流供电电源的“+”、“-”极接线头即可。
该降温头带也可用于汽车驾驶员,通过对驾驶员头部(主要是额角和太阳穴)的致冷,造成一定刺激作用,可防止打瞌睡,从而保持清醒的头脑,减少或避免交通事故的发生。当在汽车上使用时,应对图1所示的电源变换电路进行改造,以便与汽车上的12V电瓶相匹配。具体方法:取掉电源变压器T、整流二极管VD1和VD2不用,将F改成1.5A直流保险管,将电源插头XP改换成与汽车驾驶室内“点烟器”相配套的专用插头,其引线分清“+”、“-”(搭铁)极性后,直接接在电容器C1两端即成。改造后的电源变换器体积更小,在使用时直接将插头插入“点烟器”的插口,即可向降温头带供电;用毕可拔下插头连同降温头带一起收藏起来,非常方便。
(张晓东)