为了满足人民在寒冷季节也能吃上新鲜蔬菜的需要,大棚栽培技术得到空前的发展,但随之而来也出现了温度、湿度难以控制的问题。本电路可以使大棚的温度和湿度自动控制在一个合适的范围内,而且成本又低。整个电路原理图如附图所示。

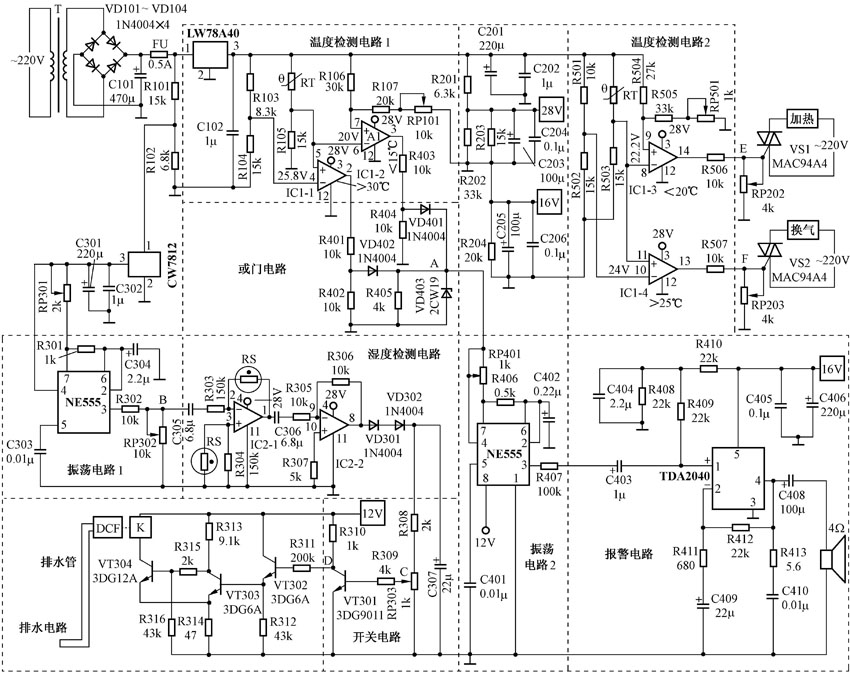
1.电源电路 220V市电经变压整流得到40V的直流电压,该电压一部分送到温度检测电路,一部分再分离出12V、16V、28V的电压分别供给NE555、TDA2040、M51209、HA17902等集成电路作为供电电压。
2.温度检测电路 该电路利用热敏电阻在不同的温度环境下有不同的阻值的特性。将热敏电阻放置在大棚的几个关键点,如四个角、中央、门旁。当外界温度变化超过规定范围时,电路动作,实现温控。IC1为单电源工作的四电压比较器。在温度检测电路1中,取自R105的电压分别引入两个比较器,去和标准电压比较。在IC1-1中基准电压U-=25.8V,温度低于30℃时,IC1-1输出低电平。当温度升高超过30℃时,此时U+>25.8V,IC1-1发生跳变,输出高电平。而在IC1-2中,基准电压U+=20V,温度大于15℃时,比较器IC1-2输出低电平。当温度降至低于15℃时,U-<20V,IC1-2发生跳变,输出一个高电平。
温度检测电路2的工作原理同上,标准电压值如附图所示。热敏电阻在某一温度下的阻值RT、材料常数B、绝对温度T之间的关系为B=2.3[T\(_{1}\)·T\(_{2}\)/(T\(_{2}\)-T\(_{1}\))log(RT1/RT2)。
3.加热、换气电路 当温度在20℃~25℃范围内,加热、换气电路不工作,当温度低于或高于这个规定值时,电路动作。调节RP501可粗调加热的跳变温度。加热装置可用壁挂式电热毯或电炉子,换气装置可选用换气扇。
4.温度报警电路 温度报警电路主要由或门电路、振荡电路2、功率放大电路三部分组成。其工作原理如下:R401、R402、VD401、R403、R404、VD402组成或门电路,VD403对或门输出的电压进行稳压。当温度超过30℃或低于15℃,温度检测电路输出一跳变信号到或门电路,在A点输出一个12V的电压。该电压经RP401、R406对C402充电,当电位上升至2/3Vcc时,集成块复位。③输出低电平,同时内部放电管与①相连通,电容C402通过R406向⑦放电,Vc402下降,当Vc402下降至1/3Vcc时,③输出高电平,放电管截止,放电结束。然后再开始充电、放电,形成振荡。放电所需时间(低电平)Tp1=0.7R406C402。充电所需时间(高电平)Tp2=0.7(R406+ RP401)C402 。周期T=0.7(2R406+ RP401)C402。③输出高电平的占空比,决定扬声器的音调。TDA2040是集成功率放大器。R412、R411构成交流负反馈,C408是输出电容。
5.自动浇水电路 振荡电路1的工作原理和振荡电路2的工作原理相同。由于湿敏电阻大都工作在交流状态下,而且要求频率不能超过1kHz,所以振荡电路1用来产生约200Hz的振荡波,由NE555③脚输出,输出的振荡波在滑动变阻器RP302的调制下,使B点的有效输出保持在2V在右。RS为负系数的湿敏电阻。IC2为单电源工作的运算放大器。电容C305、C306隔直流通交流。二极管VD301、VD302 隔断低于1V以下的振荡波,并防止电流倒灌。调节RP303使湿度低于50%时,D点高电位,湿度大于70%时,D点为低电位。
当湿度较大时,VT301截止,D点高电位,VT302导通,此时与它的发射极相连的VT303也相继导通。由于VT303、VT304通过R314等组成了射极耦合双稳态电路,所以此时VT304截止,继电器K为释放状态。
当湿度降低时,VT301导通,D点低电位,VT302截止,于是射极耦合双稳态电路VT303、VT304迅速翻转,使VT303截止,VT304导通,继电器K动作,其常开触点闭合,接通电磁阀线圈DCF电源,使阀门打开,水便经喷水管喷出。当湿度达到一定程度时,VT302又导通,促使VT303、VT304翻转,K失电,其常开触点断开DCF电源,电磁阀自动关阀,浇水停止。湿敏电阻也可自行制作,两块锯条中间夹一玻璃体,接在VT302基极,然后调节使之达到上述条件。
该电路设计简单易于调试,而且实用性较高。其各工作点的主要参数如附表所示。

该自动控制装置可方便进行如下功能扩充:
①热能存储电路 可利用太阳能转换装置将之转化为电能储存。当夜间温度过低时,再起到和上述加热装置一样的功能。
②远距离报警功能 在意外事故发生致使温度持续下降时,需要及时报警,唤醒在家休息或在外工作的棚主赶来处理。报警装置由一发射器和接收器组成。接收器平时由棚主带在身上,可做得很小,棚主在一公里的范围内可接收发射器发出的提示音信号。
(姜荣)