LM26是美国国家半导体公司(www.national.com)生产的微型模拟温度传感器。LM26的输出端可以直接驱动开关管带动继电器、电风扇等负载,因此特别适用于计算机、笔记本电脑、工厂采暖通风系统、电源模块等电子产品以及防火系统的温度控制电路等领域。
LM26具有如下特点:工作温度范围宽,从-65℃到+150℃;工作电压2.7V~5.5V;功耗低,待机时最大工作电流为40μA(典型值为25μA);精度高,在-55℃到+110℃时精度为±3℃ max,在+120℃时精度为±4℃ max;非线性误差为±0.35℃。
管脚排列与引脚功能
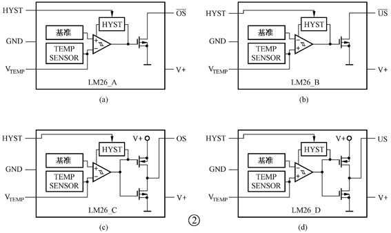
LM26采用5管脚SOT-23封装形式,如图1所示。各引脚功能如下:① 脚为滞后控制(数字信号输入);② 脚为地(电源负端);③ 脚为模拟信号输出;④ 脚为电源正端+2.7V~+5.5V;⑤ 脚为数字信号输出。LM26有两个输出端,其中③脚输出的是模拟信号,用于配接比较器;⑤脚输出的是数字信号,可以直接驱动负载。

LM26有A、B、C、D四种后缀字母。不同的后缀名称不但内部电路不同(如图2),而且输出端功能也不同,后缀为A、C的为高于控制温度时关断数字输出端的信号(数字输出端标注为OS或OS__);后缀为B、D的则为低于控制温度时关断数字输出端的信号(数字输出端标注为US或US__)。

温度与输出电压的关系
LM26在-55℃~+110℃都有较高的精度,在这个范围内,模拟输出端③脚的输出电压V\(_{0}\)与温度T的关系可用下式表达:
V\(_{0}\)=(-3.479×10\(^{-}\)6×(T-30)\(^{2}\))+(-1.082×10\(^{-}\)2×(T-30))+1.8015V
其有关温度与输出电压的对应关系如表1示。
应用电路
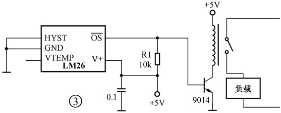
图4是一种简单的温度自动控制风扇。当高于设定温度时,风扇就自动运转,对设备进行降温。由于LM26具有温度滞后特性(如图5),使得在温度高于T1时,风扇运转,当温度降到T2时,风扇才停止运转,可以有效地防止在阀值温度上下风扇来回动作。
在大功率功放机中,功放集成电路的发热量一般很大,若散热措施不佳,就会影响到功放的输出音质,因此,若在功放集成电路表面安装一个由LM26组成的自动控制风扇,当功放集成电路表面温度超过设定值时,散热风扇自动运转,对功放集成电路进行强制散热,显著降低功放集成电路的表面温度。这种电路如图6所示。

LM26的模拟输出端可以很好地带动小于1000pF的电容负载,为了适应不同的容性负载,以减小环境噪声干扰,建议在模拟信号输出端与GND端之间接一个RC滤波器(元件取值如表2所示)。模拟输出线应采用屏蔽线,如图7所示。


编者注:LM26的详细资料见本期配刊光盘中的“本期元器件资料”文件夹。
(广文)

