本文介绍在音响中应用较广的两种CMOS模拟开关集成电路:TC4052和TC4066。
1.双4通道多路模拟开关TC4052
双4通道多路模拟开关TC4052由日本东芝公司生产,与之可互换的有:CD4052、MC14052、F4052、SCL4052、TP4052、MSM4052、CH4052等。
TC4052引脚功能如图1所示,其内部包括2个相同的4选1模拟开关。每个模拟开关可以输入4路(信道)信号,由公共端输出。电路切换由控制端A、B的电平控制。⑥脚为使能端,如⑥脚为高电平(H),电路无输出;当⑥脚为低电平(L)时,输出端X、Y所选择的信号由⑨脚(B)和⑩脚(A)的电平控制,具体功能对应如表1所示。⑨、⑩脚的控制信号由微处理器CPU送出。TC4052的V\(_{DD}\)为电源端;⑦脚V\(_{EE}\)为负电源端或接地;⑧脚V\(_{SS}\)为GND(接地端)。


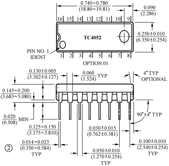
TC4052有多种封装形式,其中以双列直插塑料封装最为常用,见图2。

2.四双向模拟开关TC4066
四双向模拟开关也是日本东芝公司产品。与之相互换的有:CD4066、MC14066、F4066、SCL4066、TP4066、μPD4066、MSM4066、CH4066等。TC4066的内电路框图和各引脚功能说明如图3所示。其中模拟开关的电路结构如图4所示。每一个模拟开关有3个引脚,其中一个为控制端,具体为:控制①、②脚(连接的模拟)开关A;控制⑩、开关D;⑥脚控制⑧、⑨脚开关C;⑤脚控制③、④脚开关B。不论哪一个开关,当在其控制端加上高电平时,开关就处导通状态;反之加上低电平则处于关断状态。TC4066采用14引脚结构,除了上述引脚外,还有V\(_{DD}\)和V\(_{SS}\)两个引脚,其中V\(_{DD}\)接电源正端,V\(_{SS}\)为电源负或地。


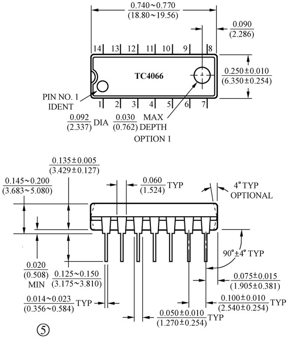
TC4066有多种封装形式,其中以双列直插塑料封装最为常用,见图5。

(王德元)