二、TDA9380超级芯片彩电的检修
1.检修资料
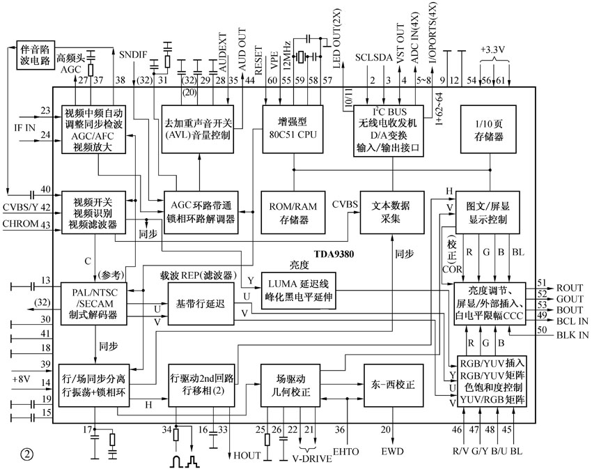
(1) TDA9380内部组成框图
TDA9380超级芯片将微处理器(CPU)与TV信号处理器集成在一起,其内部组成方框图如图2所示。

(2) TDA9380的技术参数
TDA9380超级芯片的引脚功能及实用维修数据见表1。

(3) TDA9380外围晶体管的技术参数
TDA9380外围电路所用晶体管作用、参数及代换见表2。
2.检修思路
(1) 当出现三无故障时,首先检测N903(TDA8133)①、②脚输入的+12V电压和⑧、⑨脚分别输出的+8V和+5V电压是否中断或异常(见图1)。若供电正常应检查N101外接晶振是否损坏或不良,因该晶振Z601(12MHz)不但用于N101内部8051CPU、遥控电路,而且还同时提供不同制式解码器解码所需的副载波。
(2) 当遥控系统控制功能异常或不良时,先测图1中A点电压,正常时应为稳定的+3.3V。再测N101(TDA9380)紜{6}、供电电压,正常时均应为稳定的3.3V,若以上3个引脚中某脚电压为零或异常,应详查该脚外围电路和元件。根据经验,较常见为L696、L698、L699某端脱焊或出现裂纹而接触不良或C695、C698、C699其中某电容漏电或击穿。
(3) 当故障现象为待机状态正常,但不能开机时,表明+5V供电正常,但并不能说明+8V供电和遥控开/关机控制电路也一定正常,所以应重点测图1中B点和TDA9380、电压,正常时应为稳定的+8V电压。若以上电压异常或为零,应重点检查TDA8133(N903)、C951(10μF/16V)、C398(100μF/16V)、C497(100μF/16V)是否其中有严重漏电或击穿。查L399、L499(均为10μH),看是否有开路或某端脱焊裂纹。其次测TDA8133复位⑥脚、TDA9380紛{6}脚、①脚动态电压,在反复操作遥控器时,以上3点应出现瞬态高、低电平变化的电压,否则应查其外围电路相关元件,特别应注意对V959(C1815)的检查。
(4) 收视电视节目异常:某频段收不到台,或高端(低端)收不到电视节目时,在供电正常的前提下,应重点检测D、E点的动态电压。方法是分别用万用表电压挡(+10V、+50V挡)检测图1中D、E两点对地电压。在自动搜台状态时,搜台全过程中D点电压应从0~4.5V变化三次;E点电压应从0~30V变化三次,否则,表明调谐电路或调谐电压异常。这时,应重点检查V119(PH2369)及其外围元件,并检查VD101是否不良。若不能转换频道或转换异常,应在动态情况下参照表1检测TDA9380⑩、动态电压,若不符,应查R195、R198和R196、R199。若各电阻正常,故障肯定为TDA9380或高频头不良。
(5) 若故障现象为有正常图像而无声,表明故障在图、声分离之后的电路中。这时可手持镊子,在TV状态从TDA9380注入较强的人体感应信号。正常时,扬声器中应有明显的音频噪声,否则故障在TDA9380之后的电子开/关转换电路或音频处理放大电路。若噪声明显,可改从TDA9380注入人体感应信号,听输出噪声是否正常,若无,则TDA9380不良或损坏;若正常,应重点检查外V268(C1815)及其外围元件和Z205(6.5MHz)及外围元件。
(6) 若故障现象为伴音正常,但为白净光栅而无图像。应先根据表1测TDA9380电压,然后可依各脚电压异常情况查相应脚位外接元件。在确认视放板(CRT)电路正常的前提下,应重点检查Z308(6.5MHz)、Z309(6.0MHz)是否有严重漏电或击穿现象;查V308(C1815)是否有不良或损坏;查C309是否损坏。
(7) 若图、声均无,但光栅正常且有正常的雪花噪波点。此类故障多发生在TDA9380以前的中、高频电路中。多见为声表面滤波器Z101(K2595)不良或损坏;预中放管V101(C388A)损坏或不良;高频头本身不良等。若以上均正常无疑,则TDA9380损坏。
(8) 故障现象为有伴音无光栅或光栅异常时,可以肯定在扫描电路中。有伴音表明开关电源电路和中频、视频、彩色电路是正常的。这时应重点查测TDA9380电压并检查相关外围电路。一般而言,若检查只是其中部分异常,故障部位多在局部外围电路;否则故障在TDA9380本身。
(9) 在检修过程中,应注意判断保护电路是否启动而保护。这时可重点测TDA9380、电压,正常状态下,应为1.6V左右;应为2.0V左右,否则说明电路是保护性停机,应排除过压、过流故障后再试机。
(周彦芳)