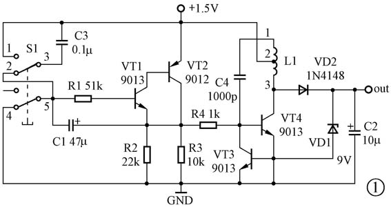
数字万用表以它的高精度、高内阻、使用方便等特点,深受广大电子工作者的喜爱,但是和指针表相比,它也有不足之处,其中最突出的就是数字万用表耗电大。为了解决这一问题,笔者设计了这款具有延时关断的升压电路,原理图如图1所示。加装该电路后,数字万用表将不再使用价格高、容量小的叠层电池,而使用可充的5号电池(或者普通5号电池),从根本上减小在电池上的花费。而且,该电路具有延时自动关断的功能,有效地避免了因忘记关表而造成的电能损失,达到节约用电的目的。

电路原理:VT1、VT2等组成单稳态电路,当按动开关S1使其处于图示相反位置时,+1.5V通过电容C3和R1为VT1的基极输入一正脉冲,VT1、VT2相继导通,VT2的C极输出高电位,此高电位通过C1和R1又加到VT1的基极,形成正反馈,继续维持VT1、VT2的导通,只有当C1被充满电时,这个反馈电流才消失,VT1、VT2退出饱和。不论VT1是否处于饱和,只要按动开关使其处于图示位置时,VT1的基极都通过S1的④、⑤脚被强行置零而退出饱和,并且C3、C1上的电荷将分别通过开关放掉,以为下一次进入暂态作好准备。
VT4、L1组成升压电路,其实是一个自激振荡电路,当VT2饱和时,VT2通过R4为VT4注入偏流,振荡电路开始工作,在振荡中,当VT3导通时,有较大的交流流过L1的②、③脚,当VT3截止时,L1将产生自感电压,此电压与电源电压叠加后通过VD2对C2充电,于是在C2上得到了较高的电压。
VD1、VD3 组成稳压电路,当电压高于9V时,VD1导通,为VT3基极注入电流,VT3导通,使自激振荡输出的脉冲宽度减小,从而使输出电压降低,达到了稳压的目的。
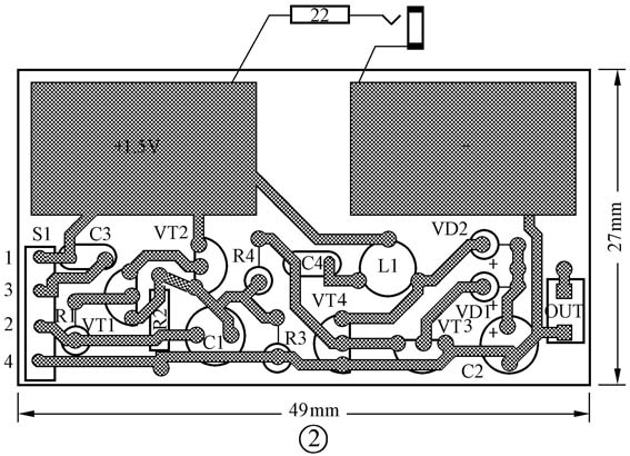
元件选择与制作:S1选用双极双位推推式开关,其他元件无特殊要求。L1是用0.1mm的漆包线在中波收音机的中频磁芯上绕制,其中①、②之间绕18匝,②、③之间绕75匝。印制板图见图2。制作好后,将电池安装在元件面上,电池的两极直接焊接到电路板上即可。

安装方法:① 在面板的合适位置上安上开关S1,并且4根导线连接到电路板上。② 将万用表的电源线接到升压电路板的输出端。最后把整个电路板固定在原来装叠层电池的地方。③ 在电池的正极上串接一个22Ω的充电限流电阻,接上充电插座,并将插座安装在面板的合适位置。充电时接上3V的电压,一般充12小时即可充满。
(李中华)