由于声光控开关能够自动控制灯具的开关、节约电能、延长灯具使用寿命,因此,它已广泛用于人们的生活中。笔者采用图1所示的电路不仅较好地解决了灵敏度的调整问题,而且还较好地解决了延时时间、光控起作用时间的问题,效果极佳。

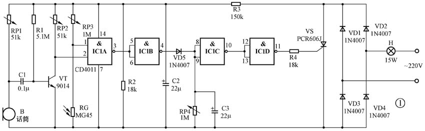
220V交流电经灯泡后,由VD1~VD4桥式整流,再经R3降压、电解电容C2滤波后,再经电阻R3、R2分压后为后续电路提供直流电源。
光敏电阻的最大特点就是能根据光线的变化自动调整自身的阻值,正是利用这一特点,用可调电阻RP3和光敏电阻RG组成了分压电路,由RG根据光线的变化自动控制IC1A的①脚电压。白天,光敏电阻RG的亮阻很小,因此RG分压较小,IC1A的①脚电压小于门限电压,IC1A输出高电平,IC1D输出低电平,晶闸管VS(PCR606J)截至,电灯H不亮。夜晚RG阻值非常高,IC1A的①脚电压大于门限电压,IC1A的②脚声控有效,电灯H亮。
声控电路由驻极体话筒、可调电阻RP1(51k)、RP2(51k)、电阻R1(5.1M)、电容C1(0.1μ)、三极管VT(9014)组成。
当光线暗到一定程度时,RG阻值升高,IC1A的①脚电压大于门限电压。当驻极体话筒接受到较大的声响时,驻极体话筒将声信号转化为电信号,经电容C1耦合到三极管VT(9014)的基极,经三极管VT放大后,集电极呈现瞬间高电平,IC1A的②脚电压大于门限电压,与非IC1A输出低电平,IC1B输出高电平,VD5导通,电容C3被迅速充电,充到IC1C的门限电压时,IC1D输出高电平,经限流电阻R4触发晶闸管VS(PCR606J)导通,电灯H点亮。
延时电路由电容C3(25V/22μF)、可调电阻RP4(1M)组成。电灯H亮后,若声音信号消失,VD5截止,C3所充电荷经RP4放电,放电时间常数取决于RP4×C3。当C3放电到IC1C的低电平门限电压时,IC1D输出低电平,晶闸管VS(PCR606J)截止,电灯H熄灭。
本电路的印制板图如图2所示。

可调电阻RP1、RP2为灵敏度调整元件。RP1、RP2阻值调大可使灵敏度降低;RP1、RP2阻值调小可使灵敏度提高。产品安装完毕如发现灵敏度太低,可将可调电阻RP1、RP2阻值适当调小,直至调到满意效果。产品安装完毕调试如发现灯常亮不灭、保持一亮一灭、容易误触发等,可将可调电阻RP1、RP2阻值适当调大,直至调到满意效果。如反应迟钝,可将可调电阻RP1、RP2阻值适当调小。
可调电阻RP3为光控起作用时间调整元件。RP3阻值调大,光控电路在光线较强时才起作用。RP3阻值调小,光控电路在光线较弱时就起作用。根据个人需要的不同,调整RP3阻值可获得满意效果。
RP4为延时时间调整元件。调大RP4阻值,使RP4×C3时间常数变大,则延时时间增长;调小RP4阻值,使RP4×C3时间常数变小,则延时时间变短。根据个人需要的不同,调整RP4阻值可获得满意的延时时间。
(宋泽清)