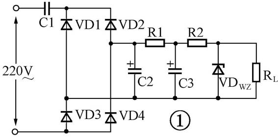
一般的直流电源都是由变压器变压经整流滤波或稳压得到的。变压器非常笨重,且制造工艺繁杂。如果负载电流不是很大,完全可采用电容进行降压。本文介绍了一种利用电容降压的稳压电源。该电路如图1所示。此电路适用于输出电流要求不大的情况下使用。

1.降压电容C1的计算及选用
电容降压与电阻降压一样可用欧姆定律来进行计算,只不过要把电阻换成电容的容抗。在交流电为220V、50Hz的情况下,选用的电容容量和输出电流的关系可由下面的公式推导:I=U/XC,而XC=1/(ωC)=1/(2πfC),故I=2πfCU。将U=220V,f=50Hz代入,可得:C=14.47I在上式中C的单位是μF,I的单位是A。
电容降压直流电源宜采用效率高的桥式整流电路。与变压器降压电路所不同的是,在计算整流二极管的反向耐压时,要充分考虑在接通电源的瞬间220V的交流电将全部加在桥式整流电路上,所以要选耐压较高的整流管。而且每个二极管的最大反向电压应大于2 220V≈313V。
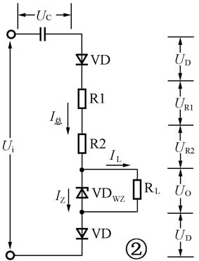
2.稳压电路工作原理
当电路工作时,每半个周期都有两个同向的二极管导通,所以稳压电源的电路可简化成如图2所示。在电路中只考虑各元件上面的电压降,因而滤波电容没有画出。

图中的电源电压Ui(也就是220V交流电)将大部分降在降压电容C1上,其余的少部分降在两个整流二极管、滤波电阻R1、限流电阻R2及稳压管VDWZ上。UD是整流二极管的正向压降,大约在0.7V且为恒值。R1和R2的阻值很小,其压降可忽略不计。由UC=IXC可知,要想在负载R L上得到稳定的电压Uo,则整个回路中的电流I总应保持不变。然而,在实际使用中负载R L往往是变化的。当R L增大,I L减小时,流过稳压管的电流I Z将增加。在RL减小时,I L增大,流过稳压管的电流IZ将减小,以维持I总不变。因为I总=IZ+IL,当RL开路时I总将全部流过稳压管,这就要求我们在使用时,应尽量避免电路长时间空载。
3.如何扩大输出电流
由以上原理可知,稳压电源的输出电流范围为IZMIN~IZMAX,即稳压管的最大稳定电流和最小稳定电流之差。在实际使用中,稳压管的功率都很小(一般在1W左右),该电流一般在100mA左右。如果想进一步增大输出电流,可用三极管来扩大输出。

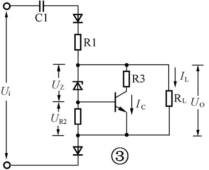
图3为采用三极管扩流后的电路原理图。由电路可知:当RL增大I L减小U 0增大时,由于U Z不变,导致U R2增大,致使晶体管的发射结电压增大和I C增大,I C(或IE)的增大补充了 IL的减小,使输出电压U 0保持不变。由于一般晶体管的I C远远大于稳压管的IZMAX,所以利用三极管集电极电流扩大了稳压电源的输出。电路中的R3为晶体管的限流电阻,它的作用是对IC进行限制,使得负载RL在开路时,IC的数值应不超过晶体管的最大输出电流ICM。
如果采用晶体管扩大输出电流,就可使稳压电流的输出电流大为增加。但输出电流的增加势必导致降压电容的容量随之增大。电容的容量增大后,其体积和重量也大为增加。如果电流过大的,就会失去电容降压体积小重量轻的优点,所以一般大功率的稳压电路不采用电容降压。

图4是一个输出电压6V,电流为100mA的稳压电路。与图3电路所不同的是电路中增加了一只氖泡和电阻R3、R4。由于本电路不用电源变压器,降压电容应该接220V交流电源的火线,如果接反,稳压电源的输出端就会带电。为了防止这一现象,在不带降压电容的交流输入端接了一个由氖泡和电阻R3组成的测电笔电路。在接通交流电源的时候,应用手摸一下触点A,若氖泡发光,应把交流输入端对调。
当从电源上拔下稳压电源的输入端时,往往降压电容上存有一定量的电荷,
R4的作用是将这些电荷泄放掉,以免用手触摸到电源输出端时,产生“麻电”现象。
降压电容C1用C=14.47I计算,将A=0.1A代入得1.447μF,考虑到R2与
R3及VDZ上的压降,所以C1的取值可比计算值稍大些。此电容的耐压要高于220V交流电的峰值,在这里应选取标称值为1.6μF,耐压为440V以上的涤纶电容。整流二极管采用1N4007。电路中的VDWZ选用1W、6V的稳压管。电阻R1和R2的功率应大于1/2W,其他元件的数值如图中所标。
因本电路中的电流由降压电容限定,所以具有短路保护功能。但由稳压管的功率所限,负载最好不作长时间断路,因负载断开的时候总电流都要通过稳压管,易导致其过热损坏。
图5是一个经三极管扩容后的电容降压稳压电源,输出电流可达200mA。图中R3与R4的作用同图4电路,这里不再赘述。整流管采用1N4007,为了消除由输入端窜入的其他高频干扰对电源的影响,在每个整流二极管上都并了一个小电容(C4~C7),此电容的容量为0.01μF。稳压管应选5.3V的稳压输出,由于采用三极管扩容,对其功率不做限定。三极管T可采用ICM大于200mA的NPN型硅
管,如9013、9014等。由于输出电流比图4增大了一倍,故降压电容C1也要增大一倍,可选3.3~4μF耐压400V以上的电容,滤波电阻R1和晶体管的限流电阻R5应选1W以上。其他元件数值如图中所标。
注:本制作涉及高压,在制作时注意安全。
(黄英伟 宫铁波)