如今,在全国大部分农村,种植小麦几乎都用上了小麦播种机,有人工的和机动的两种。笔者家住农村,用的是人工播种机,但经过几年的使用,发现该小麦播种机存在一点不足,就是在播种小麦的过程中,播种机中的小麦下落管道很容易被小麦堵住,而人们又一时难以发现,导致人机白走一趟,浪费时间的同时无形之中也降低了工作效率。为此,笔者设计了这款小麦播种机颗粒堵塞报警器,它能够时时监测管道中小麦的下落情况,管道一旦被堵塞,电路立即发出报警,从而提醒人们及时采取措施进行处理。
一、电路原理
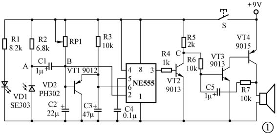
该报警器电路如图1所示,该电路采用红外线原理,将管道中小麦的下落情况转换成电信号来控制报警电路部分。安装时,注意要将红外发光管VD1和接收管VD2正对着装于小麦下落管道中,使VD1管发出的红外光正好照射在VD2管上。这样,闭合电源开关,当小麦颗粒在管子内正常下落时,红外光便被小麦颗粒时断时续的遮挡,使得VD1管的负极A点产生一系列连续的负脉冲,并通过电容C1耦合到电容C2的正极,从而使电容C2充不上电,B点电压近似为零,从而时基电路555的②脚为低电平,同时由于三极管VT1的作用,只要电容C2上的电压为零,那么,电容C3也就不会充上电,否则三极管VT1导通,也会将其放电,这样时基电路555的②脚和⑥脚都为低电平,其③脚输出高电平,三极管VT2饱和导通,C点被下拉为低电平,振荡电路不启振,扬声器不报警。

当管道一旦被堵塞后,小麦颗粒将不再下落,从而使得VD1管发出的红外光始终照射(或始终照不上)在VD2管上,这样,A点电压便会始终是一个低电平(或高电平),因其是一个直流信号,它将不能再通过电容C1到达B点,于是电容C2开始充电,紧接着,C3也随着C2的充电而充电,很快,电容C2、C3上的电压便到达555的翻转电压,555的②脚和⑥脚变成电高平,555复位,③脚输出低电平,三极管VT2截止,C点变成高电平,启动振荡电路,从而使扬声器发声报警。
二、实物调试与安装
按原理图连接好电路后,闭合电源开关S,先用手模拟小麦颗粒下落,即将手放于VD1管与VD2管之间,做上下挥动动作,使照射在VD2管上的红外光线时断时通,这时,扬声器应该不会发声,若不然可适当调节电位器RP1使其灵敏度达到最佳状态,然后将手停止挥动(挡不挡住光线无所谓),模拟管道堵塞,此时扬声器便会发声报警。
安装实物时,最关键的一点就是红外线对管VD1和VD2的安装,务必将此两管子正对着安装于小麦下落的管道中,可根据具体情况将其安于管道中间位置即可,如图2所示,至于其他元件,可一起焊于一小块电路板上,然后在播种机的空闲部分找一块空间装上即可。

在播种工作进行时,闭合开关S,然后就可以工作了。对于机动播种机,则可以在播种机的耧齿附近安装一个压控开关(可以仿照录音机的播放开关)来代替开关S,这样,只有当播种机从机动车的悬挂位置上放到地面上时,报警器才开始工作,避免了手动控制的麻烦。
三、元器件选择
红外发光管VD1、VD2采用一体化红外线对管SE303和PH302,时基电路555采用常用的NE555即可,电阻均采用小功率碳膜电阻,其具体阻值及其他元器件的参数见图1中标注。
(牛余朋)