新型音频放大器NCP2890
NCP2890是安森美半导体公司(onsemi.com.cn)专为PDA和手机等电池供电的无线器件而设计的瓦特A-B类音频放大器。
NPC2890有Micro-8和Microbump-9两种不同封装形式。Micro-8以及Microbump-9封装的外形如图1所示。

NCP2890的电源抑制比(PSRR)最高可达75dB;供电电压在2.2~5.5V之间均可稳定地工作,因此,NCP2890可以采用锂离子或锂聚合物电池直接供电,从而省却了额外的低压降(LDO)稳压器。NCP2890的THD+N低至0.01%,能为最终用户提供极佳的音频质量。最大输出功率高达1.08W。NCP2890具有反“弹起和点击”电路,能消除可听噪声,避免在开启和关闭这类音频放大器功能时产生可听噪声。而且NCP2890具有可调式开/关延迟功能并可以通过外围元件控制增益,为便携音频设备提供了设计灵活性。
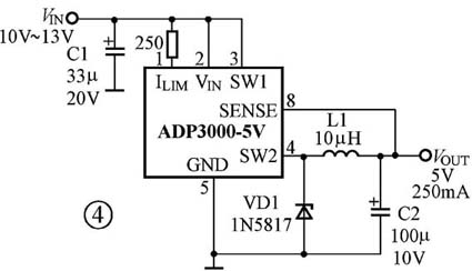
微功耗开关型DC/DC变换器ADP3000
ADP3000是ANALOG DEVICES公司(http://www.analog.com/)推出的微功耗开关型DC/DC变换芯片。可用于升压或降压电路,输入电压范围为2~30V。它具有固定输出和可调输出两种输出方式。其标准输出电流为150mA。同时具有转换效率高(转换效率为80%,开关频率为400kHz)、电压适应性好、外围元件少等优点。内含低电压检测电路,同时具有3.3V、5V、12V固定电压输出、可调输出等多种输出形式,型号后缀的数字表示输出电压值。特别适合手持式低功耗设备以及需要不同供电电压的电子设备使用。
ADP3000采用DIP-8或SOIC-8的封装形式,外形及引脚排列见图3。其各脚功能如下:①脚ILIM,电流限制引脚,通常通过一个限流电阻接到电源端;②脚VIN,电源电压输入;③脚SW1,输出三极管的集电极,在降压模式时接到电源输入端,在升压模式时应接到电感与二极管之间;④脚SW2,输出三极管的发射极,在降压模式时,该脚应接到电感与二极管之间,而在升压模式时,该脚通常接地;⑤脚GND,接地;⑥脚AO,辅助比较器输出端,为开路漏输出,可吸收300μA的电流,不用时应悬空;⑦脚SET,内部比较器正输入端,通常将负端输入连接到内部1.245V基准电压上;⑧脚FB,内部施密特触发振荡器的输入端。

28V恒流白色LED驱动器
TPS61042是德州仪器公司(http://power.ti.com/)推出的一款新型28V白色发光二极管(LED)驱动器以及液晶显示器(LCD)升压转换器。TPS61042具有1.8~6V的输入电压范围,输出电压高达28V,能够以一个恒定的电流驱动多达8个白色LED。
TPS61042内部有30V的开关,内部的功率MOSFET的电流可达500mA,开关频率高达1MHz,效率高达85%,恒流输出,驱动LED的电流由外接传感电阻设定,输出电容可低至100nF,该驱动器允许利用一个外部检测电阻器来设置LED电流。亮度由PWM信号(100Hz~50kHz的脉宽)模拟信号来控制,关断电流为0.1μA;TPS61042中的控制器允许输入输出端与LED完全断开,以避免在停机状态下产生电流损耗。还可通过对该器件进行配置的方法来实现经由一个模拟信号对亮度级进行控制。TPS61042采用3mm×3mm,QFN-8封装,可用在背景光/侧光显示器的白色LED电源,如:PDA、手机等手持设备。
TPS61042的应用电路如图6所示。

编者注:以上几种元器件详细资料见本期配刊光盘“本期元器件资料”文件夹。


