本文介绍一款高效大电流电压转换器电路,该电路能够将2~16V的输入电压稳定为+9V输出,输出电流为500mA。
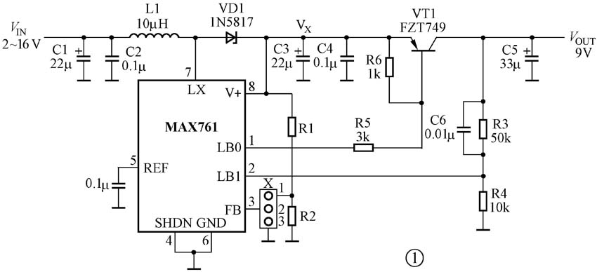
高效大电流电压转换器电路如图1所示。其输出电压可以高于也可以低于输入电压。该电路采用了一个简单的开关型电压转换器MAX761构成。MAX761是Maxim公司(http://www.maxim-ic.com/)生产的低压电源供电的DC-DC转换器。MAX761内部包含有一个电压比较器,通常用于电池欠压检测电路。图1电路的输出电压值VOUT由跳线插座X设置。当X的②、③端相连时,MAX761工作在内部反馈方式,⑧脚输出电压V⑧为恒定的12V;当X的①、②端相连时,MAX761工作在外部反馈方式,⑧脚输出电压V⑧由R1、R2的阻值来确定。VX=1.5V(R1+R2)/R2。则VOUT=1.5V(R3+R4)/R4。当输入电压VIN>V⑧时,开关转换器停止工作,VOUT由线形降压稳压器单独控制。图1电路中,C5用于降低输出电压的波纹信号。该电路的在输入电压为2~16V时输出电压均十分稳定(如图2所示),可以满足一般需要。


编者注:MAX761的详细资料见本期配刊光盘“本期元器件资料”文件夹。
(刘中武 刘玉兰)