MC33063A是安森美半导体公司(onsemi.com.cn)生产的开关稳压集成电路,是一片集DC-DC转换器的功能于一身的单片集成控制电路。MC33063A的显著特点是体积小,集成度高,外围元件少,转换效率高,应用灵活方便。MC33063A内部含有一个带温度补偿的1.25V参考稳压电路、电平比较器、带有峰值电流检测电路的占空比可控的周期振荡器、与门电路、RS触发器、输出驱动器和大电流输出开关管。该器件可实现升压、降压或电压极性反转变换等功能。
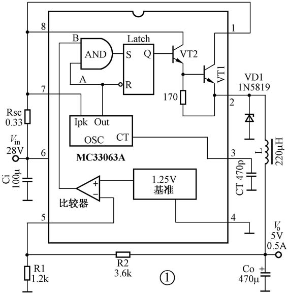
MC33063A降压稳压电路如图1所示。图1中MC33063A内部输出开关管VT1断续接通输入电压,提供一个占空比可变的矩形波给简单的LC滤波器。LC滤波器对矩形波进行滤波,产生一个直流输出电压,该电压可被设置为低于输入电压的任意值。MC33063A完成稳压功能是通过控制VT1的导通时间与总开关周期时间的百分比来实现的。假设输出开关管VT1截止,电感上电流IL为0,输出电压Vout为设定值。输出电压是通过电容C0放电给外接负载R L提供电流。在VT2导通末期,VT1翻转为截止。电感中的磁能开始释放,它产生一个反电动势使VD1正偏,而电感中的峰值电流以ΔI/ΔT=V/L的速率衰减,磁能转换为电能供给电容C0和R L,在这期间电感两端的电压等于Vout+V F。瞬时电流为I L=I L(pk)-(Vout+V F)×t/l,如果输出电压保持常数,流入电感的平均电流必须等于在一个完整周期内的输出电流。峰值电感电流与输出电流的关系是I L(pk)=2Iout。增加滤波电容CO的值可减小输出纹波电压。

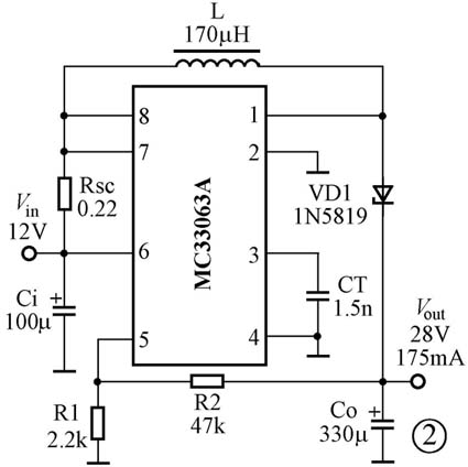
MC33063A组成的升压开关稳压电路如图2所示。该电路的相关参数如下。线性调整率:Vin=8V~16V,Iout=175mA,ΔL=±00.5%。负载调整率:Vin=12V,Iout=75~175mA,ΔV=±0.02%。输出纹波:Vin=12V,Iout=175mA,Vrip=300mV。

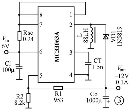
MC33063A组成的电压极性反转变换稳压电路如图3所示。该电路的相关参数如下。线性调整率:Vin=4.5V~6V,Isout=0.1A,ΔL= ±0.012%。负载调整率:Vin=5V,Iout=0.01~0.1A,ΔV=±0.09%。输出纹波:Vin=5V,Iout=0.1A,Vrip=255mV。

实际输出电路中,若再加一级LC滤波电路,输出纹波将大大减少。
编者注:MC33063A的详细资料见本期配刊光盘“本期元器件资料”文件夹。
(李天恩)