HV-2405E是美国HARRIS公司生产的一种高效率、无变压器输出的降压式AC/DC变换器。该器件的主要特点有:不需要电源变压器就能进行整流、滤波,将高压交流电变换成低压直流电;具有极宽的输入电压范围,在输入交流电压为15V~275V时均能输出稳定的5V直流电压;输出电压可在5~24V之间自由调整;最大输出电流为50mA;采用DIP-8封装,外围元件少,整个变换器的面积小于0.9cm2;工作温度范围为-40℃~+85℃。
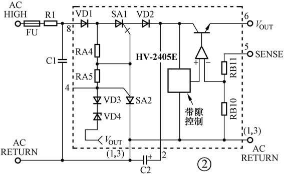
由于该器件具有上述优点,故很适合作为电子仪器、便携式个人通信装置中的电源供应器。HV-2405E的管脚排列如图1所示,各引脚功能如表1所示。内部结构框图如图2所示。




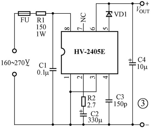
HV-2405E的典型应用电路如图3所示。图3中,R1为限流电阻,阻值应根据输入电压来选择,输入电压在160~270V时,R1通常选取标准值150Ω,C1为缓冲电容,容量一般在0.1~0.5μF,R1、C1组成一个低通滤波器,用来限制HV-2405E的输入电压增长率,C2为预整流电容,其容量将关系到输出电流的大小(如表2所示)。

HV-2405E的④脚为禁止端,当该脚为高电平时,输出端将会停止输出电压,C3是抑制电容,其容量通常为150pF,C4为滤波电容,为了保证输出电压的波纹系数不大于2%,其容量不能小于1μF。HV-2405E的⑤脚为输出电压设置端,设置端的元件可以是稳压二极管(见图3),也可以是电阻(见图4),当外接稳压二极管时输出电压(5+VD1)V;当外接电阻时,输出电压为(5+R3)V,输出电压与电阻R3的对应值如表3所示。

由HV-2405E组成的双路输出电压稳压器电路如图5所示。在图5电路中,HV-2405E的⑤脚输出5V额定电压,⑥脚输出可以调整的电压。图5中,VT1、VD2、R2~R5组成降压电路使VT1发射极电压稳定在3.2V,在电源电压不高于230V时,R3上的压降低于3.9V,VT1截止,HV-2405E的禁止端④脚悬空,电路正常工作;当电源电压高于230V时,R3上的压降将高于3?郾9V,该电压使VT1的基极电压高于发射极电压0?郾7V,VT1饱和导通,其发射极3?郾2V高电平接入HV-2405E的禁止端④脚,HV-2405E内部电路停止工作,切断输出电压,有效地保护负载和HV-2405E不致于过压损坏。

HV-2405E应用于28V低压下的稳压电路如图6所示。
编者注:HV-2405E的详细资料见本期配刊光盘“本期元器件资料”文件夹。
(广文)