在业余无线电通信中,提高射频输出功率可以让无线电波传得更远,因此能有一部高频功率放大器是许多“火腿”们的愿望。用电子管制作高频功率放大器具有成本低(如FU-50电子管和管座只需几十元,且无需散热板)、线路简单、制作调试方便等特点。
本人制作的用于手持机功率放大的10m波25W功放,在输入功率为3W时可得到约25W的输出功率。参考本设计改变部分元件值可用于其他频段,理论上最大可输出100W的功率。
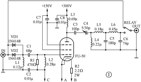
电路采用共阴极放大电路,因为电子管的输入输出阻抗比较高,所以输入输出电路都采用了PI型匹配网络,输入匹配网络主要目的是将输入信号放大,以推动电子管,输出匹配网络则用于使天线的低阻抗与电子管高输出阻抗相匹配,原理图见图1。图中L5、L6、C5、C6为低通滤波器,以抑制高次谐波,实际制作中可不用,原因是输出回路本身就起到了很好的滤波作用。

功放管选择FU-50电子管,跨导为3~5.2mA/V,最高工作频率120MHz,最大阳极耗散功率40W,输入电容13~15pF,输出电容8~11pF。
为提高功放效率,功放级工作在乙类状态,电子管的屏压为+300V,帘栅压为+150V,栅极电压为-27V,阴极直接接地,此时屏极静态电流约为10mA。
输入输出电路采用PI型网络,电路结构与计算公式见图2,Q值可在8~12之间选取。

考虑到屏极电压较高,输出匹配网络采用图2所示的PI型网络,确保输出电路不致于因为电容可能的损坏而输出高压,假设输出功率为25W,则最佳负载电阻为300V×300V/(2×25W)=1.8k,当输出电阻为50Ω时,由图2公式可求得输出匹配网络各元件参数。
10 m手持机在50Ω负载时,输出功率为2~3W,其输出电压峰值约为15V,根据阻抗匹配与电压驱动(栅极电压峰值需45V)条件,可计算出输入匹配网络各元件参数。
输入匹配网络串联一对反接的二极管。在小信号情况下,该二极管相当于开路,输入匹配网络不干扰正常的接收。栅极所接电阻应能承受输入功率,可采用多个电阻并联来实现。
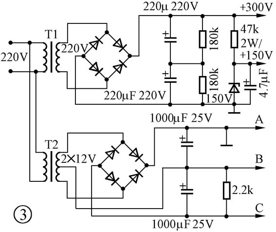
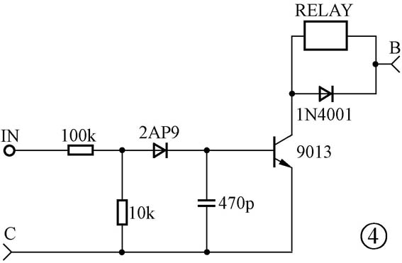
为确保人身安全,电源电路一定要用隔离变压器,若购买不到,可采用4个音响用电源变压器(每个双26V输出)输出串联得到,电源电路如图3所示。收发转换电路如图4所示。


按照原理图选择零件安装好电路后,具体调整步骤如下:接上10m手持机并按下发射开关,拨动线圈L2的最外一圈,使阳极电流最大,拨动线圈L3的最外一圈或调节电容C4,使输出功率最大,这样调整就算完成了。元器件选择方面要注意电容的耐压值,图1中的C7、C8耐压为630V,C4为空气电容,与C4串联的电容耐压应为2000V以上。在提高输入或输出功率之时,输入或输出匹配网络的线圈L1、L2、L3、L4可能会发烫,这时就要增大线圈的线径。
圆筒单层密绕式线圈计算公式如下:
L=D2N2/(1000l+440D)(μH)
式中D为线圈直径(mm);l为线圈绕组长度(mm);N为线圈圈数。
图1中各电感线圈实际绕制数据为:
L1:用直径为0.5mm漆包线在直径3.5mm的圆筒上密绕7匝;
L2:用直径为0.5mm漆包线在直径3.5mm的圆筒上密绕12匝;
L3:用直径为1mm漆包线在直径20mm的圆筒上密绕5.5匝;
L4:用直径为0.5mm漆包线在直径3.5mm的圆筒上密绕11匝;
L5:用直径为0.5mm漆包线在直径3.5mm的圆筒上密绕10匝;
L6:用直径为0.5mm漆包线在直径3.5mm的圆筒上密绕21匝。
(林河)