本文利用图形化的PSpice计算机辅助设计CAD工具Cadence OrCAD Capture 9.2对LC正弦振荡器进行计算机设计和仿真。希望通过这个设计实例,给无线电爱好者在使用计算机辅助设计电路方面一点帮助。
本刊曾在2002年第6、7期上对PSpice软件学生版进行过介绍,其下载地址为http://www.cadencepcb.com/products/downloads/PSpicestudent/default.asp。
LC振荡器是指以LC振荡回路作为选频网络的反馈振荡器,它可以产生几十千赫至几百兆赫的正弦振荡信号。本文选用一款电容串联改进型三点式振荡器,称为克拉泼振荡器。这里,三点式振荡器指的是LC回路的三个端点与晶体管三个电极直接连接的振荡器。而克拉泼电路是对普通三点式振荡器的一种改进,它将反馈信号的决定因素与振荡频率的决定因素相互分离,从而提高了振荡频率的稳定度。
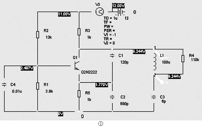
本实验电路见图1。在该电路中,电容C1和C2作为电路的反馈环路,对振荡回路的能量损耗进行补充,保证振荡器工作在稳定的状态,所以称为反馈振荡器。可见,该电路反馈系数F=C1/(C1+C2)不能太小,否则不能保证能量的充足补充。另一方面,在C3较小的情况下,电路的振荡频率主要由L1、C3决定,有f≈1/(2π L1×C3)。这样就将反馈环路与振荡回路相互隔离,提高振荡频率的稳定度;当反馈环路的元件有所改变时,振荡频率不会有很大的变化。

下面,结合CAD工具,介绍该电路的设计和仿真过程。
首先,在确定了实验用电路的基本形式后,将电路输入到PSpice中。其中,振荡电路需要在最初阶段加入一个尖脉冲,来仿真实际实验时接通电路瞬间的电压跳变。因此,在使用12V直流电源Vdc的基础上,可以利用SOURCE库中的VPULSE元件(见图2)。在其参数中,需要利用V1(初值)和V2(改变后的值),以及TD(尖脉冲来临的时刻),其他参数使用PSpice默认值。我们选用V1=-1V,V2=0V以及TD=1μs的VPULSE。将VPULSE与普通的Vdc串联,就可以得到符合实际的、能够对振荡器有一个初激励的电压源。

接下来,需要对晶体管的参数进行调整。为了保证该电路使用各种晶体管都能正常工作,将电路中的晶体管模型作如下修改:在电路中的晶体管上单击右键,选择“编辑PSpice模型”。按照如下的技术指标进行修改:IS=10-15A,βF=120,rbb'=5Ω,CJC0=1pF,CJe0=3pF,tF'=1ns(fT=160MHz),VA=100V。对应在PSpice模型中,参数语句应该更改为:Is=ie-15Vaf=100βF=120 Cjc=1p Cje=3p t F=1n R b=5。其余参数使用PSpice模型的默认值即可。这样,就消除了不同晶体管之间的差异,使电路对晶体管具有了一般性。
然后,确定各个元件的参数。这里,首先应该确定电路的静态工作点,保证晶体管工作在放大区,满足振荡器的要求。然后再确定反馈环路C1、C2和LC振荡环路L1、C3的参数。由上面讨论可知,反馈系数F不能太小,因此这里选择C1=120pF、C2=680pF,使F=0.15;而选择LC回路时,要保证C3较小,因此选择L1=100μH、C3=6pF,得到振荡频率约为6.5MHz。各确定电路的参数如图1所示。
完成了上面的输入步骤后,就可以进行仿真了。点击设计面板上方的“创建仿真文件”,选择仿真时间为30μs,进行时域仿真,仿真文件设置见图3。然后,利用PSpice提供的探头测量工具,放置在L1电感的两端,测量其上的电压差,作为输出信号,得到的仿真波形如图4所示。达到稳定状态时,正弦信号峰峰值达10V,可以满足一般需要。为了检查该信号的频率,利用仿真波形界面上方的FFT按键(见图5),然后适当调整坐标轴范围,就能够得到该信号清晰的频谱,见图6。从频谱图中,可以看到频率为6.90MHz的正弦信号功率最大,这就是振荡器的正弦振荡输出信号。与上面的理论近似计算相比,误差为6.0%,主要由理论公式的近似性产生。




本电路使用的元件和结构都较简单,在计算机模拟通过了电路的设计后,就可以按照电路图组装出实际的电路。由于实际情况与理论存在不可避免的差异,因此需要对实际电路分级测量,进行相应的校准。而实际的LC回路的参数L1、C3也需要在实际测量过程中经过校准,才能最后确定;在对频率的准确性要求高的场合,比如载波信号的生成,更是如此。因此,计算机仿真虽然对电路的设计起了基础性的作用,但实际电路的调整还是不能避免的。
利用计算机仿真,最大的好处是可以帮助我们对电路各个参数的作用作一定的研究。比如,在该电路中,调节电路中C3的值,可以改变振荡器输出信号的频率;而适当改变C1和C2的值以及它们的比例关系,还可以改变电路的起振点;适当改变R2可以改变晶体管的静态工作点,对振荡频率和振荡幅度产生影响。这里,上述各种情况的仿真验证留给读者完成。读者还可以使用同样的设计方法,对电路进行更深入的讨论。
(刘奇佳)