高性能的低噪声前置放大集成电路是组合音响中必不可少的电路之一。本篇主要介绍由美国国家半导体公司(National Semiconductor)研制生产的运放型双音频前置放大器集成电路LM833。
LM833是一种主要为音频等系统设计制造的高性能通用型双运放集成电路,它在许多组合音响、Hi-Fi系统和电脑多媒体音响装置中被广泛应用。它还可用作高低通滤波器、正弦波发生器、音调控制器、加减法电路、图形均衡器以及AC/DC变换器等。这种集成电路主要特点如下。
1.宽的动态范围(140dB);2.低的输入噪声电压(4.5nV/√Hz);3.高的压摆率(7V/μS);4.低失调电压(0.3mV);5.高增益带宽(15MHz);6.宽的功率带宽(120kHz);7.低失真系数(0.002%)。


表1和表2列出了LM833的主要特性参数,其主要极限参数为:电源电压VCC-VEE为36V;差分输入电压Vi为±30V;输入电压范围Vic为±15V;功率耗散PD为500mW;工作温度Topr为-40℃~85℃。
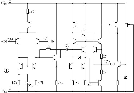
LM833双前置放大器是由两个相同的单放大电路所组成。图1示出了单放大电路的结构,另一单放大电路结构与此相同。LM833为8引脚标准封装集成电路,各引脚功能和名称如图2所示。其封装形式有多种,常用主要是双列直插塑封和双列扁平塑封两种,外形如图3所示。



在新科HG-5300型音响中,共应用7片LM833,分别是5IC1、5IC2、1IC3、1IC9、1IC11、4IC3和4IC6,其应用电路基本相同,有些外围元器件的规格数值有所区别。
图4示出了5IC1的具体应用电路。由图4可见,5IC1在电路中用作音频功放5IC3(TDA7265环绕声功放)和5IC4(TDA7294左声道功放)的前置放大器,其电路结构简洁明了,信号流程清晰,外围元器件较少,检查及维修都较方便。
(王德沅)