康佳、TCL公司采用飞利浦公司于2000年开发的超级芯片TDA9380为主机芯生产的彩电型号主要有康佳T2168K/T2180K/T2168N/A2168K/A2176N、TCL-2999UZ等。TDA9380将微处理器(CPU)和TV信号处理器集成于一体,大大简化了电路,提高了整机性能与稳定性。投放市场后很受消费者欢迎。本文以康佳T2168K彩电为例,对TDA9380超级芯片在该机的应用电路工作原理作一简介,同时还给出检修资料及故障检修思路,供读者参考。
一、TDA9380超级芯片在康佳T2168K彩电的应用电路工作原理
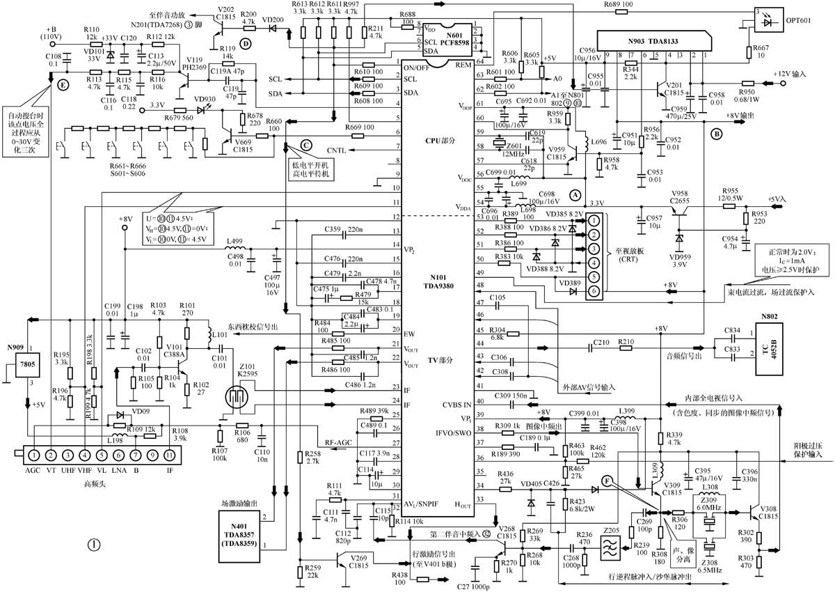
超级芯片TDA9380在康佳T2168K彩电的应用电路如图1所示。从天线输入的高频电视信号送至高频头,经选频、高频放大、混频后从高频头IF端子输出中频信号至预中放V101(C388A)。在上述运作过程中,遥控器发出相应的指令(或本机键发出相应的指令)信号被接收器OPT601接收,指令信号从OPT601③脚输出,经R689送至N101(TDA9380)紟{6}脚,这时N101⑩、便送出相应的调谐电压到高频头⑤、④脚;同时从N101④脚输出脉冲调制的调谐电压(TPWM)经R119、C119至调谐倒相放大管V119(PH2369)基极,经倒相放大的调谐电压经由R116、C118、R115、C116、R113、C108组成的三节RC低通滤波后,送到高频头的②脚,调谐出的中频信号从调谐器(IF)端子输出。

由调谐器输出的中频信号经C102耦合至预中放V101,经放大、倒相后由集电极送至声表面滤波器Z101,得到38MHz的电视信号分别送至主芯片N101(TDA9380)的。TDA9380内部电路对输入的中频信号进行中频放大、同步视频检波(外接R189、C189为IC内部锁相环滤波电路)、视频放大。AGC检波得到中频AGC电压以控制中放增益,高频AGC(RF-AGC)从输出经R106、R107分压后送到调谐器①脚,对高频放大器增益进行控制。
经TDA9380内部中频电路处理后得到的复合视频信号,再经视频放大后从输出,经R309送至缓冲隔离级V309(C1815)进行声、像分离,从V309发射极输出的复合视频信号分两路:一路经SIF陷波电路R306、Z308(6.5MHz)陷波器、Z309(6.0MHz)陷波器、L308(6.8μH)送到V308(C1815),经以上陷波电路消除掉色度、同步和视频电路所不需要的第二伴音中频分量,陷波后剩余的图像信号(含色度、同步)回送至N101的;另一路经R239、C269、Z205(6.5MHz)、C268组成的T型滤波器,送至V268(C1815)缓冲隔离级,经以上滤波器滤除的是图像信号,允许6.0MHz或6.5MHz的I制或D制的第二伴音中频信号通过,该第二伴音中频信号经V268缓冲放大后,经C115送到N101的。
经声、像分离后的图像信号(内部全电视信号CVBS1)送至N101内部的视频开关电路,经视频开关选择切换选定视频信号,再经视频识别电路、视频滤波器分离出亮度信号(Y)和色度信号(C)。亮度信号经亮度延迟线延时、峰化电路进行轮廓修正、黑电平延伸电路进行黑电平扩展后,最终将经亮度信号处理电路处理后的亮度信号送到YUV插入与矩阵电路及色饱和度控制电路。色度信号进入ACC自动色度控制电路色解码器,解码后的信号送入1H基带延迟电路进行PAL制的1H延迟,然后与亮度信号一起送到YUV插入与矩阵电路。以上信号处理过程受引入BL信号(快速消隐信号)控制;色饱和度、亮度、白电平限幅等处理过程受输入的束电流限制及信号的控制。最后从N101分别输出三基色信号R、G、B。
行、场扫描信号处理均在N101(TDA9380)内部。其中行驱动信号由N101输出,经R438加到行推动管V401(C2482)的基极。V401集电极对地接的C412(220p)用以防止高频谐波干扰产生振铃的现象,由于V401基极输入的行驱动信号为方波信号,所以V401工作在开关状态。经V401放大倒相后的行脉冲以反极性激励方式经T401加至行输出管V402(2SD1555)的基极。其中的场驱动锯齿波脉冲信号从N101(TDA9380)输出,分别经R485、R486加到N401的②、①脚,其中为同相输出,为反相输出。TDA9380为场输出TDA8357J过流保护及束电流过流保护输入端。N101外接的C489为场锯齿波形成电容。外接的C479为移相器滤波电容。扫描电路的东—西枕形失真校正控制从N101输出。
从TDA9380输入的第二伴音中频信号经IC内部的声音AGC放大、窄带锁相环滤波及解调器解调后的音频信号送至声音开关电路。为外部音频信号切换(本机空),外接C117为去加重电容。第二伴音中频信号再经自动音量均衡,最后从输出,经C210、R210后分为左、右两路,分别经C834、C833送到N802(TC4052B)的①、②脚,AV3的L3送至④脚,R3送至,由N802内部对4个左声道输入音频信号和4个右声道输入音频信号进行切换,切换的控制信号由⑨、⑩脚输入的电平状态决定。经选择切换后的音频信号从N802的③脚输出左声道音频(L),从输出右声道音频(R),分别送至N203(TDA7429T)的。经数字音频处理(包括立体声/环绕声)后的音频信号从N203的分别输出L、R声道音频信号至功放电路N201(TDA7268),经功率放大后推动扬声器发音。
主芯片TDA9380的供电工作电源。TDA9380内部微处理器采用三组+3.3V电压供电:其中为VDDA供电引入端;为VDDC供电引入端;紜{6}脚为VDDP供电引入端。TDA9380内部的TV处理器电路部分用两组+8.0V供电:其中为行振荡电路供电端;为TV信号处理电路供电端。
TDA9380芯片的供电采用一块TDA8133(N903)满足供电需要。TDA8133是一块带有截止与重置的5.1V电压调节器,输出电流>750mA。它从①、②脚引入开关电源送来的+12V电压,经内部电路调节,从⑧脚输出+8V电压加至TDA9380的,为IC内部的TV处理电路提供工作电源。从TDA8133的⑨脚输出+5V电压加到V958(C2655)的集电极(电源开关稳压),由于V958基极接有3.9V稳压管VD959,V958导通,经R955降压及管压降,使发射极给C957充电,C957上便得到+3.3V的直流电压。该电压分三路为TDA9380(N101)的紜{6}、提供工作电压。在待机状态时,TDA9380①脚输出高电平,经R610(100Ω)、R211(4.7k)使开/关机控制管V201(C1815)饱和导通,TDA8133④脚接地,其⑧脚+8V输出电压被切断,TDA9380内部的TV处理电路因供电中断而停止工作。为保证行振荡无输出,TDA9380的①脚待机高电位又同时使V269(C1815)饱和导通,从而使TDA9380的行激励输出信号被短路到地。在以上运作过程中,TDA8133(N903)⑨脚的+5V输出电压始终正常,从而保证了+3.3V对TDA9380内的CPU部分正常供电。存储块N601(PCF8598)+5V供电也正常。TDA8133的⑥脚为复位控制端,复位操作时,⑥脚为高电平,经R956、R958分压后使V959(C1815)饱和导通,此时TDA9380紛{6}脚为0V低电平,IC内部按复位操作。
(周彦芳)