东芝AG系列是2002年东芝公司开发推出的高档背投彩电,代表性的机型有43AGUC和50AGUC,与中档的DG系列背投彩电相比(如61DGUC),在视频方面增加智能逐行扫描和高密度像素处理及精美影院功能;在音频方面增加了WOW三维动态环绕声和超级火箭炮功能。由于AG系列和DG系列背投彩电的电源电路结构基本相同,下面以43AGUC/50AGUC机型为例,介绍其电源原理与维修。
电源电路的结构与原理
1.电源电路的特点
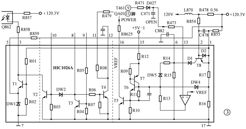
东芝AG系列背投彩电电源电路如图1所示,系统由电源厚膜块STR-Z4479、开关变压器T862、保护模块HIC1026A、光耦耦合器Q862(主电源部分)和工频变压器T840、D83G、Q840(属待命电源)等相关元器件组成。它的主要特点是主开关电源由三肯公司新开发的半桥式直流变换器STR-Z4479和日立公司新开发的保护模块HIC 1026A构成黄金组合,电路简洁明快、便于维修。

2.主开关电源工作原理
(1) 振荡脉冲的形成
半桥式电源变换厚膜块STR-Z4479(Q801)内部方框电路如图2所示,它的⑦脚、内接OSC振荡器,由内部的双稳态触发器和两脚外接定时元件R802+R807和C819组成(见图1)。通过内部恒流源对定时电容C819充电与放电在上形成锯齿波脉冲电压,触发双稳态电路输出受锯齿波脉冲频率控制的方波激励信号。
OSC振荡器输出的方波脉冲频率即锯齿波电压的频率f=1/(RTCT),图1电路中振荡元件决定的频率约为64kHz,式中RT=R802+R807、CT=C819;其中RT的取值决定CT放电电流的大小,而在一周期内流出的电流(充电电流)和⑦脚流出电流(放电电流)相等,这样在RT确定之后,定时电容CT的充电电流大小就由恒流源内阻决定。
(2) LC串联谐振电路
在图2中,两只MOSFET管T1、T2和开关变压器T862④-⑤主绕组、电容C828组成LC串联谐振电路。OSC电路产生的方波脉冲由逻辑电路整形处理,得到两路相序相反的方波经DRIVE激励放大,加到MOSFET管T1和T2的栅极:当DRIVE1在上半周输出正极性方波脉冲时,DRIVE2则输出负极性方波脉冲,对应T1导通、T2截止,整流滤波直流电压经L812→Q801①脚→T1管漏—源极→T862④、⑤脚给C828充电,充电电流方向由上至下;下半周DRIVE1输出负极性方波脉冲,DRIVE2输出正极性方波脉冲,对应T1载止、T2导通,C828上充电电压通过T862⑤、④主绕组→T2管漏—源极→公共接地端构成的闭合回路放电,放电电流方向从下向上。周期性变化的电流在T862④、⑤电感绕组上激发相应的感应电动势,在方波脉冲的重复频率f与LC串联谐振回路的固有频率f0=1/2(1/ LC)相等时,回路发生电谐振现象,此时T862④、⑤绕组出现最大电动势εmax。谐振电容C828上的电压与T862④、⑤电感绕组上感应电动势绝对值相等,流过C828中的输出电流近似于正弦波。由于f与f0同步,理论上两只MOSFET开关管的导通与截止转换损耗为零,因此其变换效率高于普通PWM方式的开关电源,而且谐振式开关电源频率的提高,使电源自身的体积和重量都相应减小。
(3) 电源的稳压调整控制
传统PWM开关电源输出电压的稳定是通过改变开关管的导通脉冲宽度(导通时间)来实现稳压的,图1谐振式开关电源则是通过调整OSC电路输出方波脉冲的振荡频率维持输出电压稳定,其谐振式开关电路的响应速度比脉宽调制方式更快,调整范围也更宽。
主开关电源的稳压控制调整电路由保护模块Z801③、⑤、⑦脚内的误差放大器、光电耦合器Q862和谐振式电源厚膜块Q801④脚内的CONT组成。CONT实质上是内部恒流源的一个分流支路,而Q862则等效于分流器的可变偏置电阻,通过Z801内误差放大器的控制调整作用,改变其阻值可以改变CONT对恒流源的分流,从而改变C819的充电速率,即Q801锯齿波脉冲的频率。
稳压控制调整过程如下:
当某种原因使电源+B120V直流电压升高时,这个正的ΔV增量被Z801①脚的R02并联R01检测加到误差放大管T1基极(见图3),与发射极的基准电压进行比较放大,使流过Q862①、②脚发光二极管的光电流增加→Q862④、③脚光敏三极管集-射极内阻减小→Q801④脚CONT的分流作用增强→内恒流源对C828的充电电流减小而使充电到设定值(约4.1V)的速率减慢,结果使OSC输出方波脉冲频率降低,则+B120V电压上升趋势被拉下来。

电源+B120V直流电压下降时,FCONT闭合环路将发生与上述变化完全相反的物理过程:负的ΔV增量与VREF基准电压比较放大使流过Q862①、②脚发光二极管中光电流减小→Q862④、③脚光敏管结内阻增大→Q801④脚分流作用削弱→对C828的充电速率加快,结果使OSC输出方波脉冲频率增高,则+B120V电压下降趋势被拉上去。
(4) 主开关电源的直流供电
交流电源经C801、T801、T802、C806、C802~C804两级共模滤波和D803、C851整流滤波得到约280V直流脉动电压加到Q801①脚,作为内部MOSEFT管漏极工作电源;交流电源共模滤波后还经R828、R816、C815平滑滤波给Q801⑧脚提供正向启动脉冲,该脉冲幅度达到15.7V时,内部的START电路开启,VREF电路为OSC内恒流源供电,通过给定时电容C819充放电产生锯齿波,然后由双稳电路和逻辑电路处理成两路反相的方波激励两只MOSFET管轮番导通。
主开关电源振荡后,T862②、①脚上的感应脉冲经D813、C829整流滤波,产生约16.5V直流电压加到厚膜块Q801的⑧脚,作为包括LOGIC在内的左边小信号电路的工作电源;16.5V电压还通过⑨脚的R809、D811在T2导通期间给C820充电,建立约16V直流电压。在T1导通时,Q801电压约265V、此时D811截止、电压为265V+16V=281V,这个电压作为DRIVE1的工作电源,以保证高端激励级具有足够的推动功率。
T86219组感应脉冲经D860、C876整流滤波,产生+120V直流电压给行输出级、扫描速度调制输出级和动态聚焦输出级供电。
T862⑦-崛谱楦杏β龀寰璂859、C875整流滤波,产生+7V直流电压,+7V电压经四端稳压器Q832、Q833和Q834稳压,得到5V-2、5V-3、5V-4共三组电压提供给机芯数字信号处理电路;+7V还为浪涌电流限制保护控制电路(包括继电器)供电。
T862⑩-组感应脉冲经D856、C869整流滤波,产生41V直流电压为超重低音输出级供电。
T8622018组感应脉冲经D855、C861、C863整流滤波,产生±16V直流电压为动态会聚电路中的运算放大器、会聚功放输出级供电;T8622018组感应脉冲经D840~D843、C8100~C8103倍压整流滤波产生+32V直流电压为会聚推动级供电,+32V电压还为音频立体声功放级和主、副FS调谐器供电;T86220组感应脉冲经D845、C870整流滤波,产生+16V-2电压给行推动级供电,+16V-2电压由Q835、D835串联稳压,得到12V电压给机芯小信号电路供电。T862⑥-⑧绕组感应脉冲经D854、C860整流滤波,产生+11V直流电源,+11V由四端稳压器Q830、Q831稳压、得到+9V-1和+9V-2电压,这三组直流电压为机芯小信号电路供电。
(李其佳)