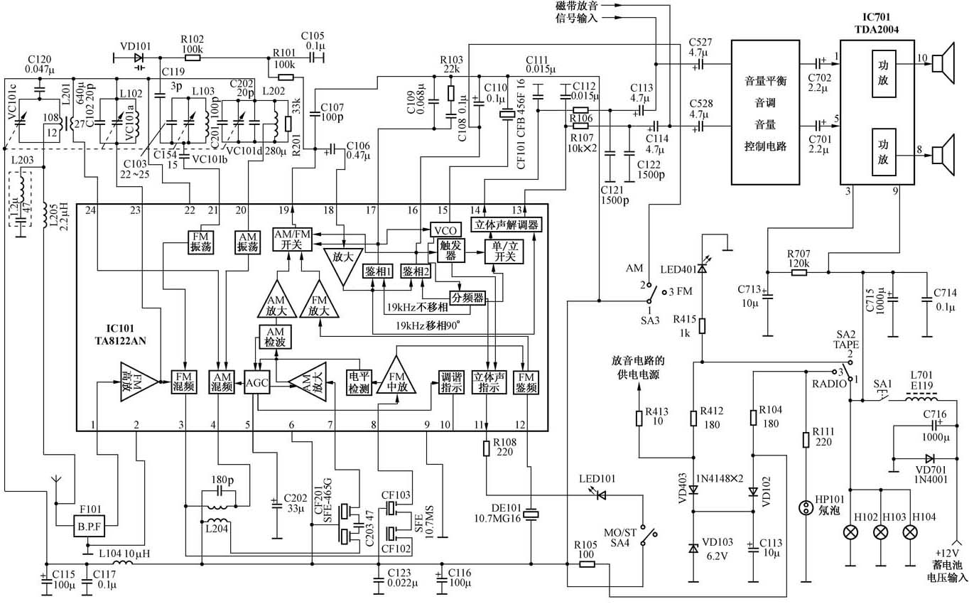
德赛DS-628B型高级汽车音响收音电路如附图所示,主要由一块单片收音集成电路TA8122构成。

电路工作原理
1.集成电路TA8122简介
TA8122是日本东芝公司推出的大规模收音专用集成电路。它内含调幅混频、本振、中放、检波;调频高放、混频、本振、中放、鉴频、立体声解码等电路;附属电路有调谐显示驱动、立体声指示驱动、AM/FM切换电子开关等电路。
TA8122集成电路有两种封装形式,以不同的后缀加以区别。其中:TA8122AN采用24脚小型双列直插(DIP)封装形式,引脚间距为标准DIP的1/2;TA8122AF采用24脚表面封装形式。但两者的引脚功能和顺序基本相同,可互换使用。
TA8122集成电路功耗相当低,在AM状态时有6mA左右,在FM状态时有8mA左右;工作电压范围宽,在1.7~7V内均可正常稳定地工作;AM、FM波段接收灵敏度分别为1mV/m、20μV/m左右。
TA8122集成电路内电路方框图如附图中所示,其各引脚功能说明与检测数据见本文下篇附表。
2. AM(调幅)高频信号处理电路
(1) 天线输入及高放电路
从天线接收到的信号,经由L205、L203、VC101c、L201等组成的输入选频回路选频后,从TA8122AN集成块进入IC内的AM混频电路。
(2) 本机振荡电路
TA8122AN外接的VC101d、R201、L202、C201、C202为AM本振电路外接元件。其中VC101d与VC101c是四连可变电容器的两个连,两者电容量呈同步变化状,以保证调幅本机振荡电路的振荡频率始终高出AM高频信号465kHz。本振电路产生的本机振荡信号也加至混频电路。
(3) 混频电路
在AM混频电路中,本振信号与高频信号进行混频、差拍后得到的信号从④脚输出,经中频变压器L204及由CF201组成的两级中频陶瓷滤波器滤波,选出的465kHz中频信号加至IC101(TA8122AN)⑦脚。
3. FM(调频)高频信号处理电路
(1) 天线输入及高放电路
从天线接收到的FM信号,经F101带通滤波器(该带通滤波器的作用是只让调频波段内的信号通过,滤除调频广播频率范围之外的干扰信号)选出87.3~108.3MHz范围内的调频信号后,加至集成电路IC101的①脚,进入FM高频放大电路。放大后的信号经由外接的选频网络(由C102、VC101a、L102组成)选频后送至FM混频电路。
(2) 本振电路
IC101外接由C103、L103、VC101b组成FM本振调谐回路,VC101b与VC101a是四连可变电容器的两个连,其电容量呈同步变化状,以保证调频本机振荡电路的振荡频率始终高出FM高频信号10.7MHz。本机振荡电路产生的信号也加至混频电路。
(3) 混频电路
在混频电路中,本振信号与高频信号进行混频,差拍后得到的信号从③脚输出,经由两只10.7MHz的选频陶瓷滤波器CF102、CF103滤波后,由CF103的输出端输出10.7MHz的FM中频信号加至IC101⑧脚。
4.中频信号处理电路
(1) AM中频信号处理
从IC101⑦脚输入的AM波段465kHz中频信号,经中频放大电路放大、AM检波,得到的音频信号在IC内分为两路:一路经AM音频预放大电路放大,由AM/FM电子开关转换后从输出;另一路去AGC电路。
(2) FM中频信号处理
从IC101⑧脚输入的FM波段10.7MHz中频信号,经中频放大电路放大后加至鉴频器,鉴频后得到的音频信号经FM音频预放大电路放大,由AM/FM电子开关转换后也从输出。
在这部分电路中,IC101的外接的DE101为调频鉴频器外接10.7MHz晶体,采用该晶体作鉴频谐振元件,可避免调整上的麻烦,使电路简单,安装更加方便。
5. AFC和AGC电路
(1) AFC电路
该电路由VD101、R102、C105等元件组成。在IC101的内部,经鉴频或检波后的立体声复合音频信号或单声道音频信号,由AM和FM缓冲放大器分别进行放大以后,通过电子开关电路选择后从输出,然后分成两路:一路经C106去立体声解码电路,另一路经R101、C105、R102组成的滤波电路变换成AFC控制电压后加到变容二极管VD101负极上,用以控制该变容二极管的等效电路,以达到修正本振频率的作用。
(2) AGC电路
接在IC101⑤脚与地之间的C202为AGC时间常数电容,用以决定AM接收时的AGC时间常数。AGC电路有以下三个作用:输出中放AGC电压去控制AM中放电路;输出高放AGC电压去控制AM高放电路(属延迟控制方式);根据调幅检波和调频鉴频后的电平,输出调谐电压至调谐指示电路,用以控制IC101⑩脚外接的调谐指示发光二极管,但该机这一功能未使用。如在该脚(IC101⑩脚)与电源间加接一只发光二极管和一只470Ω左右的限流电阻(两者串联,发光二极管的负极接⑩脚),就构成了调谐指示电路,当将所接收的电台调准且接收信号最大时,就可使外接的发光二极管LED指示最亮。
6.波段选择控制电路
波段选择是由IC101外接的SA3开关来控制的,由该开关控制是接电源端或悬空,进而通过IC内部的AM/FM电子开关的作用,来选择整机的工作状态:
(1) 当SA3开关将IC101的与电源接通时,整机处于AM波段收音状态;
(2) 当SA3开关悬空(即与电源脱开)时,整机处于FM波段收音状态。
7.立体声解码电路
立体声解码电路主要由IC101内电路及其外接的元件组成,属锁相环开关解码方式。
(1) 前置放大电路
从IC101输出的AM或FM音频信号,经C106电容耦合从进入立体声解码前置放大电路,放大后输出的信号分三路:一路作为解调信号加至立体声解调器;另两路作为比较信号加至鉴相器1和鉴相器2。
(2) 鉴相器1
IC101外接晶体CF101和其内电路组成的压控振荡器产生的76kHz振荡信号在分频器中经两次2分频,得到的19kHz(移相90°)的信号也加到鉴相器1电路中,该19kHz信号与复合信号中的19kHz导频信号进行频率和相位的比较。若二者频率不相同,或相位差不恰好为90°,鉴相器1就输出一个误差电压,从而迫使VCO与输入的19kHz信号频率一致,相位差为90°。当VCO被锁定后,锁相环路进入稳定状态。
当上述环路锁定后,VCO经分频得到的信号便与发送端的原副载波(38kHz)完全同频同相了。该信号经放大整形后,作为开关信号,经单/立开关加到双平衡开关或立体声解调器,对主副信号的合成波形进行解调,从而分离出左、右声道音频信号,分别从和输出。
(3) 鉴相器2
从分频器输出的另一路不移相的19kHz信号加至鉴相器2中,并与输入复合信号中的19kHz导频信号进行比较。如果两者同频同相,鉴相器2就有一个较大的误差电压输出,该电压作为激励信号推动施密特触发器,使其动作后通过立体声指示灯电路使IC101为低电平,由此就会使立体声指示灯LED101导通点亮,以示收音电路处于立体声接收状态。
由此可见,当接收到的是单声道AM或FM广播时,由于无导频信号,立体声指示灯电路就无输出,LED101发光二极管就不会发亮。
(4) 其他元件作用
IC101外接的C109、C108、R103为锁相环双时间常数低通滤波电路,用于对鉴相器1输出的误差信号进行滤波后去锁定VCO频率;外接的C110为VCO的时间常数元件;外接的R108为立体声发光二极管的限流电阻。
8.音频后级处理电路
从IC101输出的左、右声道音频信号,到去加重和副载波滤除电路(由C112、C111、R106、R107、C122、C121等组成)后,经C113、C114、C527、C528电容耦合,送至左、右声道音量平衡、音调、音量控制电路处理后,由C702、C701耦合送至功放电路TDA2004进行音频功率放大、去推动扬声器发声。
9.收音电路供电
收音供电电路由VD102、VD103、C113等组成,受机芯开关SA2控制。该开关安装在机芯下端,受机芯机械系统的控制。当将磁带盒插入盒仓内,机芯机械系统带动SA2开关使其①、②触点接通,12V蓄电池电压经C716、L701滤波电路去除干扰→电源开关SA1→SA2①、②闭合的触点后,一方面经R415使放音指示灯LED401导通发光,以示处于放音状态;另一方面经R412限流,VD403与VD103稳压为8V左右,经R413提供给放音电动机和各相关电路,使放音电路得电工作。
当按出盒键使盒带出仓后,机芯也同时带动SA2开关使其①与②触点断开,①与③触点接通。这样,12V蓄电池电压就经SA2闭合的①、③触点,一方面经R111使收音指示灯HP101点亮,以示处于收音状态;另一方面经R104限流,VD102与VD103稳压为8V左右,经R105限流后提供给收音电路,使其得电工作。
(孙余凯 吴鸣山)