众所周知,乙类放大器的效率最高,但由于通常采用了电压驱动方式,所以互补功放管发射结伏安特性的死区段与随后明显的弯曲段带来了不可避免的交越失真与非线性失真。为了消除交越失真,人们采用给功放管一定的偏置,使功放管越过发射结的死区段,而成为所谓的甲乙类放大器。不过,无论怎么偏置,由于甲乙类功放两互补管的基极具有相同的交流信号电位,即信号同时作用在其中的NPN管和PNP管的基极上,如果信号刚进入正半周使得其中NPN管的电流增加时,PNP管中的电流就有了小小的减小余地,这个减小随着信号值的增加而增加,直到使PNP管截止为止,这个减小叠加在输出量上就造成了失真,换句话说:甲乙类功放无法摆脱信号瞬时值在较小时,即过零点附近两管同时参与的差动放大,不妨称之为“差动交越失真”。理想的话,此时的PNP管中电流要冻结在原有的偏置水平上,同理,在PNP管处于放大状态时,NPN管中的电流也要冻结在原有的偏置水平上,真是左右为难啊!
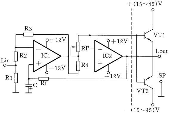
真的没有办法了吗?不!双极型三极管本来就是电流放大器件,从电流到电流的转换其线性肯定比从电压到电流的转换线性要好,直接采用电流驱动,可以免去偏置而成为纯乙类功放,现在的关键是要找到与信号电压成正比的电流源作为驱动级,用运放就可以简单实现,具体电路见附图(这只是其中的左声道电路)。

1.电路原理
IC1及外围电阻构成反相比例信号电压放大器,R1改变输入电阻,RP是音量电位器。IC2、R4及RP完成对信号的电压电流线性转换而去推动互补功率三极管,Rf与C构成IC2输出端即输出中点的直流反馈而将它的直流电位牢牢钳制在零点上,从而保证它在无信号输入时,扬声器中丝毫没有电流声,因为此时两管均截止,相当于高阻态悬空。笔者用一节干电池作为输入信号,无论正反接入,大约一秒钟后,输出中点电位就能重新恢复为零。至于电解电容C的极性安装根据实测确定,若信号源带有一点点直流分量,会对IC1同相输入端的电位产生影响。在信号源改变的情况下,需要重测IC1同相输入端的极性而确定电容是否要重装,这样做的目的是为了省去两只反串联电容。由于整个放大电路一路直耦,所带来的好处就不言而喻了,虽然没用耦合电容,但其反馈电容照样有隔直流的作用,选择合适的电容值可以使它扼制直流分量迅速而又不对低频信号产生过分的负反馈作用。
2.元件选择
电阻均为1/8W金属膜电阻,R1:100Ω(弱信号输入时可提高);R2:10kΩ;R3:200kΩ;R4:100Ω;Rf:100kΩ;音量电位器RP:1kΩ;C:100μ/6V;IC1、IC2:NE5534,也可以左右声道合用NE5532,但不要同一声道合用它。功放管β≥60,VT1:2N3055;VT2:MJ2955;电源共需三组,两声道合用一个前级电源,后级电源左右声道要分开,两个后级电源电压高低及容量由输出功率决定,用8Ω扬声器,功率想大一点,电源电压及容量就取大些;用4Ω扬声器,电压可取低些,对管与运放可以换上更好的。
3.安装调试
笔者直接把元件搭焊在运放的插座反面,虽用了电路板,只是安置运放的插座而已,信号与电源线均采用了普通的单芯屏蔽线。音箱不要急于连接上,通电后,先进行必要的测试。参考电位取前级的地,验证两个电容的极性对否,验证两个声道的输出端直流电位是否为零,然后连上音箱,再次验证音箱两端的直流电压是否为零。对于这款功放的音效,笔者不想多说,相信朋友们一定会被它简洁新颖高效、几乎免调试和高性价比所吸引,作为随身听功率接续多媒体有源音箱时,效果很不错。因为电路采用全程直耦,又不加任何修饰,所以总体感觉是原汁原味。如果再加进扬声器保护电路那就更完善了。
(沈国平)