前面几期文章中笔者介绍了多款二分频音箱的制作实例,本期应一些读者的要求介绍一款三分频音箱的制作。
扬声器选择
本着高性价比的原则,本款音箱的扬声器均采用南京电声股份有限公司生产的南鲸牌扬声器。低音扬声器选用8英寸长冲程石磨强化PP盆低音扬声器,型号为YD200-8XPH;中音选用该厂生产的高档PP盆6.5英寸扬声器,型号为YD176-8XPH;高音扬声器选用音色柔和、细腻的蚕丝膜球顶高音扬声器,型号为YDQG20-8GV,该扬声器采用高级透明蚕丝膜,不但音质优美,而且外观也很新颖,并带有网罩,防止振膜损坏。各扬声器参数见表1。

箱体结构
该款音箱箱体尺寸分别为215mm(宽)×320mm(深)×940mm(高),内部有效容积约42L。箱体采用厚度为15mm的中密度板制作。前面板用两层板子压合而成,其他面用单层板即可。为了提高重放声音的定位能力,本音箱的高音扬声器与中音扬声器距离较近,在打安装孔时,注意刀具不要放偏,否则可能导致这块板子报废。音箱前面板尺寸如图1所示。另外,由于该音箱箱体尺寸较大,为了提高箱体的稳定性,在音箱内部加入了一层隔板(在制作时应稍微倾斜一些,以消除平行共振),这层隔板不但可以起到加强筋的作用,而且倾斜的木板把箱体内部低音与中高音工作室分开(低音与中高音分腔工作),将因低音与中高音单元在一起工作而引起的“声染色”现象降至最低,若在这个倾斜的隔板上再加装一只倒相管,还可以使低音腔室与中高音腔室形成两个独立的亥姆霍兹共振腔,箱内声波产生两次谐振,从而使音箱的低频下限更低,强化音箱的低频效果。音箱侧面视图如图2所示。

倒相管可以购买直径为80mm的成品大号倒相管,也可以用直径80mm的PVC工程塑料管截取所需要的长度。
分频器制作
三分频音箱不仅仅是采用三个扬声器简单组合而成的音箱,三分频音箱不但在设计时要考虑到各种扬声器的兼容性以及箱体的合理设计,而且,分频器的设计也是关键的一环,这三者缺一不可,否则,音箱的音质就可能达不到预期效果。
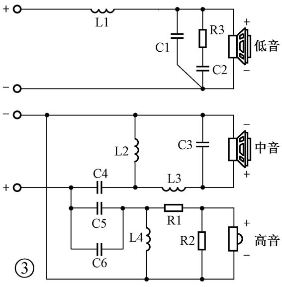
本音箱分频器电路如图3所示。分频器采用了12dB/oct(-6dB) 降落点交叉分频方式。分频点分别为800Hz、2200Hz。高音耦合电容在该电路中采用了两个电容C5、C6并联的方式,以减少电容高频内阻对高频信号的影响。元器件参数如表2所示。


由于不同的扬声器单元在灵敏度指标上很难保持一致,尤其是球顶中频、高频扬声器由于振膜质量小等原因,它们的灵敏度和转换效率常常高于低频扬声器。倘若我们用灵敏度差异很大的低频、中频和高频扬声器单元直接制作音箱,整个音箱的频响特性就会变得起伏不平,使音箱的响度显得十分不均匀。其次,为了保证音箱满足各项技术指标,音箱的低频、中频和高频单元常常不得不选用不同形式的扬声器,这些扬声器单元的阻抗值不可能完全相同,由于这些扬声器单元各自工作在不同的频段,故功率放大器对不同分频频段的输出功率也就不同。
因此,这时就需要采用衰减器对高灵敏度扬声器的灵敏度进行衰减。衰减器是整个扬声器分频网络中的一个重要组成部分,它在扬声器分频网络中的作用就是设法在音频功率信号输入扬声器之前,通过一组具有适当阻值的固定式电阻器或电位器使输入扬声器的信号大小受到一定程度的衰减,从而达到调节扬声器输入电功率、控制扬声器响度以及灵敏度的目的。
图3中,电阻R1、R2共同组成网络衰减器,电阻R2与扬声器单元并联后再与电阻R1串联,只要适当选择电阻器R1和R2的数值,就能在保证分频网络负载阻抗不变的前提下对输入扬声器的信号进行衰减。这种网络衰减器中衰减电阻R1和R2的阻值可由下式确定:R1=(K-1)÷K×Z,R2= K÷(K-1)×Z。上式中Z为需要衰减灵敏度的扬声器的额定阻抗;K=10 A/20,指数中A为需要衰减的灵敏度数值。由于该算式计算较复杂,计算不方便,为了方便读者使用,笔者将其编制成一个计算机程序,使用时只需输入相关参数即可求出阻容元件参数。该程序可以在本刊网站下载或者在本期配刊光盘的“本期程序”→“灵敏度衰减计算程序”文件夹中找到,双击“灵敏度衰减计算程序.htm”文件即可运行该程序。程序界面如图4所示,输入“扬声器阻抗”(额定阻抗)以及“衰减灵敏度”等参数后再点击“开始计算”按钮,即可得出该灵敏度衰减网络的元器件参数。

该音箱分频器中采用了多个电感,为了防止分频器电感平行安装引起的互相干扰,导致音质变劣,分频器中的各电感安装位置最好互相垂直,如图5所示。
该音箱分频器采用了双线分音的方式,因此接线架应该采用具有4个接线端子的4P接线架,两个低音为1路输出,高音单独为一路输出,为了方便使用,最好选购带有短路片的4P接线架。
(科林)