CXA2069Q是日本索尼(SONY)公司推出的大规模电子开关集成电路,主要用于主流的高档大屏幕彩电中,充当TV/AV切换电路,并且信号切换方式极为灵活多样,即除了可方便地实现内外视频和内外双声道音频信号的切换外,还可方便地实现外部S端子Y/C信号与内部梳状滤波器所分离的Y/C信号之间的切换。目前,使用该集成电路的彩电有:夏普的29TE1、34UD2F,34AD1F和索尼的KV-ES29M90、KV-ES29M9S等。
CXA2069Q的主要特点
CXA2069Q内含信号切换电子开关、放大器、静噪的I\(^{2}\)C总线接口等电路,它具有以下一些主要特点:
(1) 7组复合视频信号输入,4组Y/C信号输入,3组复合视频信号输出,3组Y/C信号输出。
(2) 7组L/R声道音频信号输入,3组L/R声道音频信号输出。
(3) 完全由I\(^{2}\)C总线控制整个信号的切换过程。
(4) 兼容S和S2协议。
(5) 内置Y/C混合电路和宽带放大器(20MHz,-3dB)。
(6) 可以根据需要变更从属地址(Slave address)(90H/92H)。
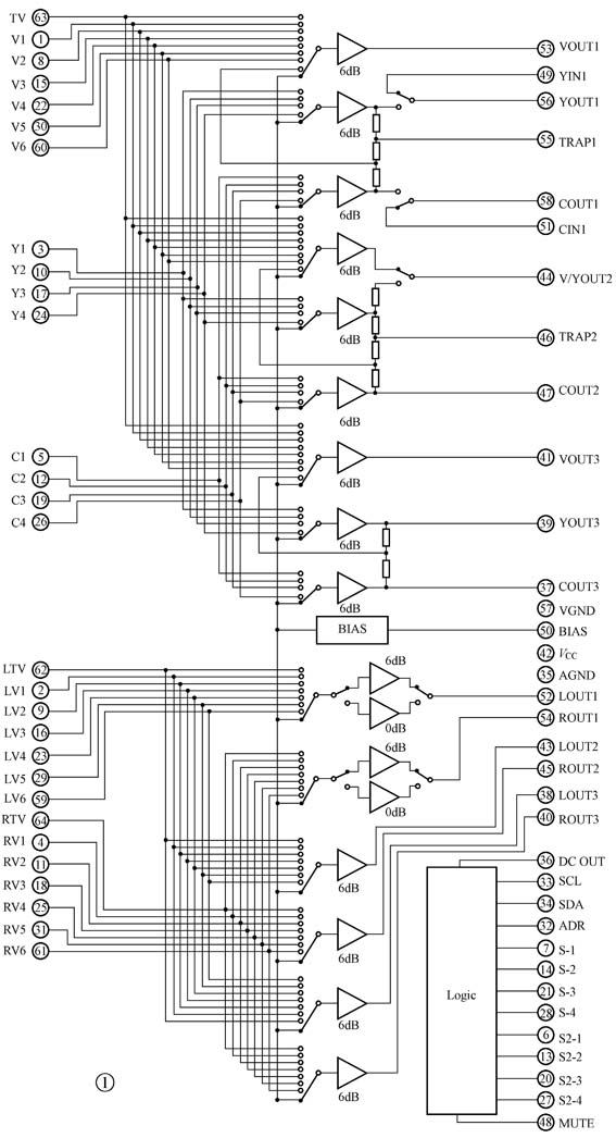
CXA2069Q采用64脚扁平封装,内部电路框图如图1所示。由于CXA2069Q具有多路的输入和输出功能,在使用时,为了降低编程的难度,厂家一般只是根据实际的需要而有选择地开发。因此,CXA2069Q在实际的应用电路中,有一些引脚未采用。

CXA2069Q的工作过程
TV/AV切换电路的主要任务是完成TV信号和AV信号的选择,并将选择输出的信号送至下一级处理电路。下面以夏普34UD2F机型的彩电(倍频扫描和双视窗功能)为例进行分析。夏普34UD2F机型的彩电除了具有主/子画面的信号输入外,还具有三路AV信号输入、一路DVD分量信号输入。除了AV1、AV3带有S端子外,其余的输入端子均不带S端子,其电路简图如图2所示,引脚功能及实测电压如附表所示。
AV3复合视频信号加在CXA2069Q①脚,左右两路声道音频信号(L3/R3)分别加在②脚和④脚。S3端子输入亮度(Y3)信号加在③脚,色度(C3)信号加在⑤脚。在S3端子的插座内,设有一同步开关(用S3表示),当插入S插头时,开关S3闭合,⑦脚电压低于3.5V,AV3处于Y/C接收状态;当未插入S插头时,开关S3断开,⑦脚为高电平4.8V,AV3处于复合视频信号(CVBS)接收状态。
AV1复合视频信号加在CX-A2069Q⑧脚,左右两路声道音频信号(L1/R1)分别加在⑨脚和。S1端子输入亮度(Y1)信号加在⑩脚,色度(C1)信号加在。的直流电压受S1插座内的同步开关(用S1表示)控制,通过控制的电压,可以控制AV1的工作模式。
AV2复合视频信号加在CX-A2069Q,左右两路声道音频信号(L2/R2)分别加在和。AV2端子不设S端子。
由DVD分量端子输入的亮度信号(DVD-Y)加在CXA2069Q,左右两路声道音频信号(DVD-L/DVD-R)分别加在和。
为子画面TV信号输入端子,由画中画组件送来的子画面复合视频信号加在,音频信号分为两路后,分别加在和。
为主画面TV信号输入端子,由中放组件送来的主画面复合视频信号加在,由NICAM(丽音)组件送来的主画面双声道音频信号分别加在和。
该机型未设AV6输入功能,故紛{6}和紜{6}脚悬空未用。
主画面TV的复合视频信号与各路AV的复合视频信号,经CXA2069Q切换后,分两路输出:一路从输出,经Q454射随后,送至AV OUT端子,作为本机的复合视频信号输出;另一路从输出,经Q451射随后,再送至PAL/NTSC制式的数字梳状滤波器TC9090AN③脚。复合视频信号经TC9090AN实现Y/C(亮度/色度)分离后,从TC9090AN的输出色度信号、输出亮度信号。色度和亮度信号再分别送回CXA2069Q的。
当电路工作在PAL或NTSC制式时,送回到CXA2069Q的Y/C信号与各路S端子输入的Y/C信号进行切换,切换后的Y信号从输出,C信号从输出;若电路工作在SECAM制式时,由于TC9090AN不具备SECAM制式Y/C分离功能,故在接收SECAM制式信号时,实际上是输入复合视频信号。此复合视频信号与各路S端子输入的Y/C信号进行切换后,从输出复合视频信号(接收SECAM制式信号)或Y/C信号(由S端子输入)。
输出的Y/C信号(或复合视频信号,SECAM制式)再送至下一级信号处理电路,作进一步处理。
主画面AV音频信号与各路AV音频信号,经CXA2069Q切换后,分两路输出:一路从输出,再分别经Q354、Q353射随后,送至AV OUT端子,作为本机的L、R声道音频信号输出:另一路从输出,送至音频信号处理电路,作进一步处理。
子画面TV的复合视频信号与各路AV的复合视频信号,经CXA2069Q切换后,从输出,送至PIP信号处理组件,作进一步处理。
子画面TV音频信号与各路TV音频信号,经CXA2069Q切换后,从输出,送至耳机信号放大电路。
I\(^{2}\)C总线对CXA2069Q的控制
CXA2069Q的基本功能是切换信号,它能根据输入信号的类型来选择输出形式,还能对信号进行必要的放大、衰减、混合或静噪处理。CXA2069Q各种功能皆由I\(^{2}\)C总线进行控制。在CXA2069Q内部设有I\(^{2}\)C总线接口,接口设有控制寄存器和状态寄存器。控制寄存器存有三组数据(用DATA1、DATA2和DATA3表示),其结构如图3所示。状态寄存器中存有一组或两组数据(读2比特的信息时,存有两组数据;读1比特的信息时,存有一组数据),其结构如图4所示。每组数据均为8位二进制数,且每组数据都决定一些控制功能,关于控制寄存器的控制功能如图5所示,状态寄存器的控制功能如图6所示。



图5中的R/W为控制寄存器的读/写控制,当b0设定为0时,为写状态;b0设定为1时,为读状态。控制寄存器的地址是由CXA2069Q的电压控制的,当电压低于1.5V时,为90H,即b1为0;当电压高于1.5V时,为92H,即b1为1。
DATA1的b7控制LOUT1/ROUT1输出的音频信号增益,当b7设定为0时,增益为0dB;b7设定为1时,增益为-3dB。
DATA2的b7控制是输出Y信号还是复合视频信号(这里及下文所说明的引脚是针对图1而言的),当b7设定为0时,输出复合视频信号;b7设定为1时,输出Y信号。DATA3的b7未定。
DATA1、DATA2和DATA3的b6表示采用S端子输入还是复合视频信号输入,当b6设定为0时,表示复合视频信号输入;b6设定为1时,表示S端子输入。
DATA1(DATA2、DATA3)的b5、b4、b3用于表示选择视频信号源,视频信号经选择后,从VOUT1或YOUT1/COUT1输出(VOUT2或YOUT2/COUT2输出,对应DATA2;对应DATA3,除了选择视频信号源从VOUT3或YOUT3/COUT3输出外,还选择音频信号源从LOUT3/ROUT3输出),b5、b4和b3可以组成8种组合,分别为0、1、2、3、4、5、6、7,这8种组合分别对应表示CX-A2069Q所处的工作状态,即静噪状态、选择TV复合视频信号、选择AV1(S1端子)复合视频信号(Y/C信号)、选择AV2(S2端子)复合视频信号(Y/C信号)、选择AV3(S3端子)复合视频信号(Y/C信号)、选择AV4(S4端子)复合视频信号(Y/C信号)、选择AV5复合视频信号、选择AV6复合视频信号。
同理,DATA1(DATA2)的b2、b1、b0用于表示音频信号选择源,音频信号经选择后,从LOUT1/ROUT1输出(LOUT2/ROUT2输出,对应DATA2),b2、b1和b0可以组成8种组合,分别为0、1、2、3、4、5、6、7,这8种组合分别对应表示CXA2069Q所处的工作状态,即静噪、选择TV音频信号、选择AV1音频信号、选择AV2音频信号、选择AV3音频信号、选择AV4音频信号、选择AV5音频信号、选择AV6音频信号。
DATA3的b2、b1用于控制输出的直流电平,b2、b1可以组成4种组合,分别为0、1、2、3,这4种组合分别对应输出的直流电平为4.5V、0V、1.9V、4.5V,DATA3的b0未定。
图6中的状态寄存器的S1~S4 SEL用于控制CXA2069Q的⑦、的连接状态。当S1~S4 SEL被设定为0时,⑦、没有接地,在没有接地状态下,⑦、的电压高于3.5V;当S1~S4 SEL被设定为1时,⑦、接地。
CXA2069Q的⑥、的电压用于控制S端子输入的信号格式。当⑥、的电压低于1.3V时,即状态寄存器中的DATA1、DATA2的b1和b0均被设定为0时,S端子输入的信号被设定为4∶3的视频信号格式;当⑥、的电压介于1.3V~2.5V时,即状态寄存器中的DATA1、DATA2的b1和b0分别被设定为0、1时,S端子输入的信号被设定为4∶3的文字格式;当⑥、的电压高于2.5V时,即状态寄存器中的DA-TA1、DATA2的b1和b0分别被设定为1、0时,S端子输入的信号格式被设定为16∶9的压缩图像信号格式;当⑥、悬空未用时,即状态寄存器中的DATA1、DATA2的b1和b0均被设定为1时,表示不接收S端子的信号。该芯片的详细资料见本期配刊光盘“本期元器件资料”文件夹。
(林俊标)