LDO是英文Low Dropout的缩写,现译成“低压差”。实质上这里指的是在一定输出电流时,输入电压与输出电压之差较低的线性稳压器。由于经常用到LDO这个词,久而久之,“LDO”就成为“低压差线性稳压器”的代名词了。
7805三端线性稳压器是大家熟知的一种稳压器;7805的内部结构如图1所示。它由R1、R2组成的分压器、基准电压源、误差放大器、VT1及VT2组成的调整管及基极电阻R3组成。其压差最小值V\(_{DO(min)}\)为:

V\(_{DO(min)}\)=V\(_{BE(VT1)}\)+V\(_{BE(VT2)}\)+IB×R3
从上式可以看出:V\(_{DO}\)与输出电流大小有关(IB等于调整管的输出电流除以放大倍数)。据资料介绍,要保证输出1.5A电流时输出电压稳定,V\(_{DO(min)}\)为2.5~3V。也就是说7805在输出1.5A电流时,输入电压V\(_{IN}\)要比输出电压V\(_{OUT}\)大3V,这个压差是相当高的。
压差高意味着稳压器的损耗大、转换效率低,稳压器的损耗将被转换成热量,使稳压器温度升高。当压差高、输出电流又大时,往往还需要加散热片来散热。
现在来计算一下7805的损耗功率、输出给负载的功率及转换效率。设输入电压V\(_{IN}\)=8V,输出电压V\(_{OUT}\)=5V,输出电流I\(_{O}\)=1.5A。损耗在调整管上的损耗功率P\(_{D}\)为:
P\(_{D}\)=V\(_{DO}\)×I\(_{O}\)=3V×1.5A=4.5W
输出到负载上有用的功率PW=V\(_{OUT}\)×I\(_{O}\)=5V×1.5A=7.5W
若不考虑从输入端流经地端的地电流造成的损耗(因地电流仅几毫安),则稳压器的转换效率η=输出功率/输入功率=V\(_{OUT}\)×I\(_{O}\)/(V\(_{IN}\)×I\(_{O}\))=5V/8V=62.5%
由上式看出,其转换效率才62.5%,效率很低。所以78系列(以及79系列及317可调输出管)三端稳压器仅适用于市电供电的场合。
便携式电子产品通常要采用电池供电,若采用7805三端稳压器,则不仅要增加电池的数量,并且电池的寿命也很短。另外,便携式电子产品的工作电压越来越低,因此,近年来开发出了各种低输出电压的新型LDO。
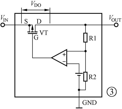
便携式电子产品的迅猛发展促使LDO的不断发展。图2是一种大电流、低压差线性稳压器的内部结构图。它的V\(_{DO(min)}\)=VSAT(VSAT为饱和管压降),在不同的额定输出电流时,它的V\(_{DO(min)}\)可以做到0.3~0.6V的水平。采用P沟道MOSFET作为调整管的LDO内部电路见图3。它的V\(_{DO(min)}\)=RDS(ON)×I\(_{O}\)(RDS(ON)是MOSFET的导通电阻值)。现在RDS(ON)已经可以做到上百毫欧到几十毫欧,则V\(_{DO}\)可进一步地减小,但V\(_{IN}\)很低时,RDS(ON)也会增加。


这里举一个实例来说明。一种新型大电流、低压差线性稳压器MIC29300-5.0BU,它输出电压5V,最大输出电流3A,在1.5A电流输出时的典型压差值V\(_{DO}\)=250mV,最大值为500mV。
就按I\(_{O}\)=1.5A时压差为500mV来计算,其损耗功率P\(_{D}\)=V\(_{DO(max)}\)×I\(_{O}\)=0.5V×1.5A=0.75W
这与7805比较,其损耗功率仅为7805的1/6。
再来计算一下这LDO的转换效率η。当最大压差在1.5A时为500mV,则输入电压V\(_{IN}\)=5.5V,η=5V/5.5V=90%
该线性稳压器在此时的转换效率与开关式DC/DC变换器的转换效率相差不多了。
在低压差线性稳压器中,压差的大小已成为重要性能指标之一。压差的大小一般用以下的方式来表示:输出额定电流时,输入电压与输出电压的电压差值。如输出电流额定值为3A、输出电压为5V的MIC29300-5.0BU,其压差(V\(_{DO}\))的典型值为370mV,最大值为600mV;另一种表示方法是,在某一输出电流(如100mA)时,它的压差值(如100mV),则用100mA/100mV的方式表示。压差值与输出电流基本成比例,如输出200mA时其压差约200mV。
目前线性稳压器的压差低到什么程度才是低压差,并没有一个统一标准。如果有一个LDO用100mA/100mV来表示。另一个LDO用200mA/200mV来表示。是否后者的压差更低呢?这是不一定的,要看它是采用什么测定标准。
LDO的测定标准并不统一(各生产厂家有自己的标准)。它的测试方法与标准是,在V\(_{IN}\)=V\(_{OUT}\)+1V(目前低压差器件都小于1V),输出电流为某一定值(如额定电流值或某一电流值,如100mA),如图4的电路进行测定。在上述条件下,读出输出电压值为V\(_{OUT1}\)(需注意的是有一定电流输出时,特别是输出电流较大时,其输出电压值比空载电压要小)。
将V\(_{IN}\)逐步减小,使I\(_{O}\)不变,V\(_{OUT1}\)将下降。当V\(_{IN}\)减小到某一个值,使V\(_{OUT1}\)的电压减小了1%(有的标准为2%或100mV),此时的实际V\(_{IN}\)值与降低1%的V\(_{OUT1}\)的差值为压差值。
所以在评定两个LDO的压差性能时,不仅仅要注意其输出I\(_{O}\)要相同,并且它的测定是按下降1%还是2%(或其他标准),只有标准相同才有意义。
这里举一个实例来说明:某一LDO的标称输出电压为5V,输入电压V\(_{IN}\)为6V,在输出电流为1.5A时V\(_{OUT1}\)为4.90V。减小V\(_{IN}\)使V\(_{OUT1}\)减小了1%(即V\(_{OUT1}\)=4.85V)。若此时的V\(_{IN}\)为5.43V,则降低1%时的压差值为V\(_{DO}\)=5.43V-4.85V=0.58V。
若V\(_{IN}\)继续下降,使V\(_{OUT1}\)减小了2%,即V\(_{OUT1}\)=4.8V,此时V\(_{IN}\)为5.30V,则降低2%时的压差值V\(_{DO}\)=5.30-4.8=0.5V。
从上例可以看出同一线性稳压器,在不同的标准时,其压差值是不同的。
(戴维德)