主要特点及技术参数
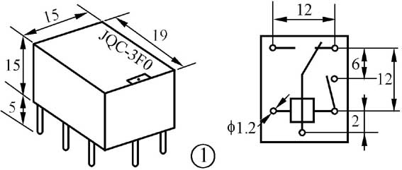
1.带辅助触点的继电器JQC-3F0

在普通电磁继电器中增加一个辅助触点,它的外形与普通继电器几乎没有两样,如图1所示。最大特点在于:可以利用辅助触点去控制线圈自保或信号指示、电平输出等,使主触点去控制被控对象(负载),这比使用双转换触点(2Z)继电器价格要低,体积要小。

技术参数:线圈工作电压12V(可从厂家订购5V、6V、9V和24V等产品),线圈功耗≤0.36W;触点形式为1Z(转换型主触点)和1H(常开型辅助触点),主触点负荷为交流5A×240V或直流10A×28V;环境温度-40℃~85℃,绝缘电阻≥100MΩ,触点接触电阻≤0.1Ω,工作寿命约1×10 5次,主触点间介质耐压≥750V(50Hz下1min内不击穿)、线圈与触点间介质耐压≥1500V,重量约10g。
该按键式继电器属“二合一”功能的新型器件,它相当于一个安培级按钮开关与普通电磁继电器的组合体。如图2所示,有线路板式(型号JQC-3F1)和面板式(型号JQC-3F2)两种安装形式;顶面装有PVC薄膜面的启动按键,引脚采用标准小型电磁继电器的脚距尺寸;与普通继电器的不同处是这些触点同时也作为启动按键的触头,故它既受线圈控制,也受启动按键的控制,如图3所示。
技术参数:线圈工作电压分直流5V、6V、9V、12V和24V五种,线圈功耗≤0.36W;触点形式为1Z(转换型主触点)和1H(常开型辅助触点),主触点负荷为交流5A×240V或直流10A×28V;环境温度-40~85℃,绝缘电阻≥100MΩ,触点接触电阻≤0.1Ω,电气寿命1×10 5次,机械寿命1×10 7次,主触点间介质耐压≥750V(50Hz下1min内不击穿)、线圈与触点间介质耐压≥1500V,重量约11g。
应用实例
1.电水壶水开自动断电器。如图4所示,按下ON时,电热管即通电加热,与电热管串联的变压器T(初级压降5~10V)输出12~14V,经VD1整流、C滤波后,由发光二极管VD2给继电器K供电。加热开始时水温尚低,贴于壶体的双金属片温控开关ST处于闭合状态,故K“自保”吸合;当水沸腾时,温控开关ST的感温超过95℃,则内部双金属片构成的温控开关便自动断开,继电器K因线圈供电回路被切断而释放,进而使主触点控制的电热管交流供电回路也自动切断,实现了电水壶水开后自动断电。

2.充电器短路保护电路。电路如图5所示,当按动按键式继电器K上的启动按键ON时,就可以给电瓶充电(后面电路省略)了。但如操作不当或因别的原因造成输出端短路或工作电流异常增大时,会使串入供电回路的小阻值线绕电阻器R2两端电压降增大,导致三极管VT导通而短接继电器K的线圈,使K失去吸合电流而释放,从而切断整个充电器的电源。图中SB为常闭型按键开关,可以实现充电器的手动关闭。此电路也可用于直流小电机或直流稳压电源的过载保护。
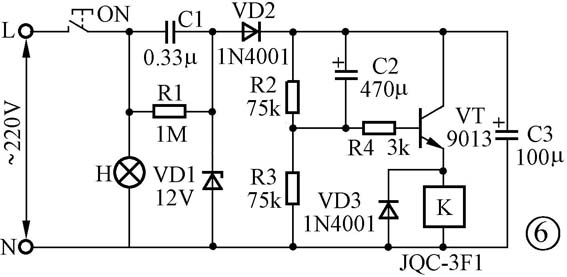
3.楼道照明灯节电开关。电路如图6所示,当按动启动按键ON时,电路开始通电工作,灯泡H点亮;与此同时,220V交流电经电容器C1降压限流、VD1稳压、VD2半波整流和C3滤波后,给延时电路供电,使延时电容器C2开始充电,VT饱和导通,继电器K通电“自保”吸合。经过一段时间(延时时间),C2充电达到一定程度时,三极管VT的基极电流明显减小,使VT导通量下降而趋于截止,K因吸合电流不足而释放,整个电路电源被切断,灯泡H熄灭,延时照明过程结束。之后,C2通过R2快速放电,为下次延时开灯做好准备。

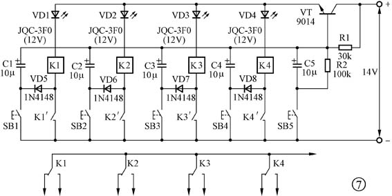
4.电子互锁开关。机械式互锁开关是普通按键式调速台风扇、普通洗衣机等各种家用电器产品中离不开的关键配件,用具有辅助触点的JQC-3F0型继电器设计、生产的互锁开关,线路简单、性能优良、安全可靠,实为机械式互锁开关的更新换代产品。图7所示为四路互锁开关电路,其中SB5为“OFF”按键。如果需要更多路互锁开关,只需向左边延伸相同的控制电路便可方便实现。该互锁开关电路在关闭后,没有任何静态耗电。

5.电脑关机完全断电装置。目前,大多数电脑的外部设备(如显示器、多媒体音箱、打印机、扫描仪、甚至外“猫”等)均通过各自的220V交流电源插头单独供电。每次使用电脑时开、关电源十分麻烦,而且有时关掉主机电源后常忘记了关其他外部设备的电源开关,既浪费电能又会缩短设备的使用寿命,甚至还会酿成火灾等严重事故!如果给自己的电脑加装上自动完全断电装置,则不仅开机简便,更能在电脑关闭后自动切断所有外部设备的电源,从而杜绝各种不测事故的发生。电路如图8所示,它采用双线圈磁锁继电器K控制整个电脑系统的供电回路。接通220V交流电源后,电脑及外部各种设备通电。启动电脑主机,储能电容器C1从主机电源获得12V直流电。由于晶体管VT呈饱和导通状态,故单向晶闸管VS无触发电流而阻断,K的线圈L1不会通电。关闭电脑主机后,主机电源不再向VT提供偏流,VT截止,VS通过R2获得触发电流而导通,C1所储存电能通过K的L1线圈快速放电,放电电流使K动作并“锁存”,由其触点KD自动切断多用插座的供电电源。再次开电脑时,只须按动一下SB,则K的线圈L2便会从C2两端获得足够脉冲电流,于是K动作并“锁存”,由其触点KD自动接通电脑系统的供电电源。接下来,便可按常法启动主机了。
有关本文的供货信息详见本期65页。
(张晓东)
