夜间收看电视节目或播放碟片时,为避免干扰他人休息通常改用耳机听音,此时若用导线将耳机连接至电视机,不但不雅观,而且影响人的活动。若采用本文介绍的红外线无线耳机即可避免上述弊端。
该红外线无线耳机由发射机和接收机两部分电路组成。发射机电路如图1所示。声音信号从电视机音频输出插座引出。电视机输出的音频信号经过C1耦合至VT1进行一级放大后驱动红外线发光二极管VD1、VD2发光,声音信号的变化引起VD1、VD2发光强度的变化,即VD1、VD2的发光强度受声音的调制。


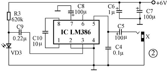
接收部分电路如图2所示。该电路接收部分采用一块音频放大集成电路LM386进行功率放大。VD3为红外线接收管。
当被音频信号调制的红外光照到VD3表面时,VD3将接收的经声音调制的红外线光信号转换成电信号,即在VD3两端产生一个与音频信号变化规律相同的电信号,该信号经C9耦合至LM386进行功率放大后驱动扬声器发声。由于LM386可以输出约0.5W的功率,所以该接收器可以同时供多副(1~4副)耳机收听。
三极管VT1选用中功率管2SC8050,PCM=300mW,ICM=500mA,R2的功率要在1/4W以上。VD3为红外线接收管(不要选用光电二极管,以免受干扰,影响接收效果),VD1、VD2宜选用外壳透明的品种,那些从外部不能看到内部电极的品种其通信距离将会很小。
安装时调节发射部分三极管VT1的静态电流在30mA左右。接收部分只要安装无误,不需调试即可工作。发射部分可以安装在电视机内部,由机内12V电源供电。信号输入端接到音量电位器两端即可。对于伴音功放采用直流音量控制的电视机,可以在C1前面串联一个5.1kΩ的电阻后将输入端接到扬声器的两端。调节音量电位器,使其转发距离最远(3~4m)且不失真即可。两只红外线发射管(VD1、VD2)在安装时,要考虑其辐射区范围,由于红外发射管的辐射角一般在60°左右,所以安装时要使它们的辐射空间范围有一部分重叠,如图3所示。

另外,需要注意的是,在使用该红外线耳机时最好将日光灯关闭,否则可能会有干扰杂音出现。
编者注:LM386详细资料见本期配刊光盘“本期元器件资料”文件夹。