动态直流分析是一个交互式的仿真功能。激活后,在电路图中显示节点电压、支路电流、元件消耗功率和器件的工作状态。使用者对电路做出修改,程序立即计算电路的直流响应,并将结果刷新显示。改变电路的操作包括:加入或删除元件、重新连接导线、更改元件参数值或元件模型等。
执行菜单命令Analysis>Dynamic DC,电路图界面上的4个数据显示按钮被激活。
显示节点电压或数字状态;
显示通过引脚的电流;
显示元件消耗的功率,pd表示元件消耗的功率、pg表示电源输出的功率;
半导体器件的工作状态:二极管有ON(导通)、OFF(截止)和ZENER(齐纳击穿);三极管有LIN(线性)、SAT(饱和)、OFF(截止)和HOT(过热)等。

图6显示了一个电路中的各种动态直流参数。圆角方框中,冒号前的数字是节点编号,冒号后是节点电压;方框中为引脚电流,电流方向以箭头示出;消耗功率以方框中的“pd=”表示;如果图中已有功率框,则工作状态和功率显示在一个框中。
图线观测器是MC的图线处理组件。它不但显示电路的仿真图线,还能显示元件的特征曲线。图线观测器也用于滤波器设计中即时显示频响曲线,而不必等到设计完成后再调用交流小信号分析。
在图线观测器窗口的工具板上,有各种图线分析处理按钮,如绘图工具、文本工具、游标工具、图线测量标示工具、坐标格式选项、图线分析工具(如峰值、谷值、最大值、最小值等),以及将图线数据以文本输出等按钮。
点击工具按钮 ,使图线处于游标模式下。按住鼠标左(右)键移动鼠标,可使左(右)游标跟随移动,标签显示游标在曲线上的坐标值。
双击图线界面,打开图线属性对话框。属性框有6个选项页。
(1) Plot页:设置图线合并或分散显示,定义图线标题等。
(2) Scales and Formats页:坐标比例和格式,其局部如图7所示。

Range Low:最小坐标值;
Range High:最大坐标值;
Grid Spacing:坐标分度值;
Bold Grid Spacing:粗线坐标分度值;
Scale Format:坐标数字格式;
Value Format:在图线上显示的数值格式。有科学和工程两种格式,小数点后最多有16位数字;Auto Scale由系统自动设置坐标格式。
(3) Colors、Fonts and Lines页:定义文本的字体、字型、图线的宽度,线型和图纸上各对象的颜色等。
(4) Header页:设置打印时在图纸上显示的文字。如设计者、公司商号、分析类型和电路名称等。
(5) Save Curves页:定义曲线名称和保存的文件名和位置。
(6) Tool Bar页:定义图纸界面工具板。
滤波器分为低通、高通、带通和带阻等4种。依滤波器是否含有源元件将其分为有源滤波器和无源滤波器。
有源滤波器由电阻、电容和运算放大器构成,其中电阻可由运算跨导放大器或开关电容代替。无源滤波器通常由储能元件(电容、电感)和损耗元件(电阻)构成。
根据在通带内信号的响应,将滤波器分为若干类。如最大平坦响应滤波器(巴特沃思)、线性相位响应滤波器(贝塞尔)和等纹滤波器(切比雪夫)等。在时域内,它们的阶跃响应各不相同。
设计滤波器时,虽然可根据所需要的类型,传递函数及需要的阶数使用专门公式和数据表格计算相关数据,但设计过程相当繁复。
使用MC的滤波器设计组件,使此项工作变得相当简单。只要定义一些关键数据,系统就能自动生成电路和元件参数,并可达到极高的精度。在试用版中,最多只能设计3阶的滤波器,专业版可设计超过30阶的滤波器。
在菜单命令Design下有两个子命令:Active Filters和Passive Filters,分别调用有源滤波器和无源滤波器设计工具。
有源滤波器的设计对话框有3个设置页:
(1) Design页
滤波器参数设置都在此页。页内有4个选项区。为清晰起见,将4个区分别列出:
Type区选择滤波器的基本类型(图8)。有低通Low-Pass、高通High-Pass、带通Bandpass、带阻Notch和延迟Delay等5种。无源滤波器没有延迟类型。
Response区选择理想滤波器的响应函数(图9)。有巴特沃思Butterworth、切比雪夫Chebyshev、贝塞尔Bessel、椭圆Elliptic和反切比雪夫Inverse-Chebyshev等5种。贝塞尔函数只适用于延迟线。
Specifications区指定滤波器的技术规格。有两种描述方式:模式1和模式2。
在模式1(图10)中:指定通带增益Passband Gain、通带波纹Passband Rip-ple、抑止频率衰减量Stopband Atten、通频带Passband和抑止频率Stopband等数据。显然,不同类型滤波器的技术参数设置项目不一样。图10是高通滤波器的参数设置项。
在模式2中:指定滤波器的增益、通带频率、中心频率、纹波、Q值和阶数等。
Poles and Zeros区中(图11),直接编辑频率响应多项式的极点、零点和Q值等数据。

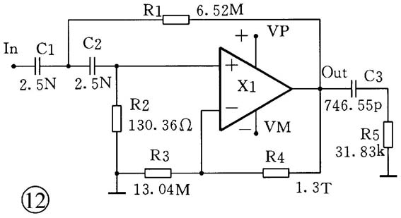
打开滤波器设计对话框时,程序根据对话框中原有的数据生成一个滤波器电路。只要在Design页中,改变了任何一项数据,程序立即同步地修改电路结构和参数。现根据上文数据生成切比雪夫有源高通滤波器(图12),采用的运算放大器是LM741。滤波器的电源没有示出。

(2) Implementation页
将电路类型、增益、极点、零点和Q值等分配到滤波器的每一阶中。选择运算放大器的型号。
(3) Options页
设置元件的数值格式、文件的保存方式、在图纸上显示文本、指定交流小信号分析产生的增益、相位、群延迟等图线显示方式和图线数据点数等。
完成了滤波器参数设计,点击滤波器设置对话框下面的Plot按钮,立即显示所设计滤波器的频率响应曲线。图13是此高通滤波器的增益图线。也可以将相频曲线和幅频曲线放在同一图面上显示。如果修改了数据,只要再按一次Plot,图线马上被刷新。当然也可以调用交流小信号分析来仿真此滤波器。
无源滤波器的设计方法和有源滤波器基本相同。
6.数字信号过程
MC包含一个通用的、事件驱动的数字逻辑仿真器。它完全综合在和时间同步的模拟仿真器中。数字仿真器的基本元件和行为模型可以用多种方法定义。MC使用PSPICE语法,因为PSPICE相对有效并有众多的使用者。MC和著名的Cadence公司的电路仿真软件Pspice兼容,元件库可以被对方的仿真器相互读取,因为PSPICE是用瞬态分析来仿真数字电路的过程,所以MC能很好地做到数字电路和模拟电路的混合仿真。
MC能显示多种数字电路工作状态:0低电平、1高电平、R上升、F下降、X未知和Z高阻。MC有一个数字基本元件库,包括标准的和三态的缓冲器、反相器、门电路和触发器等。 另外有少量的74系列元件。
7.传输函数分析
传输函数分析计算电路的小信号直流传输函数,即从一个指定的输入源到一个指定的输出节点的表达式。根据输入源和输出表达式,程序可以计算:电压增益、电流增益、跨导、导纳等电路传输参数。本分析还可以计算电路的小信号输入阻抗和输出阻抗。
执行菜单命令Analysis> Transfer Function,打开传输函数设置框(图14)。
Output Expression:此栏填入指定的输出表达式。它可以是任何合法的表达式,包括直流时基数值变量和函数。通常是简单的表达式如V(A,B)或I(R1)等。
Input Source Name:指定输入电源名。
输出结果放在下列3个栏中:
Transfer Function:得到的传输函数;
Input Impedance:得到的输入阻抗;
Output Impedance:得到的输出阻抗;
Place Text:如果此项被选中,计算的数值结果被写入电路图中的一个文本框中。
按下Calculate按钮,程序计算传输函数并显示在本对话框中。
用PSPICE语言描述数字元件或行为的语法比较复杂,本文不作详细介绍。有兴趣的读者可参看软件帮助和样例文件。MC试用版的下载网址为:http://www.spectrum-soft.com/demodown. shtm。
(甘雨)


