电源故障在计算机故障中占有较高的比例。当计算机开机后出现主机指示灯不亮、无声响、主机电源盒内的风扇不运转、显示器黑屏(指示灯亮,为橙色)等现象,多为主机电源发生了故障。本文将介绍计算机ATX电源的原理及故障维修方法。
打开主机机箱,拔下主机电源盒与主板之间的所有连接馈线接插件,即可将主机电源盒卸下来,进行检查维修了。当前流行的计算机均采用ATX电源与主板配套。ATX电源是在AT电源的基础上另外增设了一套独立的自激式开关型辅助电源,用以产生ATX主电源中的脉冲宽度调制芯片TL494所需的20V工作电压和向主板提供5VSB待机电压。为适应新型主板的需求,还在主输出电源中增加了受主板控制开启主电源的PS-ON信号和一个高稳定度的供主机CPU使用的3.3V电压。ATX电源输出端与主板相连的排插各孔功能见图1。

ATX电源新增功能及工作原理
ATX电源采用传统的半桥式脉宽调制开关电源作为主电源,在此电路基础上又增加了一个独立的辅助电源。这个辅助电源不受主板控制,接入市电立即向主板电源管理电路馈送5VSB待机电压,并向主电源电路中的脉宽调制芯片TL494提供约20V的工作电压。主电源电路除原设的PG信号外,又增设了受主板控制的主电源开关信号和供主机CPU用的高稳定度的3.3V电压。本文以常见的YH-250 ATX电源的有关电路为例,简述交流输入电路、辅助电源电路、主电源电路的工作原理和PS-ON信号及3.3V电压的形成过程。
1.交流输入电路(见图2)

ATX电源的电路板上原设计的消除电网高频干扰的网络电路已省掉,220V市电经电源保险丝F1、热敏电阻THE加至由VD1~VD4进行全桥整流及C5、C6滤波,在均压电阻R2、R3的AB端输出300V左右的直流电压,该电压是辅助电源和主电源共用的工作电压。
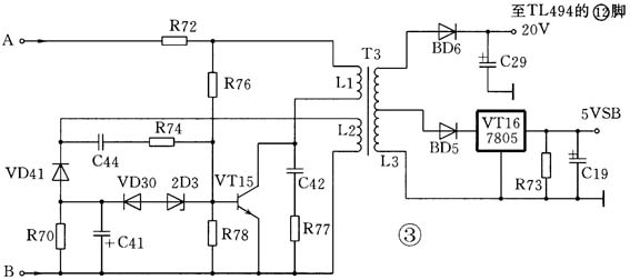
2.辅助电源的工作原理(见图3)

300V直流电压经限流电阻R72、一路经启动电阻R76加至VT15的基极,另一路经T3的L1加至VT15的集电极,VT15正偏导通,300V电压对L1充电,充电电流线性上升,在L1上产生上正下负的自感电压,T3的L2上也产生上正下负的感应电压,该电压的负端加在VT15的发射极上,正端经C44、R74送至VT15基极,从而使VT15饱和导通。由于电容两端的电压不能突变,C44两端电压不断上升,充电电流越来越小,当充电电流小到一定程度时,VT15便退出饱和区进入放大区,此时随着VT15基极电流进一步减小,其集电极电流也随之减小,导致L1、L2上的感应电压极性发生反转,这一雪崩过程使VT15很快截止。VT15截止后,C44通过L2、R78、R74放电。放电完毕,VT15在启动电路的作用下又导通,进入下一个振荡周期。在VT15饱和导通期间L1存储磁能,VT15截止期间L1释放磁能,在L3上感应产生脉冲电压经BD5、BD6高频整流,C19、C29、VT16整流滤波稳压,产生5VSB和20V电压。
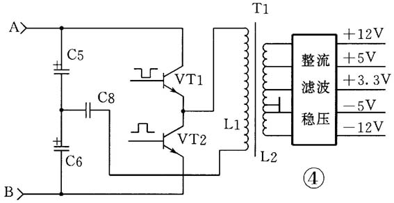
3.主电源电路工作原理(见图4)

主电源是典型的半桥式脉宽调制型的稳压电路,VT1、VT2组成主变换电路。当PS-ON为低电平时,TL494⑧脚为低电平,TL494处于工作状态,⑧脚和输出相位差180°的调制脉冲,经放大,由推动变压器耦合至VT1、VT2的基极,VT1、VT2轮流导通,在T1的次级各抽头中产生感应电压,经整流、滤波、稳压,产生主机所需的各组电压。
4.PS-ON软开机信号产生原理(见图5)
当PS-ON悬空或主板向其传送高电平时,在TL431的R端作用下,其K端产生低电平,使VT7正偏导通,VT7集电极为高电平,该高电平经R80、VD25、VD40至TL494死区电平控制端④脚,使TL494内部的振荡器进入停振状态,其⑧和无调制脉冲输出,主电源处于关机状态而无输出。若主板送出低电平,在TL431的R端作用下,其K端输出高电平,VT7、VD25、VD40反偏截止,TL494④脚的电压由R40、R90设定为低电平(约0.15V)。TL494内部的振荡器起振,其⑧和输出调制脉冲,主电源各端输出额定电压,从而实现开机功能。
ATX电源维修技巧
由于ATX电源增设了一个独立的自激式开关电源和PS-ON电路,相对AT电源,增加了许多电子元件,给维修增加了难度。经过对多种不同型号电源的维修,笔者总结出以下一些维修技巧。
1.交流输入电路的检修
该单元电路简单,但各元件工作在高压大电流状态,其故障率较高,常见故障为:图2中的VD1~VD4部分损坏,引起热敏电阻爆裂,导致F1熔断。有些型号的电源在交流输入回路中装有消除电网高频干扰的LC网络,网络中的电容也时有击穿的故障。通常以上元件损坏,一般不会损及后面的电路,更换即可。
2.辅助电源的检修
辅助电源是典型的单管自激式开关电源电路。变压器的次级输出分为二路。一路经整流、滤波产生20V左右的电压至TL494,另一路经整流滤波产生5VSB。基于成本原因,该电路未设完善的过压、过流保护,电路简单,且长期工作在高电压大电流的状态,是ATX电源中最易产生故障的部分。通常可将该电路视作一个独立的单元电路来维修。先静态检测易损元件,如启动电阻R76,限流电阻R72和开关管VT15,检测吸收尖峰脉冲的C42、R77。电路正常后,断开与主电源的300V供电,断开20V与TL494的连接,在20V输出端接上100Ω/5W的负载电阻,接入市电检测辅助电源的输出电压,若输出电压异常,应重点检查反馈回路的有关元件。
3.主电源电路的检修(见图4)
主电源电路以TL494为核心组成半桥式脉冲宽度调制型开关电源。该电源具有较完善的过压过流保护电路,故障率较低。为安全起见,在检修时先不接市电,割断TL494的与辅助电源20V的连接,将PS-ON接地,另外在加上20V左右的直流电源。用示波器观察TL494⑧、,并跟踪到VT1、VT2的基极应有相位差180°的脉冲。若无脉冲或脉冲不正常,应重点检查保护电路、主变换电路及TL494各检测脚电压。最后拆掉PS-ON的接地,TL494的④脚应为高电平,同时以上各检测点脉冲消失。主电源电路常见故障有:因辅助电源故障,常导致TL494烧坏;主变换管VT1、VT2工作在高电压大电流状态下,也易损坏;当VT1、VT2击穿之后,常会导致交流保险丝F1熔断。
4. PS-ON电路的检修
PS-ON电路元件较少,且工作在低电压、小电流状态,很少产生故障。当出现主机输出的PS-ON信号正常,但不能启动ATX电源时,应重点检查ATX电源的PS-ON电路。将ATX电源从机箱取出与主机脱离,用导线将PS-ON接地,接入市电,用万用表检测TL494的④脚电压,正常值应为0.15V。如不正常,重点检查TL431、VT7、VD25、VD40等相关元件。
(高铁曼 郑荣璋)